Curiosii for ever!: Car repair manuals for everyone.

Combination Switch ECU Power Source Circuit





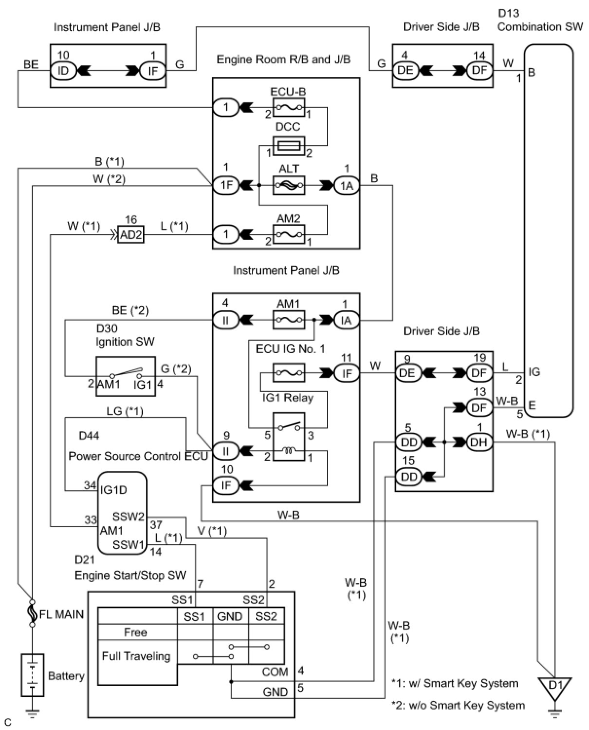
WIPER AND WASHER: WIPER AND WASHER SYSTEM: Combination Switch ECU Power Source Circuit
- Combination Switch ECU Power Source Circuit

DESCRIPTION

This circuit provides power to the combination switch.

WIRING DIAGRAM





INSPECTION PROCEDURE

HINT
Before performing this procedure, check that DTCs for the multiplex communication system are not output Multiplex Communication System.

PROCEDURE

1. CHECK HARNESS AND CONNECTOR (BATTERY - COMBINATION SWITCH)

(a) Disconnect the connector from the combination switch ECU.





(b) Measure the voltage according to the value(s) in the table below.

Voltage:





NG -- REPAIR OR REPLACE HARNESS OR CONNECTOR
OK -- Continue to next step.

2. CHECK HARNESS AND CONNECTOR (IGNITION SWITCH CIRCUIT)

(a) Measure the voltage according to the value(s) in the table below.





Voltage:





NG -- REPAIR OR REPLACE HARNESS OR CONNECTOR
OK -- Continue to next step.

3. CHECK HARNESS AND CONNECTOR (COMBINATION SWITCH - BODY GROUND)

(a) Measure the resistance according to the value(s) in the table below.





Voltage:





NG -- REPAIR OR REPLACE HARNESS OR CONNECTOR

OK -- PROCEED TO NEXT CIRCUIT INSPECTION SHOWN IN PROBLEM SYMPTOMS TABLE