Curiosii for ever!: Car repair manuals for everyone.

Engine Switch Indicator Circuit





2GR-FE STARTING: SMART KEY SYSTEM: Engine Switch Indicator Circuit
- Engine Switch Indicator Circuit

DESCRIPTION

Engine start conditions or system malfunctions can be checked by the status of the engine switch indicator light.

Engine switch indicator light condition:

Engine switch indicator light condition::





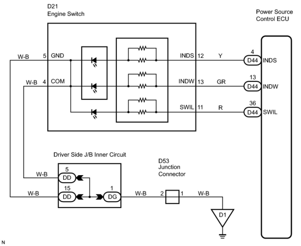
WIRING DIAGRAM





INSPECTION PROCEDURE

PROCEDURE

1. INSPECT ENGINE SWITCH

(a) Disconnect the D21 switch connector.





(b) Connect the positive (+) lead to terminal "A" and the negative (-) lead to terminal "B" of the engine switch.

(c) Check if the illumination for the engine switch comes on.

OK:





NG -- REPLACE ENGINE SWITCH
OK -- Continue to next step.

2. CHECK WIRE HARNESS (ENGINE SWITCH - POWER SOURCE CONTROL ECU AND BODY GROUND)

(a) Disconnect the D44 ECU connector.





(b) Measure the resistance according to the value(s) in the table below.





Resistance:





NG -- REPAIR OR REPLACE HARNESS OR CONNECTOR

OK -- REPLACE POWER SOURCE CONTROL ECU