Curiosii for ever!: Car repair manuals for everyone.

CAN Main Bus Line for Disconnection





CAN COMMUNICATION: CAN COMMUNICATION SYSTEM: CAN Main Bus Line for Disconnection
- CAN Main Bus Line for Disconnection

DESCRIPTION

There may be an open circuit in the CAN main bus line and/or the DLC3 sub bus line when the resistance between terminals 6 (CANH) and 14 (CANL) of the DLC3 is 69 Ohms or more.





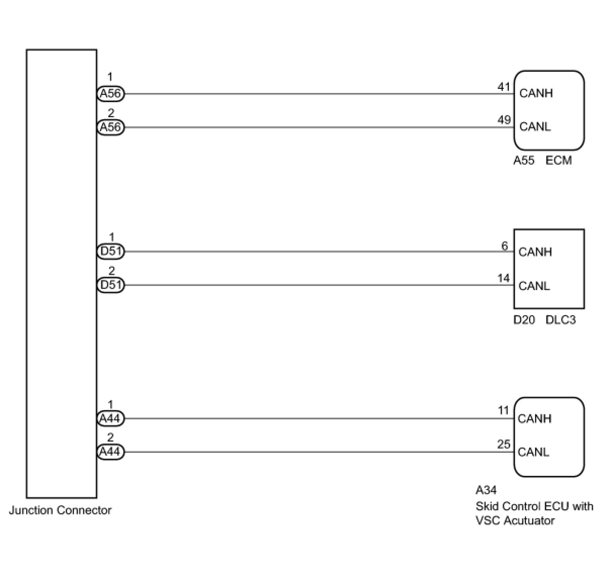
WIRING DIAGRAM





INSPECTION PROCEDURE

PROCEDURE

1. CHECK DLC3

(a) Turn the ignition switch off.





(b) Measure the resistance according to the value(s) in the table below.

Result:





NOTICE:
When the measured value is 69 Ohms or more and a CAN communication system diagnostic trouble code is output, there may be a fault besides disconnection of the DLC3 sub bus line. For that reason, troubleshooting should be performed again from "HOW TO PROCEED WITH TROUBLESHOOTING" How to Proceed With Troubleshooting after repairing the trouble area.

B -- REPAIR OR REPLACE DLC3 SUB BUS LINE OR CONNECTOR (CAN-H, CAN-L)
A -- Continue to next step.

2. CHECK CAN MAIN BUS LINE FOR DISCONNECTION

(a) Turn the ignition switch off.





(b) Disconnect the ECM connector (A55).

(c) Measure the resistance according to the value(s) in the table below.

Resistance:





OK -- REPLACE ECM
NG -- Continue to next step.

3. CONNECT CONNECTOR

(a) Reconnect the ECM connector (A55) to the ECM.

NEXT -- Continue to next step.

4. CHECK CAN MAIN BUS LINE FOR DISCONNECTION

(a) Disconnect the CAN main bus line connector (A56) from the CAN J/C B side (without earth terminal).





NOTICE:
* Before disconnecting the connector, make a note of where it is connected.
* Reconnect the connector to its original position.
(b) Measure the resistance according to the value(s) in the table below.

Resistance:





NG -- REPAIR OR REPLACE CAN BUS MAIN WIRE OR CONNECTOR (D50-D41)
OK -- Continue to next step.

5. CONNECT CONNECTOR

(a) Reconnect the CAN main bus line connector (A56) to the CAN J/C B side (without earth terminal).

NEXT -- Continue to next step.

6. CHECK CAN MAIN BUS LINE FOR DISCONNECTION (CAN J/C)

(a) Turn the ignition switch off.





(b) Disconnect the skid control ECU connector (A34).

(c) Measure the resistance according to the value(s) in the table below.

Resistance:





NG -- CONNECT CONNECTOR

OK -- REPLACE SKID CONTROL ECU WITH ACTUATOR

7. CONNECT CONNECTOR

(a) Reconnect the skid control ECU connector (A34) to the skid control ECU.

NEXT -- Continue to next step.

8. CHECK CAN MAIN BUS LINE FOR DISCONNECTION

(a) Disconnect the CAN main bus line connector (A44) from the J/C B side (without earth terminal).





NOTICE:
* Before disconnecting the connector, make a note of where it is connected.
* Reconnect the connector to its original position.
(b) Measure the resistance according to the value(s) in the table below.

Resistance:





NG -- REPAIR OR REPLACE CAN BUS MAIN WIRE OR CONNECTOR (D44-A34)

OK -- REPLACE JUNCTION CONNECTOR