Curiosii for ever!: Car repair manuals for everyone.

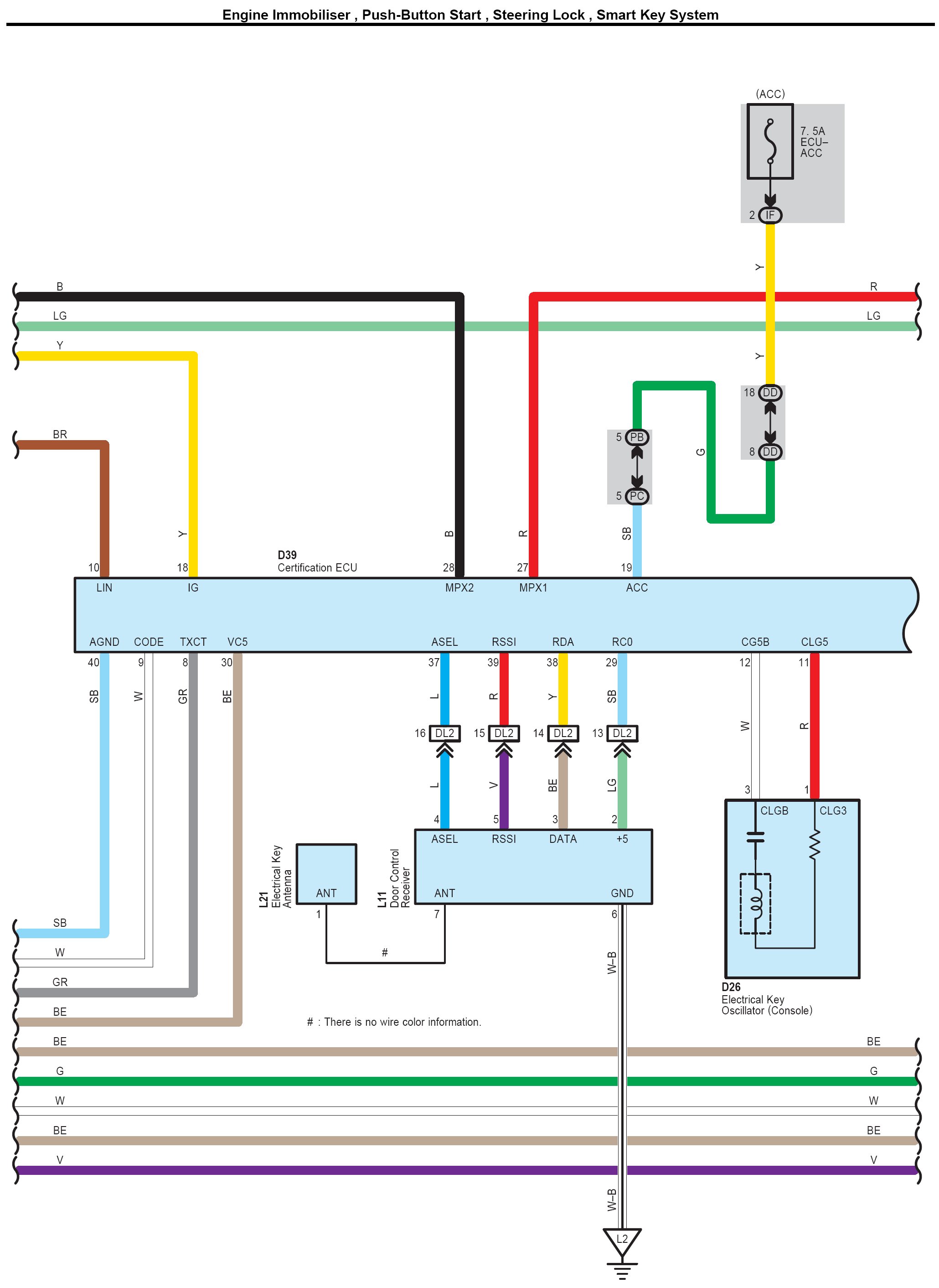
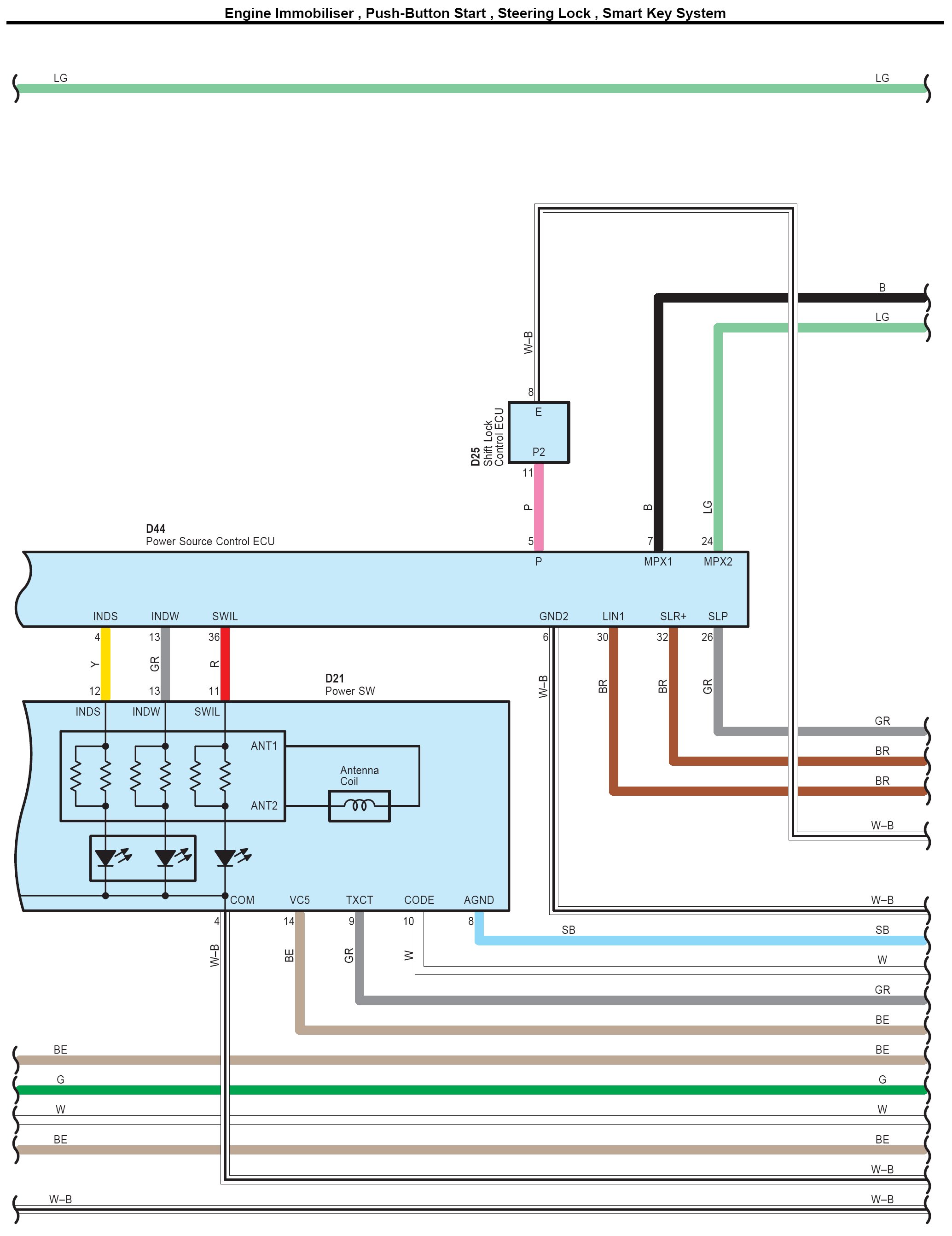
Engine Immobiliser, Push-Button Start, Steering Lock, Smart Key System

Engine Immobiliser, Push-Button Start, Steering Lock, Smart Key System Part 1:




Engine Immobiliser, Push-Button Start, Steering Lock, Smart Key System Part 2:




Engine Immobiliser, Push-Button Start, Steering Lock, Smart Key System Part 3:




Engine Immobiliser, Push-Button Start, Steering Lock, Smart Key System Part 4:




Engine Immobiliser, Push-Button Start, Steering Lock, Smart Key System Part 5:




Engine Immobiliser, Push-Button Start, Steering Lock, Smart Key System Part 6:




Engine Immobiliser, Push-Button Start, Steering Lock, Smart Key System Part 7:




Engine Immobiliser, Push-Button Start, Steering Lock, Smart Key System Part 8:




Engine Immobiliser, Push-Button Start, Steering Lock, Smart Key System Part 9:




Engine Immobiliser, Push-Button Start, Steering Lock, Smart Key System Part 10:




Connectors Part 1:




Connectors Part 2:




Connectors Part 3:




Connectors Part 4:




Connectors Part 5:




Connectors Part 6:






Locations: The locations of components, connectors, ground points, and splices referred to within these diagrams can be found at Vehicle Locations. Locations