Curiosii for ever!: Car repair manuals for everyone.

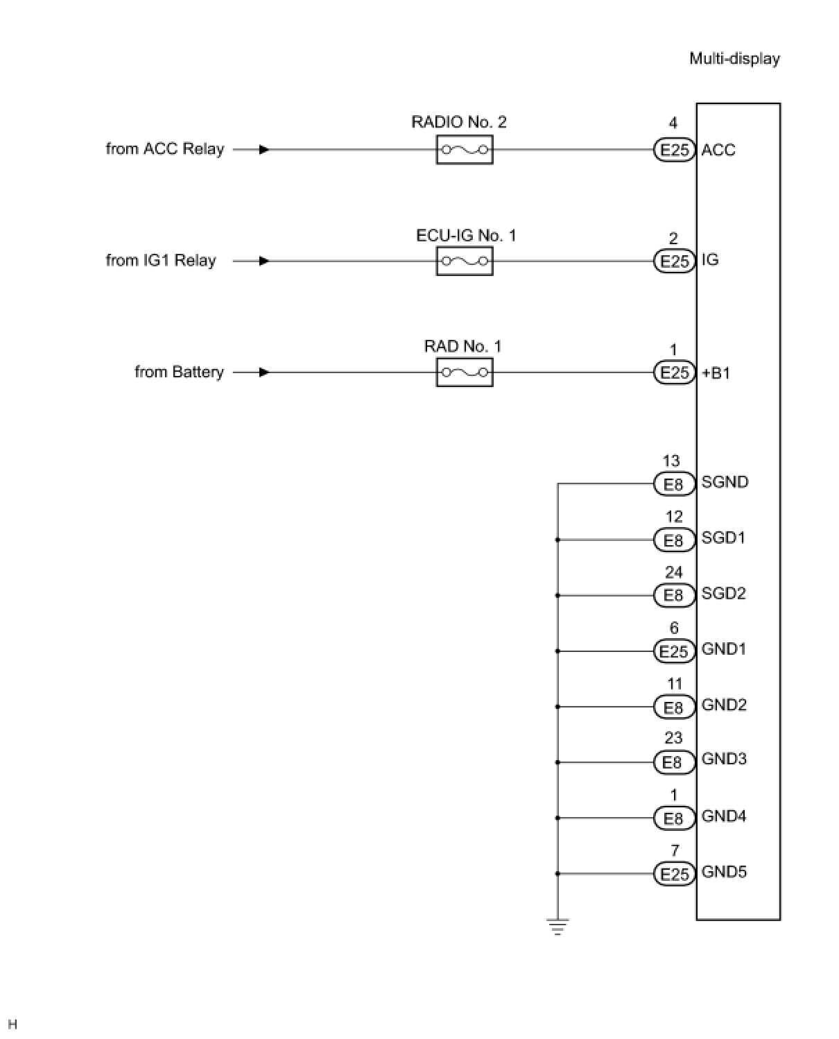
Multi-Display Power Source Circuit





NAVIGATION: NAVIGATION SYSTEM: Multi-display Power Source Circuit
- Multi-display Power Source Circuit

DESCRIPTION

This is the power source circuit to operate the multi-display.

WIRING DIAGRAM





INSPECTION PROCEDURE

PROCEDURE

1. INSPECT MULTI-DISPLAY

(a) Disconnect the multi-display connectors E25 and E8.





(b) Measure the resistance according to the value(s) in the table below.

Standard resistance:





(c) Measure the voltage according to the value(s) in the table below.

Standard voltage:





NG -- REPAIR OR REPLACE HARNESS OR CONNECTOR

OK -- PROCEED TO NEXT CIRCUIT INSPECTION SHOWN IN PROBLEM SYMPTOMS TABLE