Curiosii for ever!: Car repair manuals for everyone.

Open In CAN Main Wire








CAN COMMUNICATION: CAN COMMUNICATION SYSTEM: Open in CAN Main Wire

Open in CAN Main Wire

DESCRIPTION

There may be an open circuit in the CAN main wire and/or the DLC3 branch wire when the resistance between terminals 6 (CANH) and 14 (CANL) of the DLC3 is 69 Ohms or higher.






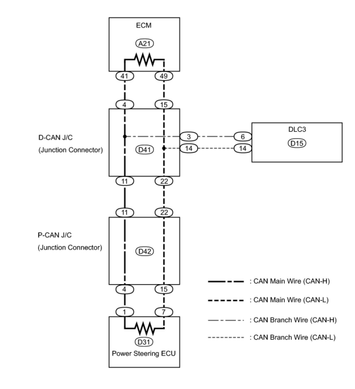
WIRING DIAGRAM





INSPECTION PROCEDURE
NOTICE:
- Turn the ignition switch off before measuring the resistances of the CAN main wire and the CAN branch wire.
- After the ignition switch is turned off, check that the key reminder warning system and light reminder warning system are not in operation.
- Before measuring the resistance, leave the vehicle as is for at least 1 minute and do not operate the ignition switch, any other switches or the doors. If doors need to be opened in order to check connectors, open the doors and leave them open.
HINT: Operating the ignition switch, any switches or any doors triggers related ECU and sensor communication with the CAN, which causes resistance variation.

PROCEDURE

1. CHECK DLC3




(a) Turn the ignition switch off.
(b) Measure the resistance according to the value(s) in the table below.
Standard Resistance:





NOTE: When the measured value is 132 Ohms or higher and a CAN communication system diagnostic trouble code is output, there may be a fault besides disconnection of the DLC3 branch wire. For that reason, troubleshooting should be performed again from "How to Proceed with Troubleshooting" How to Proceed With Troubleshooting after repairing the trouble area.

NG -- REPAIR OR REPLACE CAN BRANCH WIRE CONNECTED TO DLC3 (CAN-H, CAN-L)
OK -- Continue to next step.
2. CHECK CAN MAIN WIRE FOR DISCONNECTION (D-CAN SIDE)




(a) Turn the ignition switch off.
(b) Disconnect the D42 P-CAN junction connector.
(c) Measure the resistance according to the value(s) in the table below.
Standard Resistance:






NG -- CONNECT CONNECTOR
OK -- Continue to next step.
3. CONNECT CONNECTOR
(a) Reconnect the P-CAN junction connector.
NEXT -- Continue to next step.
4. CHECK CAN MAIN WIRE FOR DISCONNECTION (POWER STEERING ECU)




(a) Turn the ignition switch off.
(b) Disconnect the D31 power steering ECU connector.
(c) Measure the resistance according to the value(s) in the table below.
Standard Resistance:






Result





C -- REPLACE POWER STEERING ECU
B -- REPLACE POWER STEERING ECU
A -- Continue to next step.
5. CONNECT CONNECTOR
(a) Reconnect the power steering ECU connector.
NEXT -- Continue to next step.
6. CHECK CAN MAIN WIRE FOR DISCONNECTION (P-CAN J/C - POWER STEERING ECU)




(a) Turn the ignition switch off.
(b) Disconnect the D42 P-CAN junction connector.
(c) Measure the resistance according to the value(s) in the table below.
Standard Resistance:






NG -- REPAIR OR REPLACE CAN MAIN WIRE OR CONNECTOR (P-CAN J/C - POWER STEERING ECU (CAN-H, CAN-L))
OK -- REPLACE P-CAN JUNCTION CONNECTOR
7. CONNECT CONNECTOR
(a) Reconnect the P-CAN junction connector.
NEXT -- Continue to next step.
8. CHECK CAN MAIN WIRE FOR DISCONNECTION (ECM)




(a) Turn the ignition switch off.
(b) Disconnect the A21 ECM connector.
(c) Measure the resistance according to the value(s) in the table below.
Standard Resistance:






NG -- CONNECT CONNECTOR
OK -- REPLACE ECM
9. CONNECT CONNECTOR
(a) Reconnect the ECM connector.
NEXT -- Continue to next step.
10. CHECK CAN MAIN WIRE FOR DISCONNECTION (D-CAN J/C - ECM)




(a) Turn the ignition switch off.
(b) Disconnect the D41 D-CAN junction connector.
(c) Measure the resistance according to the value(s) in the table below.
Standard Resistance:






NG -- REPAIR OR REPLACE CAN MAIN WIRE OR CONNECTOR (D-CAN J/C - ECM (CAN-H, CAN-L))
OK -- Continue to next step.
11. CHECK CAN MAIN WIRE FOR DISCONNECTION (D-CAN J/C - P-CAN J/C)




(a) Turn the ignition switch off.
(b) Disconnect the D41 D-CAN junction connector.
(c) Measure the resistance according to the value(s) in the table below.
Standard Resistance:






NG -- REPAIR OR REPLACE CAN MAIN WIRE OR CONNECTOR (D-CAN J/C - P-CAN J/C (CAN-H, CAN-L))
OK -- REPLACE D-CAN JUNCTION CONNECTOR