Curiosii for ever!: Car repair manuals for everyone.

Power Source Circuit








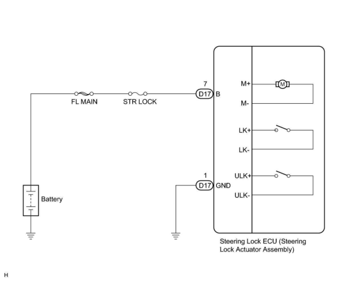
STEERING COLUMN: STEERING LOCK SYSTEM: Power Source Circuit

Power Source Circuit

DESCRIPTION

This circuit supplies power source voltage from the battery to terminal B of the steering lock ECU (steering lock actuator assembly). This is used as power source for the CPU, motor, communication, and peripheral circuits.

WIRING DIAGRAM





INSPECTION PROCEDURE

PROCEDURE

1. CHECK HARNESS AND CONNECTOR (STEERING LOCK ECU - BODY GROUND)




(a) Disconnect the D17 connector from the steering lock ECU (steering lock actuator assembly).
(b) Measure the resistance according to the value(s) in the table below.
Standard Resistance:





Text in Illustration





NG -- REPAIR OR REPLACE HARNESS OR CONNECTOR
OK -- Continue to next step.

2. CHECK HARNESS AND CONNECTOR (STEERING LOCK ECU - BATTERY)




(a) Measure the voltage according to the value(s) in the table below.
Standard Voltage:





Text in Illustration





NG -- REPAIR OR REPLACE HARNESS OR CONNECTOR (STEERING LOCK ECU - BATTERY)
OK -- PROCEED TO NEXT SUSPECTED AREA SHOWN IN PROBLEM SYMPTOMS TABLE