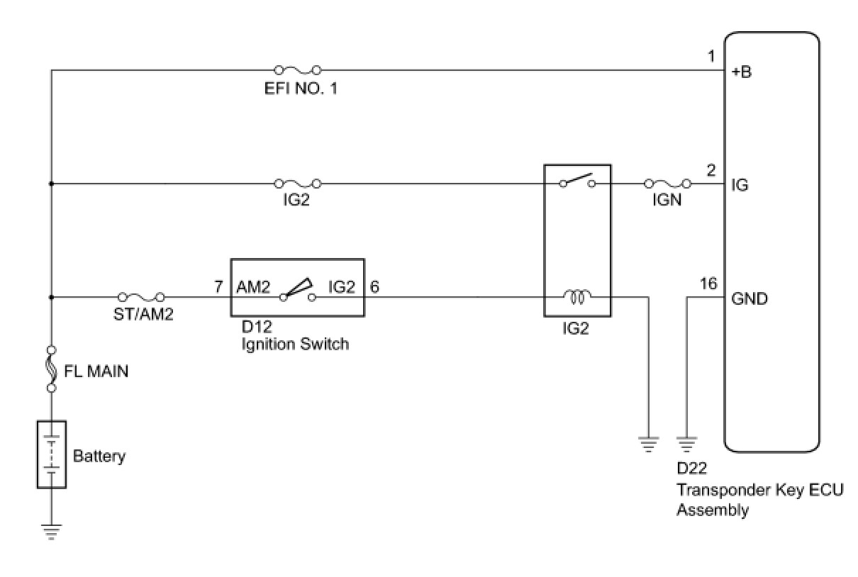
ECU Power Source Circuit
THEFT DETERRENT / KEYLESS ENTRY: ENGINE Immobilizer SYSTEM (w/o Smart Key System): ECU Power Source Circuit
ECU Power Source Circuit
DESCRIPTION
This circuit provides power to operate the transponder key ECU assembly.
WIRING DIAGRAM
INSPECTION PROCEDURE
NOTICE: If the transponder key ECU assembly is replaced, register the key and ECU communication ID Engine Immobiliser System (W/O Smart Key System).
PROCEDURE
1. CHECK HARNESS AND CONNECTOR (TRANSPONDER KEY ECU - BATTERY AND BODY GROUND)
(a) Disconnect the transponder key ECU assembly connector.
(b) Measure the voltage and resistance according to the value(s) in the table below.
Standard Voltage:
Standard Resistance:
Text in Illustration
NG -- REPAIR OR REPLACE HARNESS OR CONNECTOR, OR REPLACE FUSE
OK -- PROCEED TO NEXT SUSPECTED AREA SHOWN IN PROBLEM SYMPTOMS TABLE