Curiosii for ever!: Car repair manuals for everyone.

ACIS Control Circuit








2GR-FE ENGINE CONTROL: SFI SYSTEM: ACIS Control Circuit

ACIS Control Circuit

DESCRIPTION

This circuit opens and closes the intake air control valve assembly in response to changes in the engine load in order to increase the intake efficiency using the acoustic control induction system.
When the engine speed is between 0 and 4450 rpm and the throttle valve opening angle is 60° or more, the ECM supplies current to the actuator (on status), to close the intake air control valve assembly. Under other conditions, the actuator is usually off and the intake air control valve assembly is open.





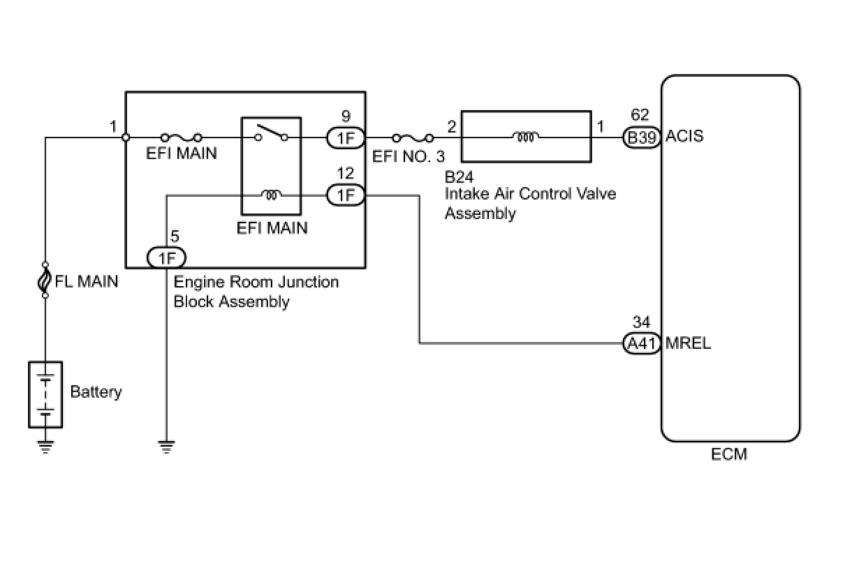
WIRING DIAGRAM





INSPECTION PROCEDURE
NOTICE: Inspect the fuses for circuits related to this system before performing the following inspection procedure.

PROCEDURE

1. PERFORM ACTIVE TEST USING TECHSTREAM (ACTIVATE THE VSV FOR INTAKE CONTROL)
(a) Connect the Techstream to the DLC3.
(b) Turn the ignition switch to ON.
(c) Turn the Techstream on.
(d) Enter the following menus: Powertrain / Engine / Active Test / Activate the VSV for Intake Control.
(e) Check if operating noise can be heard when operating the intake air control valve assembly using the Techstream.
OK:
Operating noise can be heard.

NG -- CHECK INTAKE AIR SURGE TANK ASSEMBLY (INTAKE AIR CONTROL VALVE ASSEMBLY OPERATION)
OK -- PROCEED TO NEXT SUSPECTED AREA SHOWN IN PROBLEM SYMPTOMS TABLE
2. CHECK INTAKE AIR SURGE TANK ASSEMBLY (INTAKE AIR CONTROL VALVE ASSEMBLY OPERATION)




(a) Disconnect the intake air control valve assembly connector.
(b) Apply battery voltage between the terminals of the intake air control valve assembly connector.

Text in Illustration





(c) Check the intake air control valve assembly operation.
OK:
Operating noise can be heard.
(d) Reconnect the intake air control valve assembly connector.

NG -- REPLACE INTAKE AIR SURGE TANK ASSEMBLY
OK -- Continue to next step.

3. CHECK HARNESS AND CONNECTOR (INTAKE AIR CONTROL VALVE ASSEMBLY VOLTAGE)




(a) Disconnect the intake air control valve assembly connector.
(b) Turn the ignition switch to ON.
(c) Measure the voltage according to the value(s) in the table below.
Standard Voltage:





Text in Illustration





(d) Reconnect the intake air control valve assembly connector.

NG -- REPAIR OR REPLACE HARNESS OR CONNECTOR (ENGINE ROOM JUNCTION BLOCK - INTAKE AIR CONTROL VALVE)
OK -- Continue to next step.

4. CHECK HARNESS AND CONNECTOR (INTAKE AIR CONTROL VALVE ASSEMBLY - ECM)
(a) Disconnect the intake air control valve assembly connector.




(b) Disconnect the ECM connector.
(c) Measure the resistance according to the value(s) in the table below.
Standard Resistance (Check for Open):





Standard Resistance (Check for Short):





Text in Illustration





(d) Reconnect the intake air control valve assembly connector.
(e) Reconnect the ECM connector.

NG -- REPAIR OR REPLACE HARNESS OR CONNECTOR (INTAKE AIR CONTROL VALVE ASSEMBLY - ECM)
OK -- REPLACE ECM