Curiosii for ever!: Car repair manuals for everyone.

Integration Relay








POWER DISTRIBUTION: INTEGRATION RELAY: INSPECTION

INSPECTION

1. INSPECT INTEGRATION RELAY
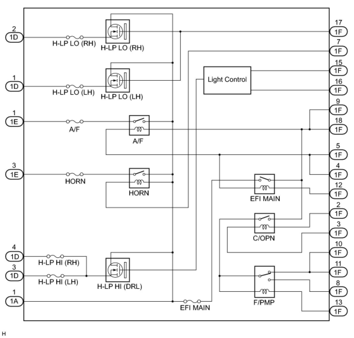
(a) Inner circuit (for 2GR-FE)








(1) for EFI MAIN relay
1. Measure the resistance according to the value(s) in the table below.

Standard Resistance:





Text in Illustration





HINT: If the result is not as specified, replace the integration relay.




(2) for A/F relay
1. Measure the resistance according to the value(s) in the table below.

Standard Resistance:





Text in Illustration





HINT: If the result is not as specified, replace the integration relay.




(3) for F/PMP relay (for AWD)
1. Measure the resistance according to the value(s) in the table below.

Standard Resistance:





Text in Illustration





HINT: If the result is not as specified, replace the integration relay.




(4) for C/OPN relay
1. Measure the resistance according to the value(s) in the table below.

Standard Resistance:





Text in Illustration





HINT: If the result is not as specified, replace the integration relay.




(5) for HORN relay
1. Measure the voltage according to the value(s) in the table below.

Standard Voltage:





Text in Illustration





HINT: If the result is not as specified, replace the integration relay.
(6) for H-LP LO (LH) relay
1. Measure the voltage according to the value(s) in the table below.





Standard Voltage:





Text in Illustration





HINT: If the result is not as specified, replace the integration relay.
(7) for H-LP LO (RH) relay
1. Measure the voltage according to the value(s) in the table below.





Standard Voltage:





Text in Illustration





HINT: If the result is not as specified, replace the integration relay.
(8) for H-LP HI (DRL) relay
1. for Halogen headlight
1. Measure the voltage according to the value(s) in the table below.





Standard Voltage:





1. for HID headlight
1. Measure the voltage according to the value(s) in the table below.
Standard Voltage:





Text in Illustration





HINT: If the result is not as specified, replace the integration relay.

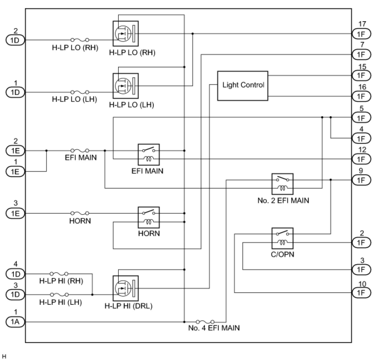
(b) Inner circuit (for 1AR-FE)








(1) for No. 2 EFI MAIN relay
1. Measure the resistance according to the value(s) in the table below.

Standard Resistance:





Text in Illustration





HINT: If the result is not as specified, replace the integration relay.




(2) for EFI MAIN relay
1. Measure the resistance according to the value(s) in the table below.

Standard Resistance:





Text in Illustration





HINT: If the result is not as specified, replace the integration relay.




(3) for C/OPN relay
1. Measure the resistance according to the value(s) in the table below.

Standard Resistance:





Text in Illustration





HINT: If the result is not as specified, replace the integration relay.




(4) for HORN relay
1. Measure the voltage according to the value(s) in the table below.

Standard Voltage:





Text in Illustration





HINT: If the result is not as specified, replace the integration relay.
(5) for H-LP LO (LH) relay
1. Measure the voltage according to the value(s) in the table below.





Standard Voltage:





Text in Illustration





HINT: If the result is not as specified, replace the integration relay.
(6) for H-LP LO (RH) relay
1. Measure the voltage according to the value(s) in the table below.





Standard Voltage:





Text in Illustration





HINT: If the result is not as specified, replace the integration relay.
(7) for H-LP HI (DRL) relay
1. for Halogen headlight
1. Measure the voltage according to the value(s) in the table below.





Standard Voltage:





1. for HID headlight
1. Measure the voltage according to the value(s) in the table below.
Standard Voltage:





Text in Illustration





HINT: If the result is not as specified, replace the integration relay.