Curiosii for ever!: Car repair manuals for everyone.

Component Tests and General Diagnostics








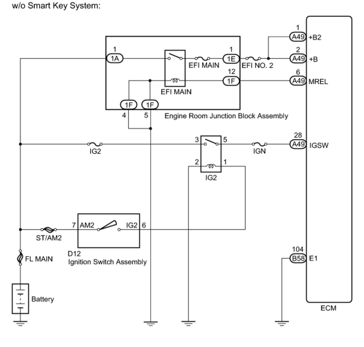
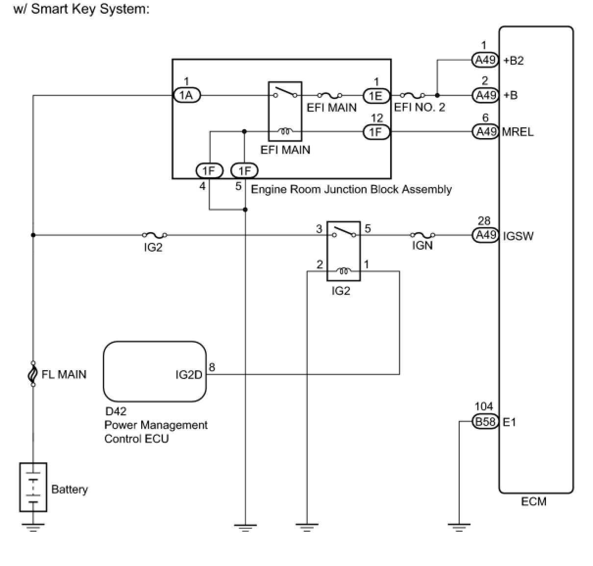
1AR-FE ENGINE CONTROL: SFI SYSTEM: ECM Power Source Circuit

ECM Power Source Circuit

DESCRIPTION

When the ignition switch is turned to ON, the battery voltage is applied to IGSW of the ECM. The output signal from the MREL terminal of the ECM causes a current to flow to the coil, closing the contact of the engine room junction block assembly (EFI MAIN relay) and supplying power to terminals +B and +B2 of the ECM.

WIRING DIAGRAM









INSPECTION PROCEDURE
NOTICE: Inspect the fuses for circuits related to this system before performing the following inspection procedure.

PROCEDURE

1. CHECK HARNESS AND CONNECTOR (ECM - BODY GROUND)




(a) Disconnect the ECM connector.
(b) Measure the resistance according to the value(s) in the table below.
Standard Resistance (Check for Open):





Text in Illustration





(c) Reconnect the ECM connector.

NG -- REPAIR OR REPLACE HARNESS OR CONNECTOR (ECM - BODY GROUND)
OK -- Continue to next step.

2. INSPECT ECM (IGSW VOLTAGE)




(a) Disconnect the ECM connector.
(b) Turn the ignition switch to ON.
(c) Measure the voltage according to the value(s) in the table below.
Standard Voltage:





Text in Illustration





(d) Reconnect the ECM connector.

NG -- INSPECT RELAY (IG2 RELAY)
OK -- Continue to next step.

3. INSPECT ENGINE ROOM JUNCTION BLOCK ASSEMBLY (EFI MAIN RELAY)




(a) Remove the engine room junction block assembly from the engine room relay block.
(b) Disconnect the engine room junction block assembly connector.
(c) Measure the resistance according to the value(s) in the table below.
Standard Resistance:





Text in Illustration





(d) Reconnect the engine room junction block assembly connector.
(e) Reinstall the engine room junction block assembly.

NG -- REPLACE ENGINE ROOM JUNCTION BLOCK ASSEMBLY
OK -- Continue to next step.

4. CHECK HARNESS AND CONNECTOR (ENGINE ROOM JUNCTION BLOCK ASSEMBLY - ECM)
(a) Remove the engine room junction block assembly from the engine room relay block.




(b) Disconnect the engine room junction block assembly connector.
(c) Disconnect the ECM connector.
(d) Measure the resistance according to the value(s) in the table below.
Standard Resistance (Check for Open):





Standard Resistance (Check for Short):





Text in Illustration





(e) Reconnect the ECM connector.
(f) Reconnect the engine room junction block assembly connector.
(g) Reinstall the engine room junction block assembly.

NG -- REPAIR OR REPLACE HARNESS OR CONNECTOR (ENGINE ROOM JUNCTION BLOCK ASSEMBLY- ECM)
OK -- Continue to next step.

5. CHECK HARNESS AND CONNECTOR (ENGINE ROOM JUNCTION BLOCK ASSEMBLY - BODY GROUND)
(a) Remove the engine room junction block assembly from the engine room relay block.




(b) Disconnect the engine room junction block assembly connector.
(c) Measure the resistance according to the value(s) in the table below.
Standard Resistance:





Text in Illustration





(d) Reconnect the engine room junction block assembly connector.
(e) Reinstall the engine room junction block assembly.

NG -- REPAIR OR REPLACE HARNESS OR CONNECTOR (ENGINE ROOM JUNCTION BLOCK ASSEMBLY - BODY GROUND)
OK -- REPAIR OR REPLACE HARNESS OR CONNECTOR (ENGINE ROOM JUNCTION BLOCK ASSEMBLY - BATTERY)
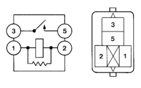
6. INSPECT RELAY (IG2 RELAY)




(a) Remove the IG2 relay from the engine room relay block.
(b) Measure the resistance according to the value(s) in the table below.
Standard Resistance:





(c) Reinstall the IG2 relay.

NG -- REPLACE RELAY (IG2 RELAY)
OK -- Continue to next step.

7. CHECK HARNESS AND CONNECTOR (IG2 RELAY - ECM)
(a) Remove the IG2 relay from the engine room relay block.




(b) Disconnect the ECM connector.
(c) Measure the resistance according to the value(s) in the table below.
Standard Resistance (Check for Open):





Standard Resistance (Check for Short):





Text in Illustration





(d) Reinstall the IG2 relay.
(e) Reconnect the ECM connector.

NG -- REPAIR OR REPLACE HARNESS OR CONNECTOR (IG2 RELAY - ECM)
OK -- Continue to next step.

8. CHECK HARNESS AND CONNECTOR (IG2 RELAY POWER SOURCE)




(a) Remove the IG2 relay from the engine room relay block.
(b) Measure the voltage according to the value(s) in the table below.
Standard Voltage:





Text in Illustration





(c) Reinstall the IG2 relay.

NG -- REPAIR OR REPLACE HARNESS OR CONNECTOR (IG2 RELAY - BATTERY)
OK -- Continue to next step.

9. CHECK HARNESS AND CONNECTOR (IG2 RELAY - BODY GROUND)




(a) Remove the IG2 relay from the engine room relay block.
(b) Measure the resistance according to the value(s) in the table below.
Standard Resistance:





Text in Illustration





Result:





(c) Reinstall the IG2 relay.
C -- REPAIR OR REPLACE HARNESS OR CONNECTOR (IG2 RELAY - BODY GROUND)
B -- CHECK HARNESS AND CONNECTOR (IG2 RELAY - POWER MANAGEMENT CONTROL ECU)
A -- Continue to next step.

10. CHECK HARNESS AND CONNECTOR (IG2 RELAY - IGNITION SWITCH ASSEMBLY)
(a) Remove the IG2 relay from the engine room relay block.




(b) Disconnect the ignition switch assembly connector.
(c) Measure the resistance according to the value(s) in the table below.
Standard Resistance (Check for Open):





Standard Resistance (Check for Short):





Text in Illustration





(d) Reinstall the IG2 relay.
(e) Reconnect the ignition switch assembly connector.

NG -- REPAIR OR REPLACE HARNESS OR CONNECTOR (IG2 RELAY - IGNITION SWITCH ASSEMBLY)
OK -- Continue to next step.

11. INSPECT IGNITION SWITCH ASSEMBLY




(a) Disconnect the ignition switch assembly connector.
(b) Measure the resistance according to the value(s) in the table below.
Standard Resistance:





Text in Illustration





(c) Reconnect the ignition switch assembly connector.

NG -- REPLACE IGNITION SWITCH ASSEMBLY
OK -- REPAIR OR REPLACE HARNESS OR CONNECTOR (IGNITION SWITCH ASSEMBLY - BATTERY)
12. CHECK HARNESS AND CONNECTOR (IG2 RELAY - POWER MANAGEMENT CONTROL ECU)
(a) Disconnect the power management control ECU connector.




(b) Remove the IG2 relay from the engine room relay block.
(c) Measure the resistance according to the value(s) in the table below.
Standard Resistance (Check for Open):





Standard Resistance (Check for Short):





Text in Illustration





(d) Reconnect the power management control ECU connector.
(e) Reinstall the IG2 relay.

NG -- REPAIR OR REPLACE HARNESS OR CONNECTOR (IG2 RELAY - POWER MANAGEMENT CONTROL ECU)
OK -- GO TO SMART KEY SYSTEM