Curiosii for ever!
: Car repair manuals for everyone.
Home
>>
Toyota
>>
2009
>>
Venza AWD L4-2.7L (1AR-FE)
>>
Repair and Diagnosis
>>
Powertrain Management
>>
Computers and Control Systems
>>
Description and Operation
Computers and Control Systems: Description and Operation
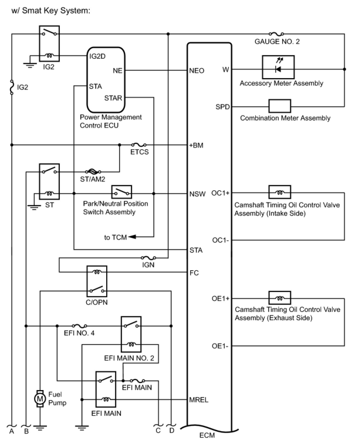
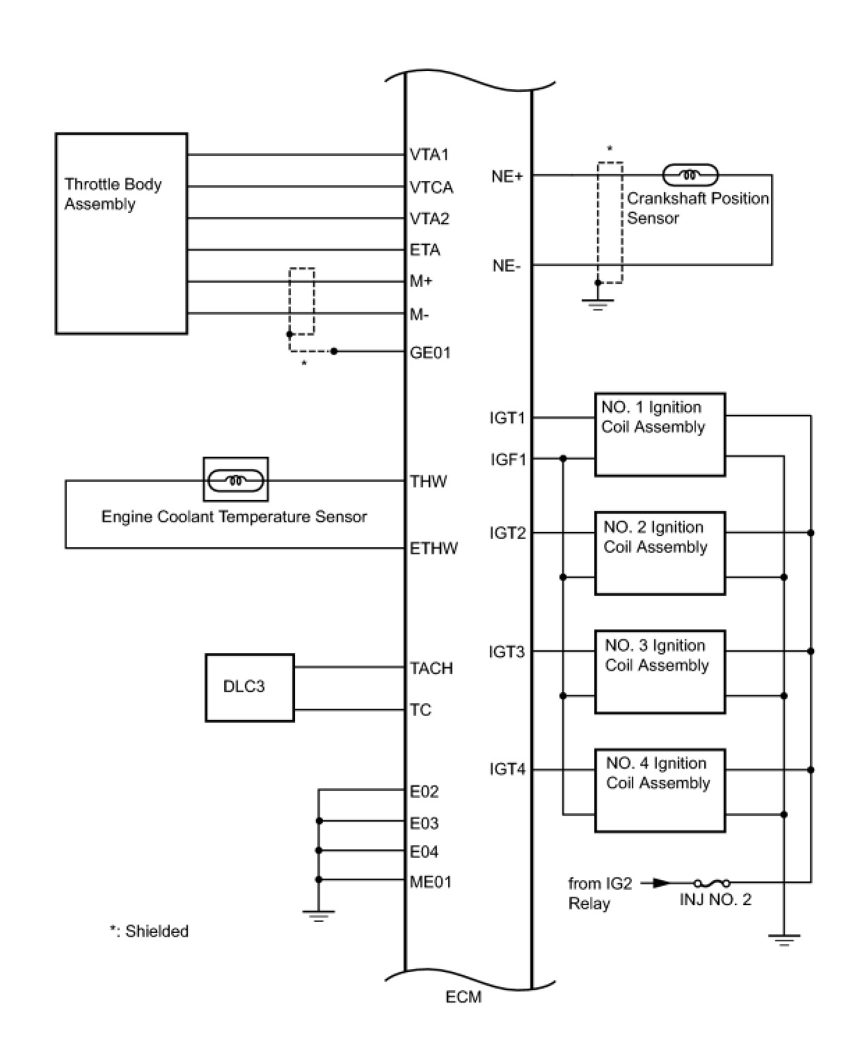
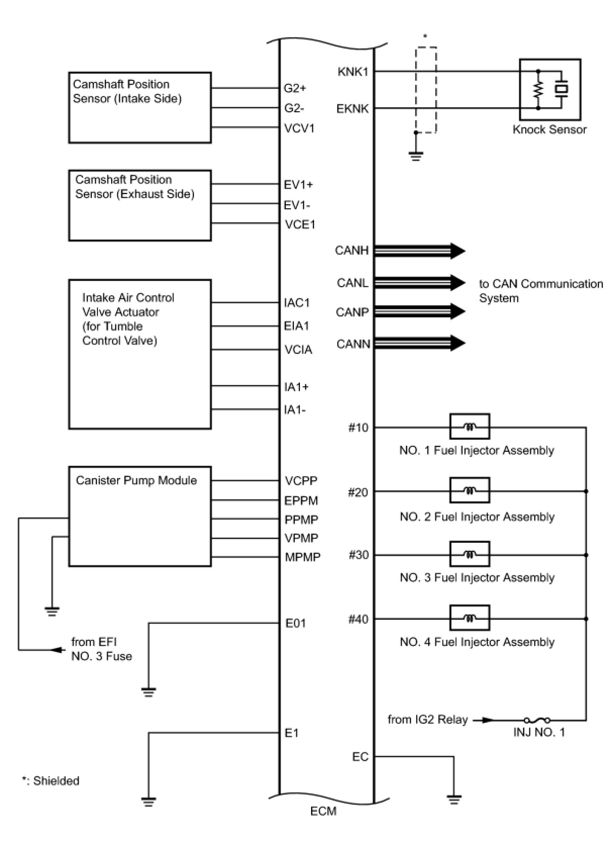
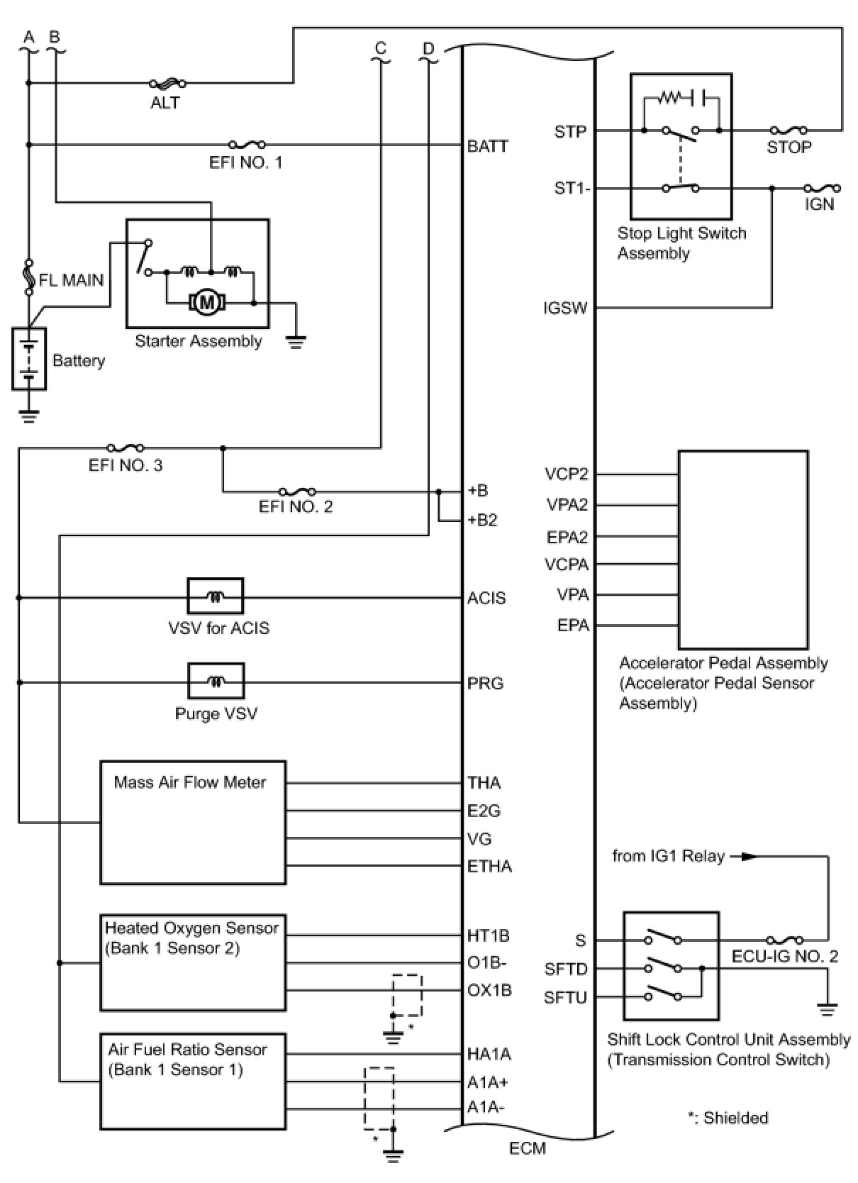
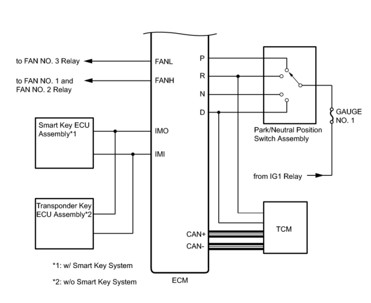
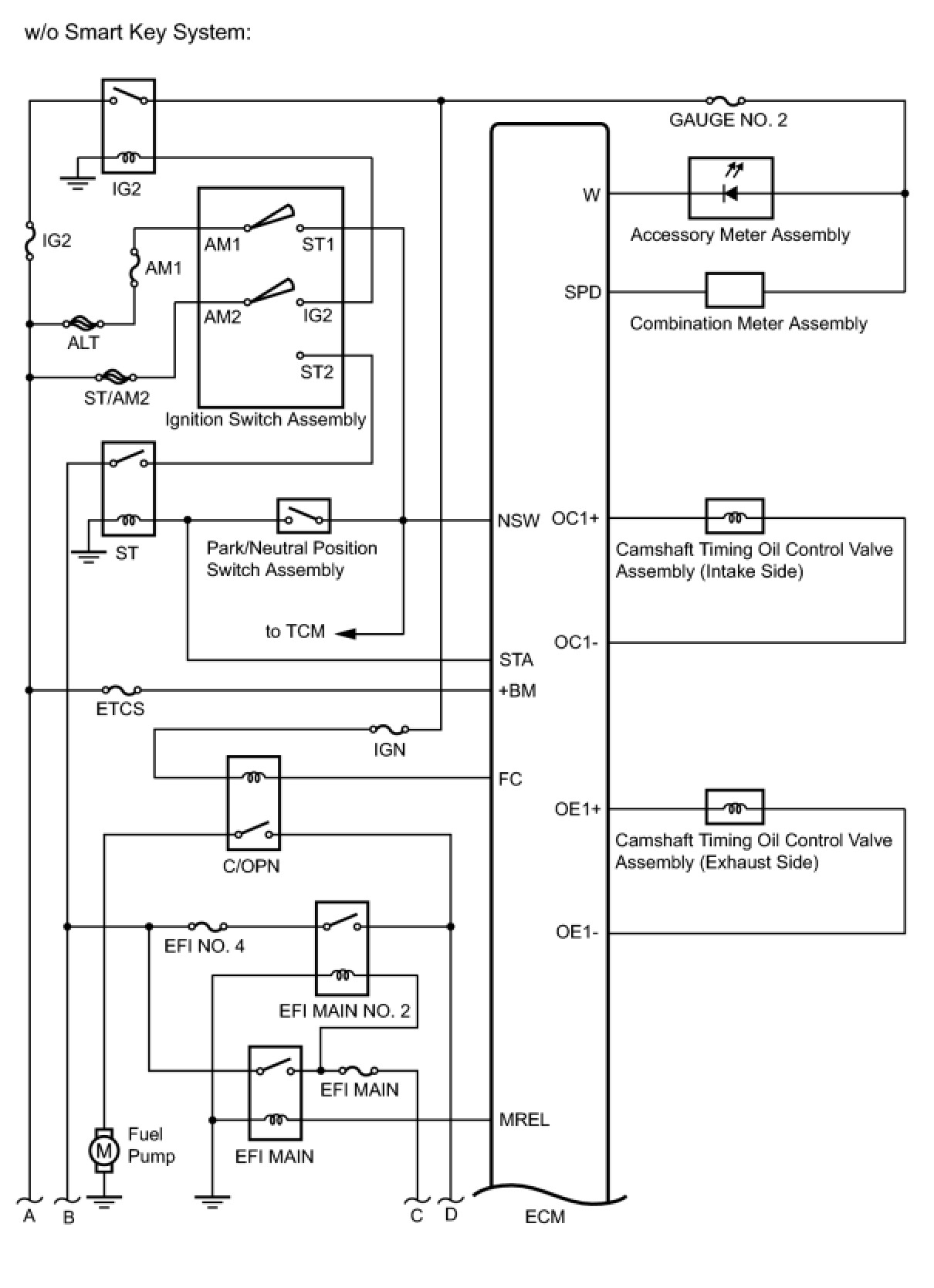
1AR-FE ENGINE CONTROL: SFI SYSTEM: SYSTEM DIAGRAM
SYSTEM DIAGRAM