Curiosii for ever!
: Car repair manuals for everyone.
Home
>>
Toyota
>>
2009
>>
Venza AWD L4-2.7L (1AR-FE)
>>
Repair and Diagnosis
>>
Power and Ground Distribution
>>
Power Distribution Relay
>>
Locations
>>
Starting System
Starting System
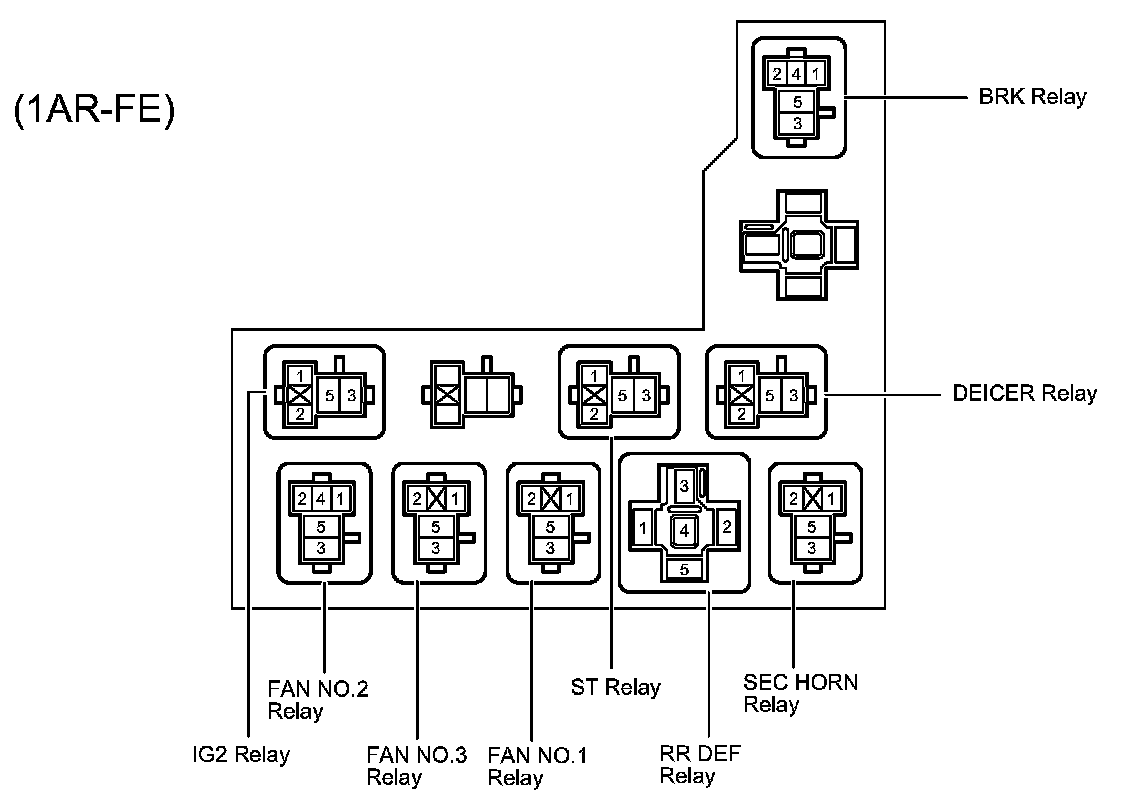
1AR-FE STARTING: STARTING SYSTEM: PARTS LOCATION
PARTS LOCATION
ILLUSTRATION
Driver Side J/B Assembly - Lower Finish Panel:
Engine Room R/B, J/B - Front Fender Apron LH:
Engine Room R/B, J/B - Front Fender Apron LH: