Starter Relay: Testing and Inspection
2AZ-FE STARTING: RELAY: ON-VEHICLE INSPECTION
ON-VEHICLE INSPECTION
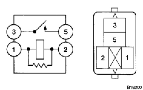
1. INSPECT STARTER RELAY
(a) Check the resistance.
(1) Using an ohmmeter, measure the resistance between the terminals.
Standard Resistance:
If the result is not as specified, replace the relay.
2. INSPECT ACC RELAY
(a) Check the resistance.
(1) Using an ohmmeter, measure the resistance between the terminals.
Standard Resistance:
If the result is not as specified, replace the relay.