Curiosii for ever!: Car repair manuals for everyone.

Removal








POWER ASSIST SYSTEMS: POWER STEERING ECU (for 2AZ-FE): REMOVAL

REMOVAL

1. PRECAUTION
HINT: Upper Instrument Panel.

2. PLACE FRONT WHEELS FACING STRAIGHT AHEAD
3. REMOVE UPPER INSTRUMENT PANEL SUB-ASSEMBLY
HINT: Removal.

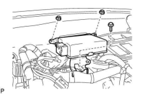
4. REMOVE POWER STEERING ECU ASSEMBLY





(a) Separate the wire harness clamp from the power steering ECU assembly.
(b) Disconnect the connector from the power steering ECU assembly.
HINT: As shown in the illustration, pull out the lock of the lock lever and turn the lock lever to disconnect the connector.





(c) Disconnect the 3 connectors from the power steering ECU assembly.





(d) Remove the bolt, 2 nuts, and the power steering ECU assembly.