Curiosii for ever!: Car repair manuals for everyone.

Transmission Control Switch Circuit








U250E AUTOMATIC TRANSMISSION / TRANSAXLE: AUTOMATIC TRANSAXLE SYSTEM: Transmission Control Switch Circuit

Transmission Control Switch Circuit

DESCRIPTION

When moving the shift lever into the S position using the transmission control switch, it is possible to switch the shift range position between "1" (first range) and "5" (fifth range).
Shifting up "+" once raises one shift range position, and shifting down "-" lowers one shift range position.

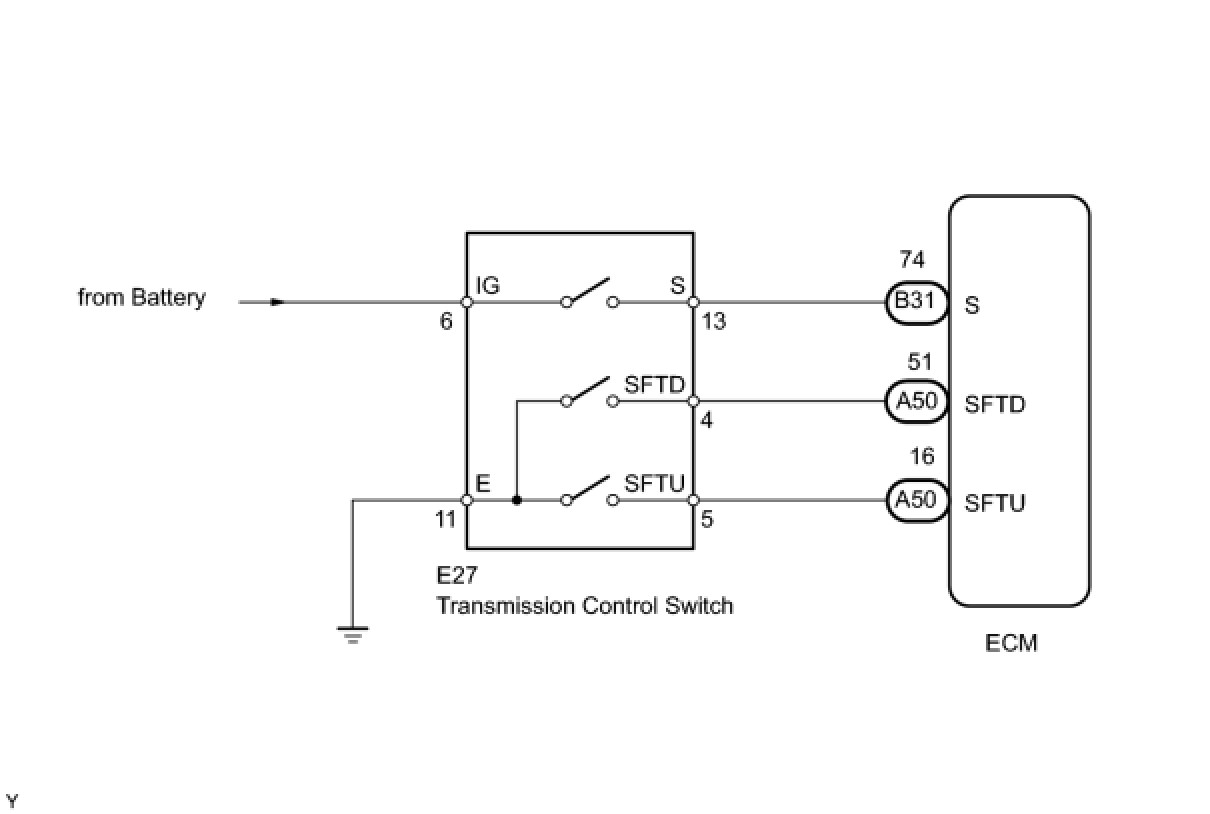
WIRING DIAGRAM





INSPECTION PROCEDURE

PROCEDURE

1. CHECK HARNESS AND CONNECTOR (BATTERY - TRANSMISSION CONTROL SWITCH)




(a) Disconnect the transmission control switch connector of shift lock control unit assembly.
(b) Measure the voltage according to the value(s) in the table below.
Standard voltage:






NG -- REPAIR OR REPLACE HARNESS OR CONNECTOR
OK -- Continue to next step.
2. CHECK HARNESS AND CONNECTOR (TRANSMISSION CONTROL SWITCH - BODY GROUND)




(a) Measure the resistance according to the value(s) in the table below.
Standard resistance:






NG -- REPAIR OR REPLACE HARNESS OR CONNECTOR
OK -- Continue to next step.
3. INSPECT SHIFT LOCK CONTROL UNIT (TRANSMISSION CONTROL SWITCH)




(a) Measure resistance between each terminal of shift lock control unit assembly when the shift lever is moved to each position.
Standard resistance (Check for short):






NG -- REPLACE SHIFT LOCK CONTROL UNIT (TRANSMISSION CONTROL SWITCH)
OK -- Continue to next step.
4. CHECK HARNESS AND CONNECTOR (TRANSMISSION CONTROL SWITCH - ECM)
(a) Connect the transmission control switch connector of shift lock control unit assembly.
(b) Disconnect the ECM connector.




(c) Turn the ignition switch to ON, and measure the voltage according to the value(s) in the table below when the shift lever is moved to each position.
Standard voltage:





(d) Turn the ignition switch off.




(e) Disconnect the ECM connector.
(f) Measure the resistance according to the value(s) in the table below when the shift lever is moved to each position.
Standard resistance (Check for short):






NG -- REPAIR OR REPLACE HARNESS OR CONNECTOR
OK -- PROCEED TO NEXT CIRCUIT INSPECTION SHOWN IN PROBLEM SYMPTOMS TABLE