Curiosii for ever!: Car repair manuals for everyone.

ECM Communication Stop Mode








NETWORKING: CAN COMMUNICATION SYSTEM: ECM Communication Stop Mode

ECM Communication Stop Mode

DESCRIPTION





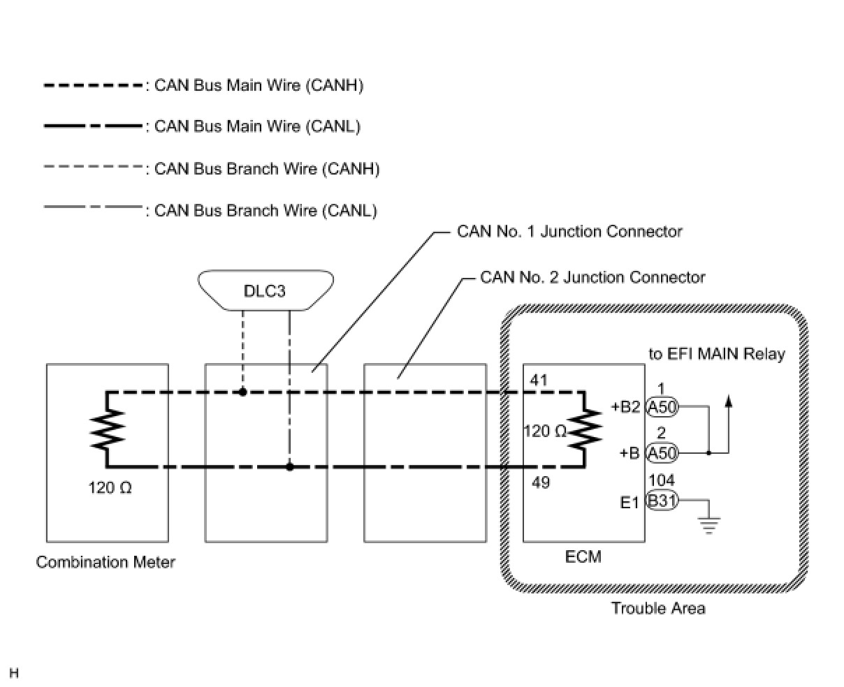
WIRING DIAGRAM





INSPECTION PROCEDURE
NOTICE:
- Turn the ignition switch off before measuring the resistance of the main CAN bus wires and the CAN Bus branch wire.
- After the ignition switch is turned off, check that the key reminder warning system and light reminder warning system are not in operation.
- Before measuring the resistance, leave the vehicle as is for at least 1 minute and do not operate the ignition switch, any other switches or the doors. If any doors need to be opened in order to check the connectors, open the doors and leave them open.
HINT:
- Operating the ignition switch, any other switches, or a door triggers related ECU and sensor communication on the CAN. This communication will cause the resistance value to change.
- Even after DTCs are cleared, if a DTC is stored again after driving the vehicle for a while, the malfunction may be occurring due to vibration of the vehicle. In such a case, wiggling the ECUs or wire harness while performing the inspection below will help determine the cause of the malfunction.

PROCEDURE

1. CHECK FOR OPEN IN CAN NO. 1 BUS MAIN WIRE (ECM MAIN WIRE)
(a) Turn the ignition switch off.




(b) Disconnect the ECM connector.
(c) Measure the resistance according to the value(s) in the table below.
Standard Resistance:






NG -- REPAIR OR REPLACE HARNESS OR CONNECTOR
OK -- Continue to next step.
2. CHECK WIRE HARNESS (POWER SOURCE CIRCUIT)
(a) Check the ECM power source circuit (ECM Power Source Circuit).
Result:






C -- REPAIR OR REPLACE HARNESS OR CONNECTOR
B -- REPLACE ECM (2AZ-FE)
A -- REPLACE ECM (2ZR-FE)