Curiosii for ever!: Car repair manuals for everyone.

Air Intake Control Circuit








2GR-FE ENGINE CONTROL SYSTEM: SFI SYSTEM: Air Intake Control Circuit

Air Intake Control Circuit

DESCRIPTION

The air cleaner is equipped with two inlets, one of which is opened or closed by the Air Intake Control Valve (AICV). This system reduces intake noise and increases engine power at low-to-high engine speeds range.
When the engine is operating in the low-to-mid speed range, this control operates the AICV to close one of the air cleaner inlets. When the engine speed is more than 3,600 rpm and the opening angle of the throttle valve is more than 60°, the ECM activates the VSV and opens the AICV.





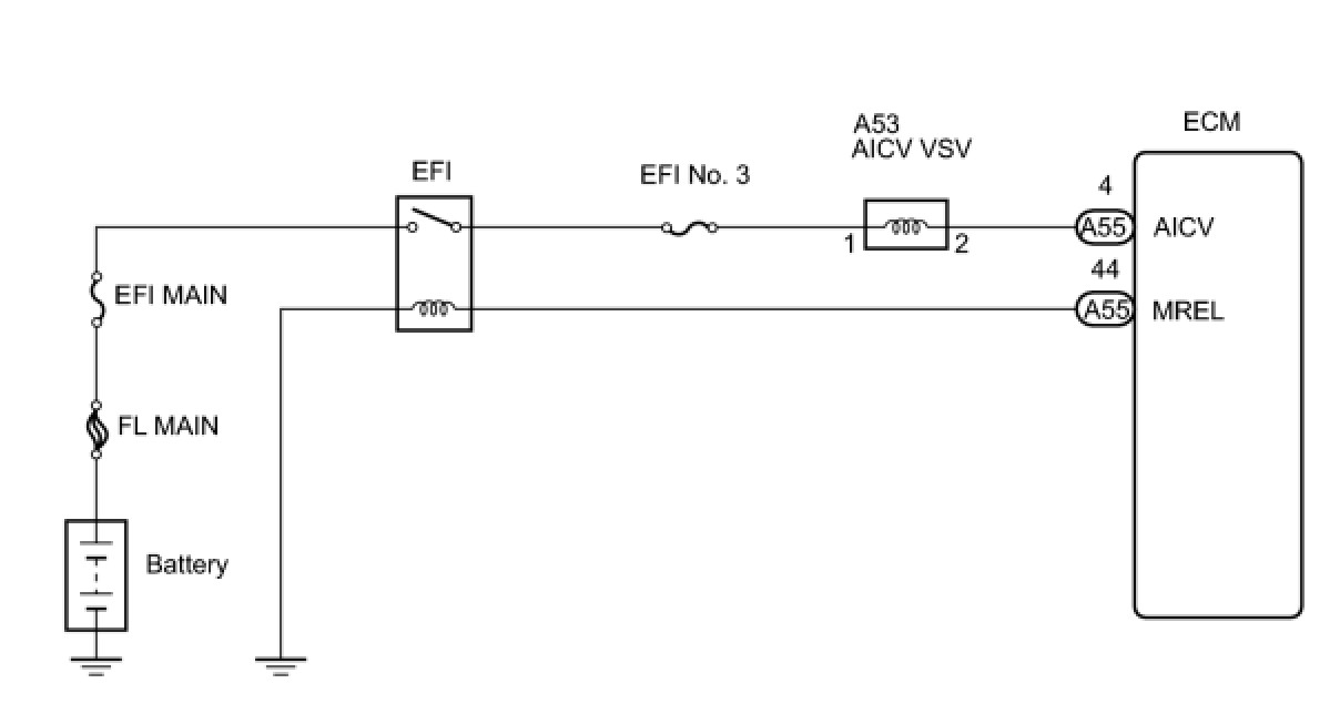
WIRING DIAGRAM





INSPECTION PROCEDURE

PROCEDURE

1. PERFORM ACTIVE TEST USING TECHSTREAM (VSV FOR AICV)




(a) Turn the ignition switch on (IG) and turn the Techstream ON.
(b) Select the following menu items: Powertrain / Engine / Active Test / Activate the VSV for AICS.
(c) Check the operation of the VSV when the VSV is operated by the Techstream.
Standard:






OK -- INSPECT VACUUM TANK
NG -- Continue to next step.
2. CHECK VSV (FOR AICV)
(a) Inspect the intake air control valve assembly Testing and Inspection.
NG -- REPLACE INTAKE AIR CONTROL VALVE ASSEMBLY
OK -- Continue to next step.
3. CHECK HARNESS AND CONNECTOR (VSV FOR AICV - ECM, VSV FOR AICV - EFI RELAY)




(a) Check the wire harness between the VSV for AICV connector and the ECM connector.
(1) Disconnect the A53 VSV for AICV connector.
(2) Disconnect the A55 ECM connector.
(3) Measure the resistance between the terminals of the wire harness side connectors and body ground.
Standard resistance (Check for open):






Standard resistance (Check for short):






(4) Reconnect the ECM connector.
(b) Check the EFI No. 3 fuse.
(1) Remove the EFI No. 3 fuse from the engine room R/B.
(2) Measure the resistance EFI No. 3 fuse.
Standard resistance:
Below 1 Ohms
(3) Reinstall the EFI No. 3 fuse.
(c) Check the wire harness between the VSV for AICV and the EFI relay.
(1) Remove the engine room junction block from the engine room R/B.
(2) Measure the resistance between the terminals of the wire harness side connectors.
Standard resistance (Check for open):






(3) Reconnect the VSV for AICV connector.
(4) Reinstall the engine room junction block.
NG -- REPAIR OR REPLACE HARNESS OR CONNECTOR
OK -- Continue to next step.
4. INSPECT VACUUM TANK
(a) Inspect the vacuum tank Inspection.
NG -- REPAIR OR REPLACE AIR CLEANER CAP
OK -- REPLACE ECM