Curiosii for ever!: Car repair manuals for everyone.

Audio System (8 Speaker W/ Navigation System), Navigation System

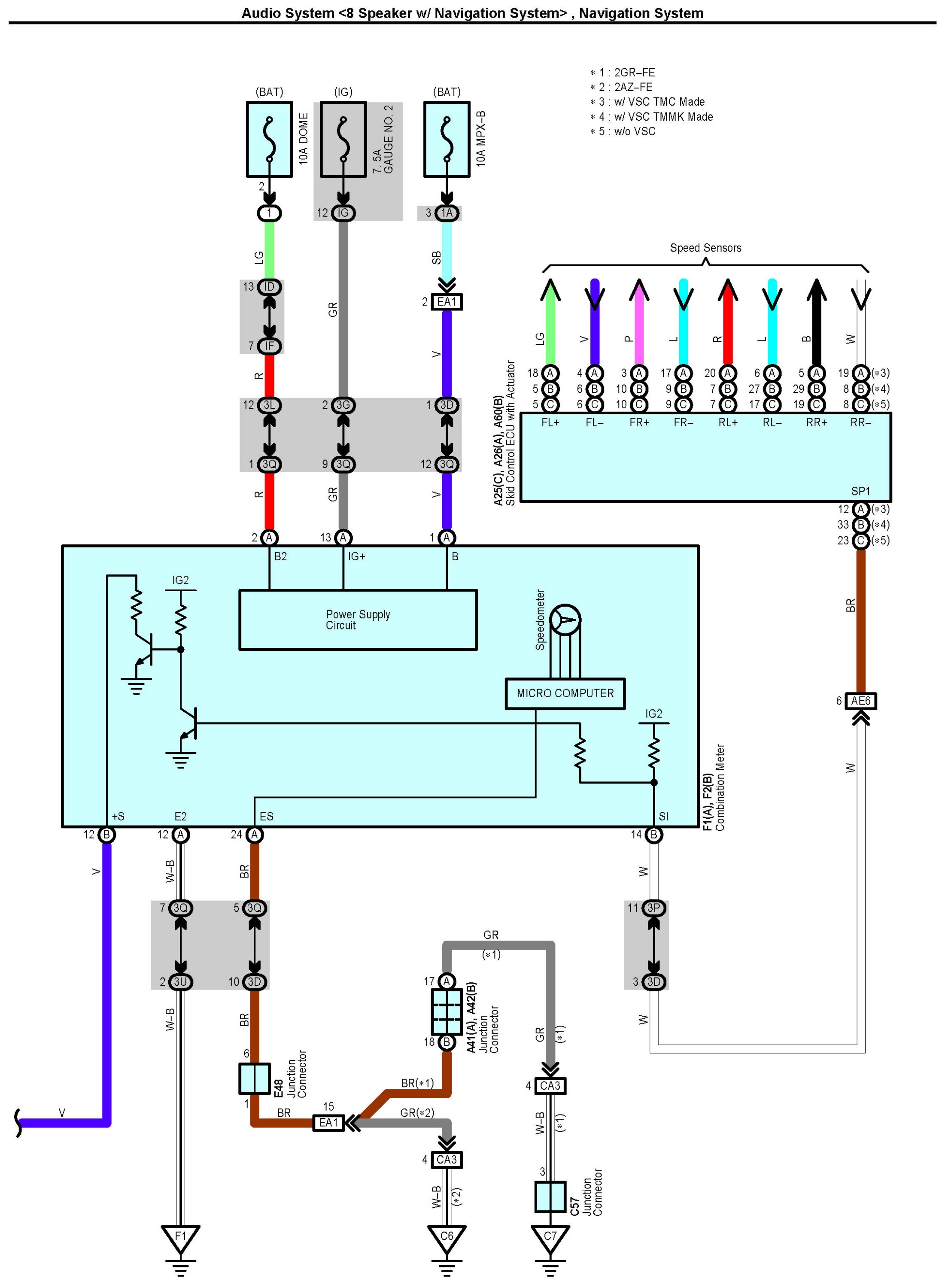
Audio System <8 Speaker w/ Navigation System>, Navigation System Part 1:




Audio System <8 Speaker w/ Navigation System>, Navigation System Part 2:




Audio System <8 Speaker w/ Navigation System>, Navigation System Part 3:




Audio System <8 Speaker w/ Navigation System>, Navigation System Part 4:




Audio System <8 Speaker w/ Navigation System>, Navigation System Part 5:




Connectors Part 1:




Connectors Part 2:




Connectors Part 3:




Connectors Part 4:




Connectors Part 5:






Locations: The locations of components, connectors, ground points, and splices referred to within these diagrams can be found at Vehicle Locations. Locations