Curiosii for ever!: Car repair manuals for everyone.

ECU Power Source Circuit








THEFT DETERRENT: THEFT DETERRENT SYSTEM (w/ Smart Key System): ECU Power Source Circuit

ECU Power Source Circuit

DESCRIPTION

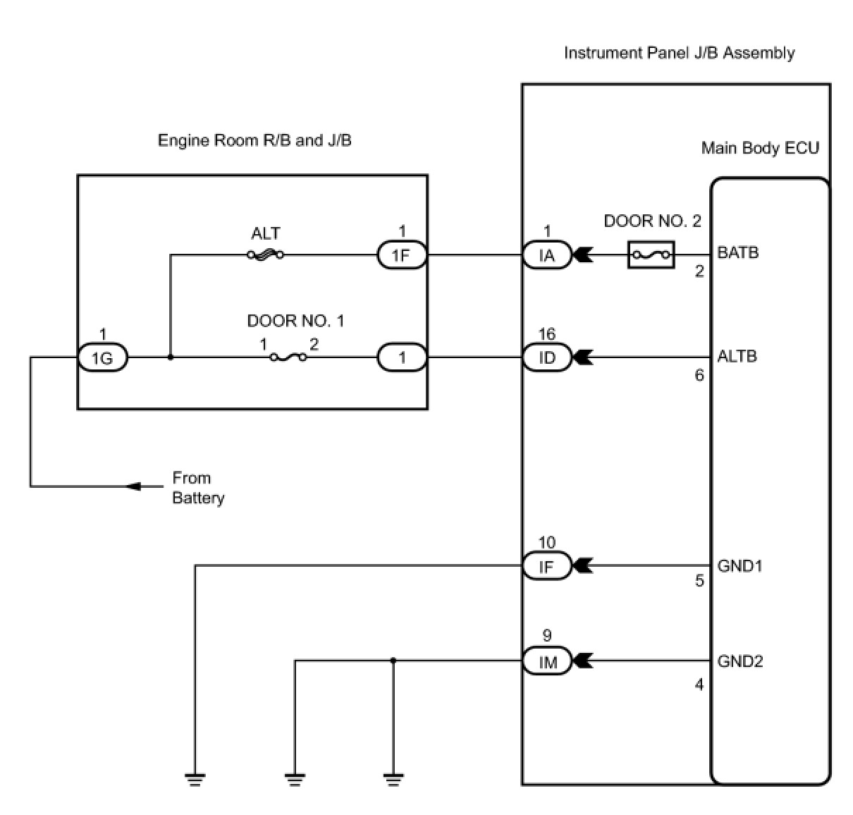
This circuit provides power for main body ECU operation.

WIRING DIAGRAM





INSPECTION PROCEDURE

PROCEDURE

1. CHECK INSTRUMENT PANEL JUNCTION BLOCK ASSEMBLY (MAIN BODY ECU) (POWER SOURCE)




(a) Disconnect the ID and IA J/B connectors.
(b) Measure the voltage according to the value(s) in the table below.
Standard voltage:






NG -- REPAIR OR REPLACE HARNESS OR CONNECTOR
OK -- Continue to next step.
2. CHECK HARNESS AND CONNECTOR (INSTRUMENT PANEL J/B - BODY GROUND)




(a) Disconnect the IF and IM J/B connectors.
(b) Measure the resistance according to the value(s) in the table below.
Standard resistance:






NG -- REPAIR OR REPLACE HARNESS OR CONNECTOR
OK -- REPLACE PROCEED TO NEXT CIRCUIT INSPECTION SHOWN IN PROBLEM SYMPTOMS TABLE