Curiosii for ever!: Car repair manuals for everyone.

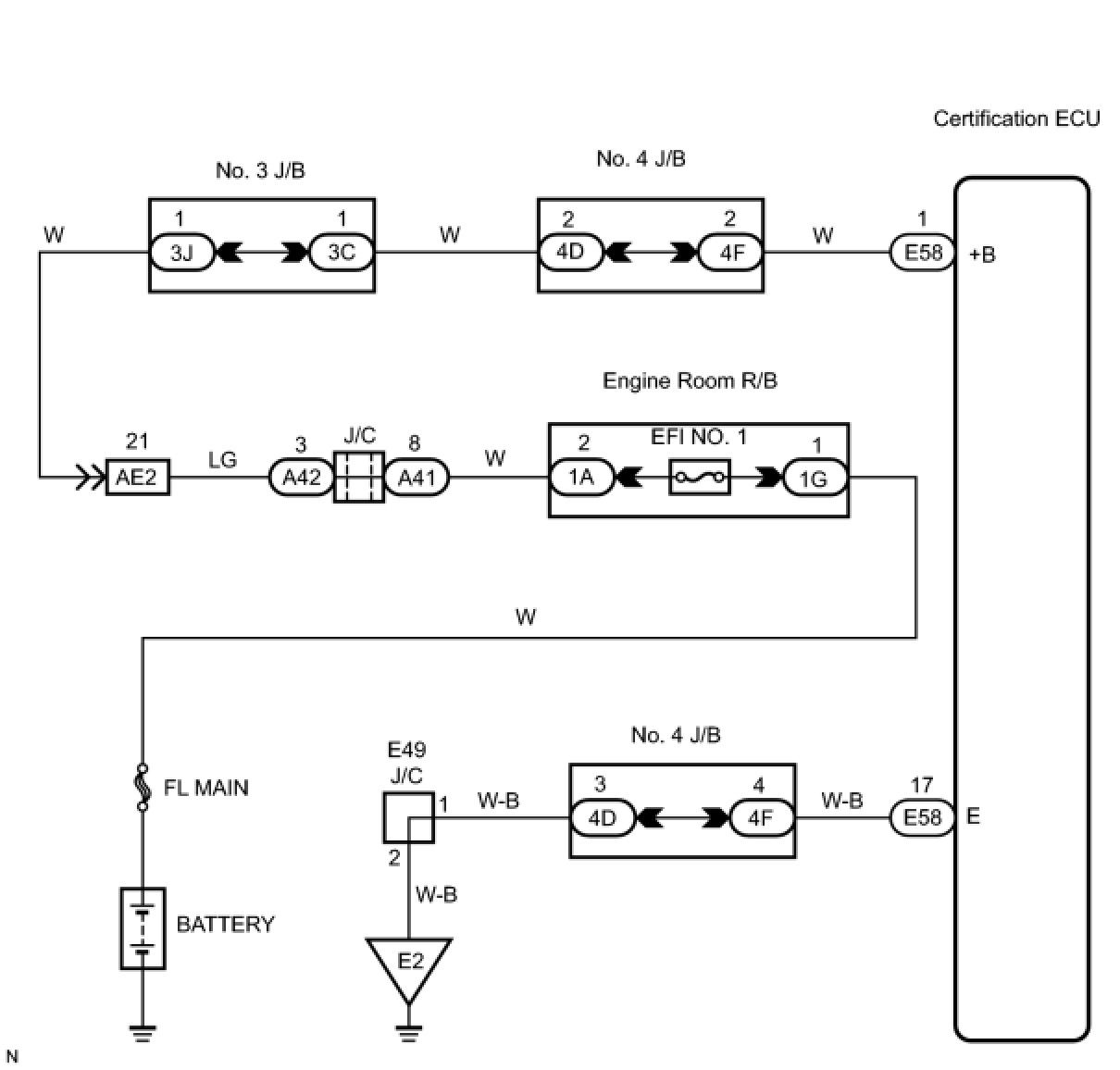
Certification ECU Power Source Circuit








ENGINE IMMOBILISER: ENGINE IMMOBILISER SYSTEM (w/ Smart Key System): Certification ECU Power Source Circuit

Certification ECU Power Source Circuit

DESCRIPTION

This circuit provides power to operate the certification ECU.

WIRING DIAGRAM





INSPECTION PROCEDURE
NOTICE: If the certification ECU is replaced, register the key and ECU communication ID Engine Immobiliser System (W/ Smart Key System).

PROCEDURE

1. INSPECT FUSE (EFI NO. 1)
(a) Remove the EFI No. 1 fuse from the No. 1 engine room R/B.
(b) Measure the resistance of the fuse.
Standard resistance:
Below 1 Ohms
NG -- REPLACE FUSE
OK -- Continue to next step.
2. CHECK WIRE HARNESS (CERTIFICATION ECU - BATTERY)




(a) Disconnect the E58 ECU connector.
(b) Measure the voltage according to the value(s) in the table below.
Standard voltage:






NG -- REPAIR OR REPLACE HARNESS OR CONNECTOR
OK -- Continue to next step.
3. CHECK HARNESS AND CONNECTOR (CERTIFICATION ECU - BODY GROUND)




(a) Measure the resistance according to the value(s) in the table below.
Standard resistance:






NG -- REPAIR OR REPLACE HARNESS OR CONNECTOR
OK -- PROCEED TO NEXT CIRCUIT INSPECTION SHOWN IN PROBLEM SYMPTOMS TABLE