Curiosii for ever!: Car repair manuals for everyone.

Combination Switch ECU Power Source Circuit








WIPER AND WASHER: WIPER AND WASHER SYSTEM: Combination Switch ECU Power Source Circuit

Combination Switch ECU Power Source Circuit

DESCRIPTION

This circuit provides power to the combination switch.

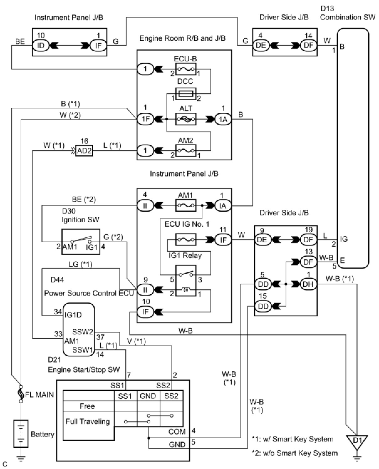
WIRING DIAGRAM





INSPECTION PROCEDURE

HINT: Before performing this procedure, check that DTCs for the multiplex communication system are not output Multiplex Communication System.

PROCEDURE

1. CHECK HARNESS AND CONNECTOR (BATTERY - COMBINATION SWITCH)





(a) Disconnect the connector from the combination switch ECU.
(b) Measure the voltage according to the value(s) in the table below.
Voltage:






NG -- REPAIR OR REPLACE HARNESS OR CONNECTOR
OK -- Continue to next step.

2. CHECK HARNESS AND CONNECTOR (IGNITION SWITCH CIRCUIT)





(a) Measure the voltage according to the value(s) in the table below.
Voltage:






NG -- REPAIR OR REPLACE HARNESS OR CONNECTOR
OK -- Continue to next step.

3. CHECK HARNESS AND CONNECTOR (COMBINATION SWITCH - BODY GROUND)





(a) Measure the resistance according to the value(s) in the table below.
Voltage:






NG -- REPAIR OR REPLACE HARNESS OR CONNECTOR
OK -- PROCEED TO NEXT CIRCUIT INSPECTION SHOWN IN PROBLEM SYMPTOMS TABLE