Curiosii for ever!: Car repair manuals for everyone.

Cranking Holding Function Circuit








2GR-FE ENGINE CONTROL SYSTEM: SFI SYSTEM: Cranking Holding Function Circuit

Cranking Holding Function Circuit

DESCRIPTION

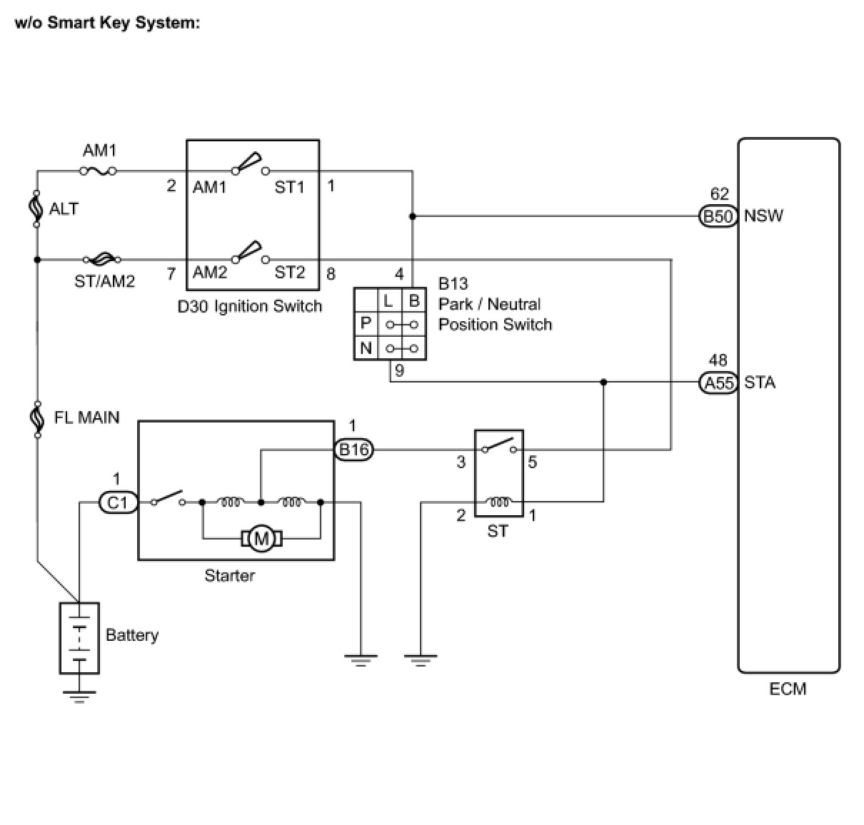
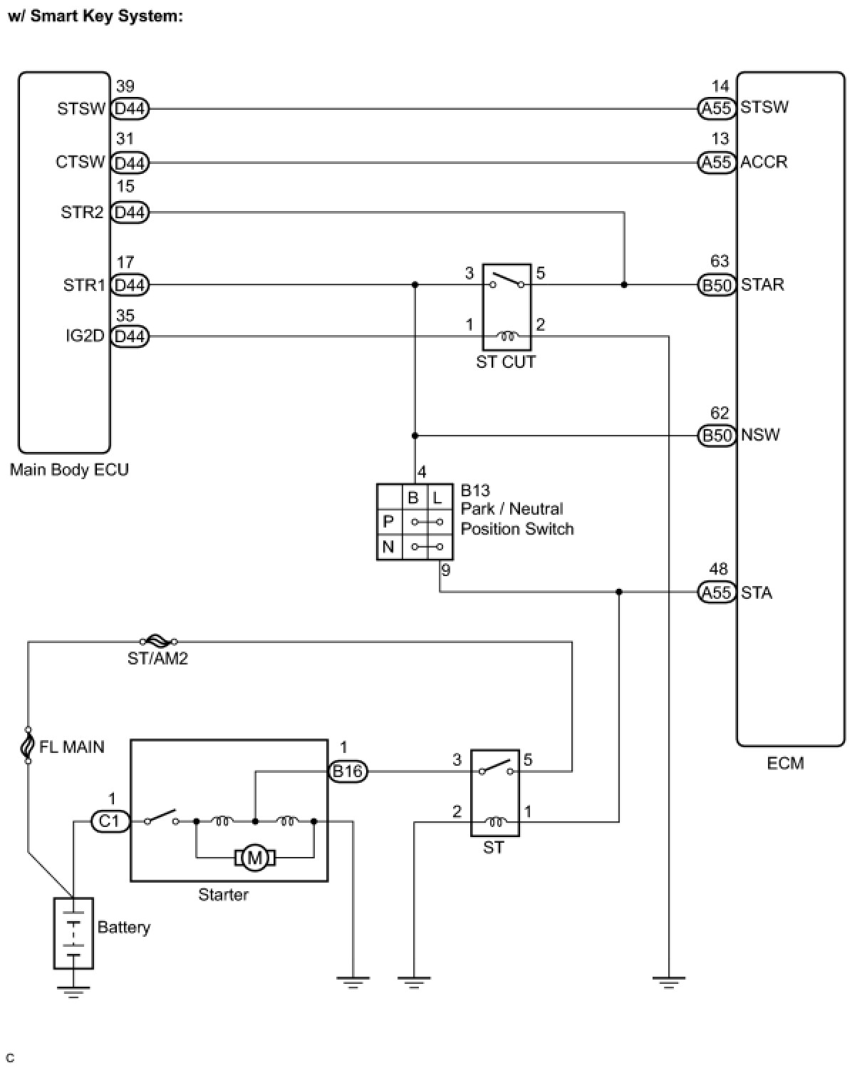
The cranking holding control system provides current to the starter when the ECM detects the ignition switch's start signal (STSW). When the ECM performs a firing judgment, the system cuts current to the starter. When an ECM receives the STSW signal, it turns on the ST CUT relay, which prevents flickering of the combination meter, clock, audio system, etc. Also, the ECM sends a signal to the ECM's STAR terminal. Then the STAR output signal travels through the park/neutral position (PNP) switch to the STARTER relay, causing the starter to activate.
When the engine is cranking, the starter operation signal is sent to the ECM's STA terminal.





WIRING DIAGRAM









INSPECTION PROCEDURE

PROCEDURE

1. CHECK CRANKING
(a) When starting the engine, check whether the starter motor starts.
OK -- CHECK FOR INTERMITTENT PROBLEMS

NG -- Continue to next step.

2. READ VALUE USING TECHSTREAM (STA SIGNAL)
(a) Connect Techstream to the DLC3.
(b) Turn the ignition switch to ON.
(c) Turn the tester on.
(d) Select the following menu items: Powertrain / Engine / Data List / All Data / Starter Signal. Read the values.
(e) Check the result when the ignition switch is turned to ON and when the engine is started.
Standard:





OK -- INSPECT RELAY (ST RELAY)

NG -- Continue to next step.

3. INSPECT ECM (STSW VOLTAGE)





(a) Disconnect the ECM Connector.
(b) Measure the voltage between the terminal of the ECM connector and body ground while cranking the engine.
Standard voltage:





(c) Reconnect the ECM connector.

NG -- CHECK HARNESS AND CONNECTOR (MAIN BODY ECU - ECM)
OK -- Continue to next step.

4. INSPECT ECM (STAR VOLTAGE)





(a) Remove the ST CUT relay from the engine room R/B.
(b) Measure the voltage between the terminal of the engine room R/B and body ground while cranking the engine.
Standard voltage:





(c) Reinstall the ST CUT relay.

NG -- CHECK HARNESS AND CONNECTOR (PARK/NEUTRAL POSITION SWITCH - ST RELAY)
OK -- Continue to next step.

5. INSPECT ST CUT RELAY





(a) Remove the ST CUT relay from the engine room R/B.
(b) Measure the resistance between the terminals.
Standard resistance:





(c) Reinstall the ST CUT relay.

NG -- REPLACE ST CUT RELAY
OK -- Continue to next step.

6. INSPECT PARK/NEUTRAL SWITCH ASSEMBLY





(a) Inspect the Park/Neutral Position (PNP) switch.
(1) Disconnect the PNP switch connector.
(2) Measure the resistance according to the value(s) in the table below.
Standard resistance:





(3) Reconnect the PNP switch connector.

NG -- REPLACE PARK/NEUTRAL POSITION SWITCH ASSEMBLY
OK -- CHECK HARNESS AND CONNECTOR
7. INSPECT RELAY (ST RELAY)





(a) Remove the ST relay from the engine room R/B.
(b) Measure the resistance between the terminals.
Standard resistance:





(c) Reinstall the ST relay.

NG -- REPLACE RELAY (ST RELAY)
OK -- Continue to next step.

8. CHECK HARNESS AND CONNECTOR (PARK/NEUTRAL POSITION SWITCH - ST RELAY)





(a) Disconnect the park/neutral position switch connector.
(b) Remove the ST relay from the engine room R/B.
(c) Measure the resistance between the terminals.
Standard resistance (Check for open):





Standard resistance (Check for open):





(d) Reinstall the ST relay.

NG -- REPAIR OR REPLACE HARNESS OR CONNECTOR
OK -- Continue to next step.

9. INSPECT ENGINE ROOM RELAY BLOCK (ST RELAY VOLTAGE)





(a) Remove the ST relay from the engine room R/B.
(b) Measure the voltage between the terminal of the engine room R/B and body ground.
Standard voltage:






NG -- REPAIR OR REPLACE HARNESS OR CONNECTOR
OK -- Continue to next step.

10. INSPECT STARTER ASSEMBLY

NG -- REPAIR OR REPLACE STARTER ASSEMBLY
OK -- REPAIR OR REPLACE HARNESS OR CONNECTOR (ST RELAY - STARTER, STARTER - BATTERY)
11. CHECK HARNESS AND CONNECTOR (MAIN BODY ECU - ECM)





(a) Disconnect the main body ECU connector.
(b) Disconnect the ECM connector.
(c) Measure the resistance between the terminals.
Standard resistance (Check for open):





Standard resistance (Check for short):





(d) Reconnect the main body ECU connector.
(e) Reconnect the ECM connector.

NG -- REPAIR OR REPLACE HARNESS OR CONNECTOR
OK -- GO TO SMART KEY SYSTEM