Curiosii for ever!: Car repair manuals for everyone.

Check CAN Bus Lines For Short Circuit








CAN COMMUNICATION: CAN COMMUNICATION SYSTEM: Check CAN Bus Lines for Short Circuit

Check CAN Bus Lines for Short Circuit

DESCRIPTION

There may be a short circuit between the CAN bus lines when the resistance between terminals 6 (CANH) and 14 (CANL) of the DLC3 is below 54 Ohms.





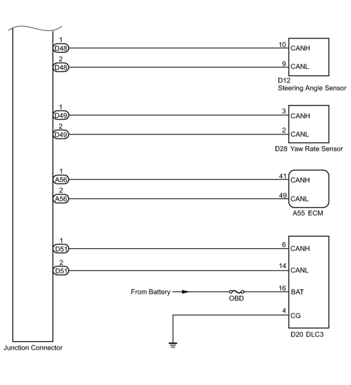
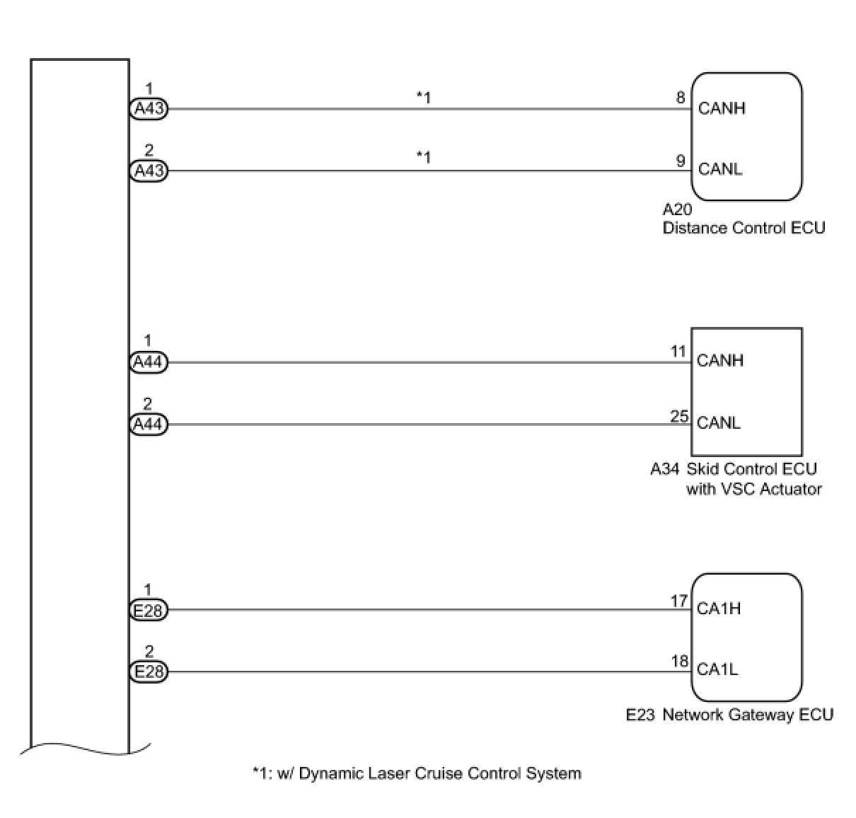
WIRING DIAGRAM









INSPECTION PROCEDURE

PROCEDURE

1. CHECK CAN BUS WIRE (DLC3 SUB BUS LINE)





(a) Turn the ignition switch off.
(b) Disconnect the DLC3 sub bus line connector (D51) from the CAN J/C A side (with earth terminal).

NOTICE:
- Before disconnecting the connector, make a note of where it is connected.
- Reconnect the connector to its original position.





(c) Measure the resistance according to the value(s) in the table below.
Resistance:






NG -- REPAIR OR REPLACE DLC3 SUB BUS LINE OR CONNECTOR (CAN-H, CAN-L)
OK -- Continue to next step.

2. CONNECT CONNECTOR
(a) Reconnect the DLC3 sub bus line connector (D51) to the CAN J/C A side (with earth terminal).
NEXT -- Continue to next step.

3. CHECK CAN BUS WIRE (NETWORK GATEWAY ECU)





(a) Disconnect the network gateway ECU sub bus line connector (E28) from the CAN J/C B side (without earth terminal).

NOTICE:
- Before disconnecting the connector, make a note of where it is connected.
- Reconnect the connector to its original position.





(b) Measure the resistance according to the value(s) in the table below.
Resistance:





OK -- CONNECT CONNECTOR

NG -- Continue to next step.

4. CONNECT CONNECTOR
(a) Reconnect the network gateway ECU sub bus line connector (E28) to the CAN J/C B side (without earth terminal).
NEXT -- Continue to next step.

5. CHECK CAN BUS WIRE (ECM MAIN BUS LINE)





(a) Disconnect the ECM main bus line connector (A56) from the CAN J/C B side (without earth terminal).

NOTICE:
- Before disconnecting the connector, make a note of where it is connected.
- Reconnect the connector to its original position.





(b) Measure the resistance according to the value(s) in the table below.
Resistance:





OK -- CONNECT CONNECTOR

NG -- Continue to next step.

6. CONNECT CONNECTOR
(a) Reconnect the ECM main bus line connector (A56) to the CAN J/C B side (without earth terminal).
NEXT -- Continue to next step.

7. CHECK CAN BUS WIRE (DISTANCE CONTROL ECU SUB BUS LINE)

NOTE: For vehicles without dynamic laser cruise control, go to step 15.





(a) Disconnect the distance control ECU sub bus line connector (A43) from the CAN J/C B side (without earth terminal).

NOTICE:
- Before disconnecting the connector, make a note of where it is connected.
- Reconnect the connector to its original position.





(b) Measure the resistance according to the value(s) in the table below.
Resistance:






NG -- CONNECT CONNECTOR
OK -- Continue to next step.

8. CONNECT CONNECTOR
(a) Reconnect the distance control ECU sub bus line connector (A43) to the CAN J/C B side (without earth terminal).
NEXT -- Continue to next step.

9. CHECK CAN BUS WIRE (DISTANCE CONTROL ECU SUB BUS LINE)





(a) Disconnect the distance control ECU connector (A20).
(b) Measure the resistance according to the value(s) in the table below.
Resistance:





OK -- REPLACE DISTANCE CONTROL ECU

NG -- REPAIR OR REPLACE DISTANCE CONTROL ECU BRANCH WIRE OR CONNECTOR (CAN-H, CAN-L)
10. CONNECT CONNECTOR
(a) Reconnect the network gateway ECU sub bus line connector (B28) to the CAN J/C B side (without earth terminal).
NEXT -- Continue to next step.

11. CHECK CAN BUS WIRE (NETWORK GATEWAY ECU SUB BUS LINE)





(a) Disconnect the network gateway ECU connector (E23).
(b) Measure the resistance according to the value(s) in the table below.
Resistance:





OK -- REPLACE NETWORK GATEWAY ECU

NG -- REPAIR OR REPLACE NETWORK GATEWAY ECU SUB BUS LINE OR CONNECTOR (CAN-H, CAN-L)
12. CONNECT CONNECTOR
(a) Reconnect the ECM main bus line connector (A56) to the CAN J/C B side (without earth terminal).
NEXT -- Continue to next step.

13. CHECK CAN BUS WIRE (ECU MAIN BUS LINE)





(a) Disconnect the ECM connector (A55).
(b) Measure the resistance according to the value(s) in the table below.
Resistance:





OK -- REPLACE ECM

NG -- REPAIR OR REPLACE ECM MAIN BUS LINE OR CONNECTOR (CAN-H, CAN-L)
14. CONNECT CONNECTOR
(a) Reconnect the distance control ECU sub bus line connector (A43) to the CAN J/C B side (without earth terminal).
NEXT -- Continue to next step.

15. CHECK CAN BUS WIRE (YAW RATE SENSOR SUB BUS LINE)





(a) Disconnect the yaw rate sensor sub bus line connector (D49) from the CAN J/C A side (with earth terminal).

NOTICE:
- Before disconnecting the connector, make a note of where it is connected.
- Reconnect the connector to its original position.





(b) Measure the resistance according to the value(s) in the table below.
Resistance:





OK -- CONNECT CONNECTOR

NG -- Continue to next step.

16. CONNECT CONNECTOR
(a) Reconnect the yaw rate sensor sub bus line connector (D49) to the CAN J/C A side (with earth terminal).
NEXT -- Continue to next step.

17. CHECK CAN BUS WIRE (STEERING ANGLE SENSOR SUB BUS LINE)





(a) Disconnect the steering angle sensor sub bus line connector (D48) from the CAN J/C A side (with earth terminal).

NOTICE:
- Before disconnecting the connector, make a note of where it is connected.
- Reconnect the connector to its original position.





(b) Measure the resistance according to the value(s) in the table below.
Resistance:





OK -- CONNECT CONNECTOR

NG -- Continue to next step.

18. CONNECT CONNECTOR
(a) Reconnect the steering angle sensor sub bus line connector (D48) to the CAN J/C A side (with earth terminal).
NEXT -- Continue to next step.

19. CHECK CAN BUS WIRE (SKID CONTROL ECU WITH ACTUATOR MAIN BUS LINE)





(a) Disconnect the skid control ECU main bus line connector (A44) from the CAN J/C B side (without earth terminal).

NOTICE:
- Before disconnecting the connector, make a note of where it is connected.
- Reconnect the connector to its original position.





(b) Measure the resistance according to the value(s) in the table below.
Resistance:






NG -- REPLACE JUNCTION CONNECTOR
OK -- Continue to next step.

20. CONNECT CONNECTOR
(a) Reconnect the skid control ECU main bus line connector (A44) to the CAN J/C B side (without earth terminal).
NEXT -- Continue to next step.

21. CHECK CAN BUS WIRE (SKID CONTROL ECU MAIN BUS LINE)





(a) Disconnect the skid control ECU connector (A34).
(b) Measure the resistance according to the value(s) in the table below.
Resistance:





OK -- REPLACE SKID CONTROL ECU WITH ACTUATOR

NG -- REPAIR OR REPLACE SKID CONTROL ECU MAIN BUS LINE OR CONNECTOR (CAN-H, CAN-L)
22. CONNECT CONNECTOR
(a) Reconnect the yaw rate sensor sub bus line connector (D49) to the CAN J/C A side (with earth terminal).
NEXT -- Continue to next step.

23. CHECK CAN BUS WIRE (YAW RATE SENSOR SUB BUS LINE)





(a) Disconnect the yaw rate sensor connector (D28).
(b) Measure the resistance according to the value(s) in the table below.
Resistance:





OK -- REPLACE YAW RATE SENSOR

NG -- REPAIR OR REPLACE YAW RATE SENSOR SUB BUS LINE OR CONNECTOR (CAN-H, CAN-L)
24. CONNECT CONNECTOR
(a) Reconnect the steering angle sensor sub bus line connector (D48) to the CAN J/C A side (with earth terminal).
NEXT -- Continue to next step.

25. CHECK CAN BUS WIRE (STEERING ANGLE SENSOR SUB BUS LINE)





(a) Disconnect the steering angle sensor connector (D12).
(b) Measure the resistance according to the value(s) in the table below.
Resistance:





OK -- REPLACE STEERING ANGLE SENSOR

NG -- REPAIR OR REPLACE STEERING ANGLE SENSOR SUB BUS LINE OR CONNECTOR (CAN-H, CAN-L)