Curiosii for ever!: Car repair manuals for everyone.

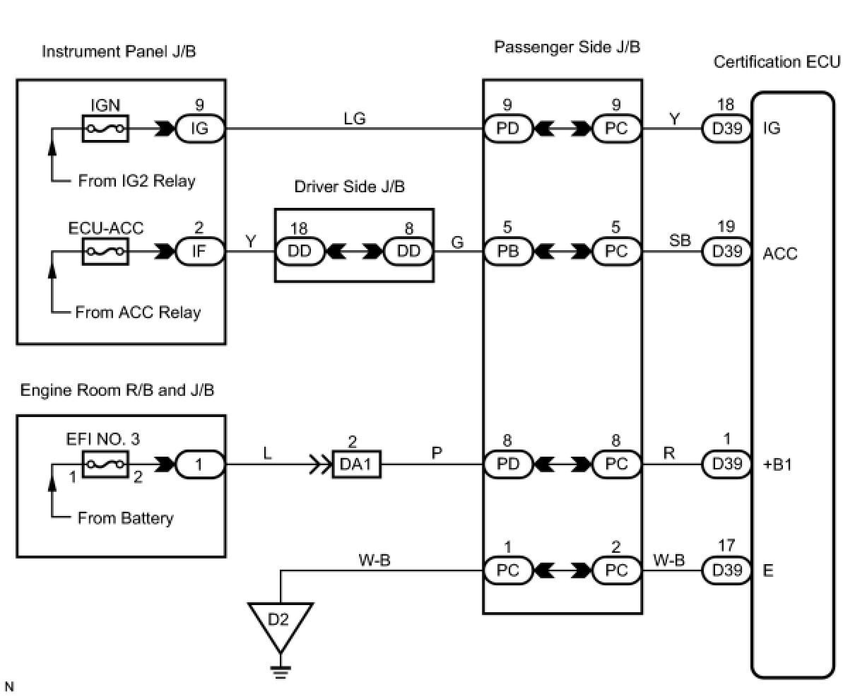
Certification ECU Power Source Circuit








DOOR LOCK: SMART KEY SYSTEM: Certification ECU Power Source Circuit

Certification ECU Power Source Circuit

DESCRIPTION

This is the power source circuit of the certification ECU.
The certification ECU controls the following:
- Key verification confirmation
- Cabin and door oscillator control
- Entry door LOCK / UNLOCK request to the body ECU
- Steering LOCK / UNLOCK request
- Immobilizer SET / UNSET request to the ID code box

WIRING DIAGRAM





INSPECTION PROCEDURE

PROCEDURE

1. INSPECT CERTIFICATION ECU





(a) Disconnect the D39 certification ECU connector.
(b) Measure the voltage according to the value(s) in the table below.
Voltage:





(c) Measure the resistance according to the value(s) in the table below.
Resistance:






NG -- REPAIR OR REPLACE HARNESS OR CONNECTOR
OK -- PROCEED TO NEXT CIRCUIT INSPECTION SHOWN IN PROBLEM SYMPTOMS TABLE