Curiosii for ever!: Car repair manuals for everyone.

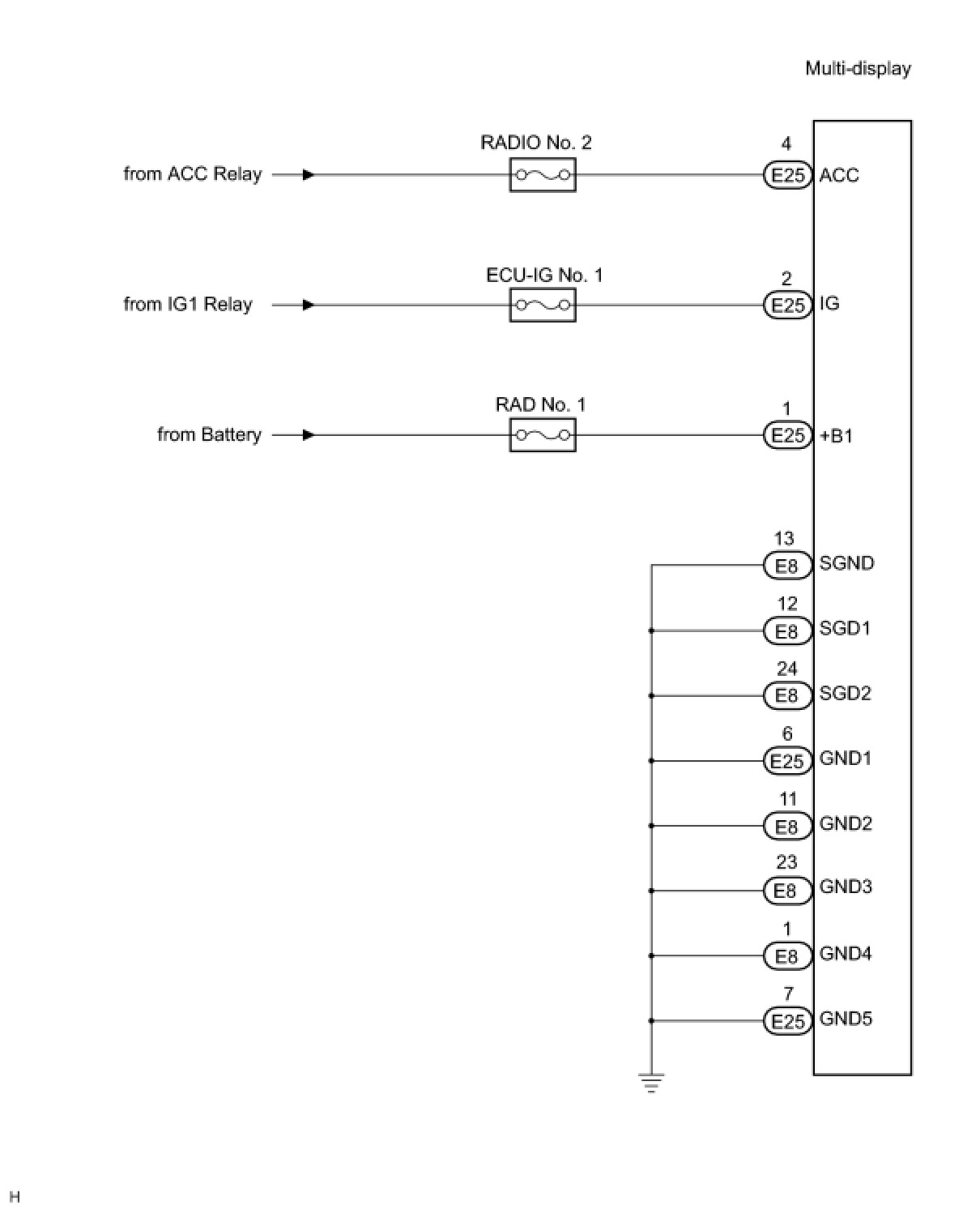
Multi-Display Power Source Circuit








NAVIGATION: NAVIGATION SYSTEM: Multi-display Power Source Circuit

Multi-display Power Source Circuit

DESCRIPTION

This is the power source circuit to operate the multi-display.

WIRING DIAGRAM





INSPECTION PROCEDURE

PROCEDURE

1. INSPECT MULTI-DISPLAY





(a) Disconnect the multi-display connectors E25 and E8.
(b) Measure the resistance according to the value(s) in the table below.
Standard resistance:





(c) Measure the voltage according to the value(s) in the table below.
Standard voltage:






NG -- REPAIR OR REPLACE HARNESS OR CONNECTOR
OK -- PROCEED TO NEXT CIRCUIT INSPECTION SHOWN IN PROBLEM SYMPTOMS TABLE