Curiosii for ever!: Car repair manuals for everyone.

Power Windows Do Not Operate Using All Window Switch








WINDSHIELD / WINDOWGLASS: POWER WINDOW CONTROL SYSTEM (for Convertible): Power Windows do not Operate Using All Window Switch

Power Windows do not Operate Using All Window Switch

DESCRIPTION

The all window switch can operate all the power windows. The all window switch outputs signals to the convertible roof control ECU which activates the passenger, quarter LH/RH window regulator motors directly. For the driver window regulator motor, the convertible control ECU outputs signals to the master switch, and the master switch activates the driver window regulator motor.

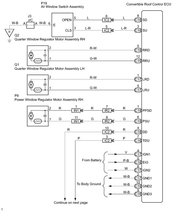
WIRING DIAGRAM









INSPECTION PROCEDURE

PROCEDURE

1. CHECK ALL WINDOW SWITCH OPERATION
(a) Check that the power windows operate when the all window switch is operated.
Result:





B -- INSPECT POWER WINDOW REGULATOR MASTER SWITCH ASSEMBLY
A -- Continue to next step.
2. CHECK POWER WINDOW BASIC OPERATION
(a) Check that the power windows operate when the power window regulator master switch or power window regulator switch is operated.
OK:
Power windows operate normally.
NG -- OTHER PROBLEM
OK -- Continue to next step.
3. CHECK CONVERTIBLE ROOF CONTROL SWITCH OPERATION
(a) Check that all windows operate when convertible roof switch is operated.
OK:
All windows operate normally.
NG -- OTHER PROBLEM
OK -- Continue to next step.
4. INSPECT ALL WINDOW SWITCH

HINT: (Inspection)

NG -- REPLACE ALL WINDOW SWITCH
OK -- Continue to next step.
5. CHECK HARNESS AND CONNECTOR (ALL WINDOW SWITCH - ROOF CONTROL ECU)





(a) Disconnect the P19 switch connector.
(b) Disconnect the C18 ECU connector.
(c) Measure the resistance of the wire harness side connectors.
Standard resistance:





NG -- REPAIR OR REPLACE HARNESS OR CONNECTOR
OK -- Continue to next step.
6. INSPECT QUARTER WINDOW MOTOR LH/RH

HINT: (Inspection)

NG -- REPLACE QUARTER WINDOW MOTOR LH/RH
OK -- Continue to next step.
7. CHECK HARNESS AND CONNECTOR (QUARTER WINDOW MOTOR - ROOF CONTROL ECU)





(a) Check the wire harness between the quarter window motor LH and convertible roof control ECU.
(1) Disconnect the Q1 motor connector.
(2) Disconnect the C17 ECU connector.
(3) Measure the resistance of the wire harness side connectors.
Standard resistance:









(b) Check the wire harness between the quarter window motor RH and convertible roof control ECU.
(1) Disconnect the Q2 motor connector.
(2) Disconnect the C19 ECU connector.
(3) Measure the resistance of the wire harness side connectors.
Standard resistance:





NG -- REPAIR OR REPLACE HARNESS OR CONNECTOR
OK -- REPLACE CONVERTIBLE ROOF CONTROL ECU
8. INSPECT POWER WINDOW REGULATOR MASTER SWITCH ASSEMBLY

HINT: (Inspection)

NG -- REPLACE POWER WINDOW REGULATOR MASTER SWITCH
OK -- Continue to next step.
9. CHECK HARNESS AND CONNECTOR (POWER WINDOW MASTER SWITCH - ROOF CONTROL ECU)





(a) Disconnect the D8 switch connector.
(b) Disconnect the C18 ECU connector.
(c) Measure the resistance of the wire harness side connectors.
Standard resistance:





NG -- REPAIR OR REPLACE HARNESS OR CONNECTOR
OK -- REPLACE CONVERTIBLE ROOF CONTROL ECU