Curiosii for ever!: Car repair manuals for everyone.

Component Tests and General Diagnostics








3MZ-FE ENGINE CONTROL SYSTEM: SFI SYSTEM: ECM Power Source Circuit

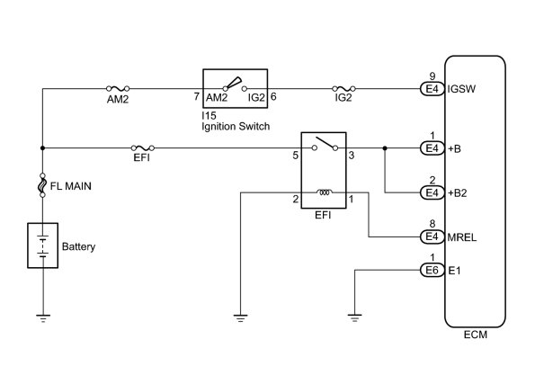
ECM Power Source Circuit

DESCRIPTION

When the ignition switch is turned to the ON position, the battery voltage is applied to terminal IGSW of the ECM. The ECM MREL output signal causes a current to flow to the coil, closing the contacts of the EFI relay and supplying power to terminal +B of the ECM.
If the ignition switch is turned off, the ECM holds the EFI relay ON for a maximum of 2 seconds to allow for the initial setting of the throttle valve.

WIRING DIAGRAM





INSPECTION PROCEDURE

PROCEDURE

1. INSPECT ECM (+B VOLTAGE)





(a) Turn the ignition switch to the ON position.
(b) Measure the voltage between the terminals of the ECM connectors.
Standard voltage:





OK -- PROCEED TO NEXT CIRCUIT INSPECTION SHOWN IN PROBLEM SYMPTOMS TABLE
NG -- Continue to next step.
2. CHECK HARNESS AND CONNECTOR (ECM - BODY GROUND)





(a) Disconnect the ECM connector.
(b) Measure the resistance between the terminal of the ECM connector and body ground.
Standard resistance:
Check for open





(c) Reconnect the ECM connector.
NG -- REPAIR OR REPLACE HARNESS OR CONNECTOR
OK -- Continue to next step.
3. INSPECT ECM (IGSW VOLTAGE)





(a) Turn the ignition switch to the ON position.
(b) Measure the voltage between the terminals of the ECM connectors.
Standard voltage:





OK -- INSPECT ECM (MREL VOLTAGE)
NG -- Continue to next step.
4. CHECK FUSE (IGN FUSE)





(a) Remove the IG2 fuse from the engine room J/B.
(b) Measure the IG2 fuse resistance.
Standard resistance:
Below 1 Ohms
(c) Reinstall the IG2 fuse.
NG -- CHECK FOR SHORTS IN ALL HARNESSES AND CONNECTORS CONNECTED TO FUSE AND REPLACE FUSE
OK -- Continue to next step.
5. INSPECT IGNITION OR STARTER SWITCH ASSEMBLY
(a) Inspect the ignition or starter switch assembly (Ignition Switch).
NG -- REPLACE IGNITION OR STARTER SWITCH ASSEMBLY
OK -- Continue to next step.
6. INSPECT ECM (MREL VOLTAGE)





(a) Turn the ignition switch to the ON position.
(b) Measure the voltage between the terminals of the ECM connectors.
Standard voltage:





NG -- REPLACE ECM
OK -- Continue to next step.
7. CHECK FUSE (EFI FUSE)





(a) Remove the EFI fuse from the engine room J/B.
(b) Measure the EFI fuse resistance.
Standard resistance:
Below 1 Ohms
(c) Reinstall the EFI fuse.
NG -- CHECK FOR SHORTS IN ALL HARNESSES AND CONNECTORS CONNECTED TO FUSE AND REPLACE FUSE
OK -- Continue to next step.
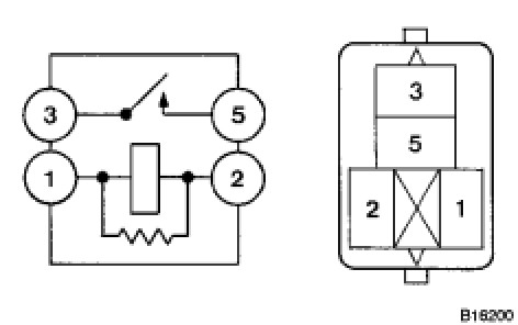
8. INSPECT EFI RELAY





(a) Remove the EFI relay from the engine room J/B.
(b) Measure the EFI relay resistance.
Standard resistance:





(c) Reinstall the EFI relay.
NG -- REPLACE EFI MAIN RELAY
OK -- Continue to next step.
9. CHECK HARNESS AND CONNECTOR (EFI RELAY - ECM, EFI RELAY - BODY GROUND)





(a) Check the harness and connector between the EFI relay and ECM.
(1) Remove the EFI relay from the engine room J/B.
(2) Disconnect the ECM connector.
(3) Measure the resistance between the terminals.
Standard resistance:
Check for open
Check for short









(b) Check the harness and connector between the EFI relay and body ground.
(1) Measure the resistance between the terminals.
Standard resistance:
Check for open





(2) Reinstall the EFI relay to the engine room J/B.
(3) Reconnect the ECM connector.
OK -- REPAIR OR REPLACE HARNESS OR CONNECTOR
NG -- CHECK AND REPLACE HARNESS AND CONNECTOR (TERMINAL +B OF ECM - BATTERY POSITIVE TERMINAL)