Curiosii for ever!: Car repair manuals for everyone.

Yaw Rate Sensor Communication Stop Mode








CAN COMMUNICATION SYSTEM: Yaw Rate Sensor Communication Stop Mode

Yaw Rate Sensor Communication Stop Mode

DESCRIPTION





HINT: "Yaw Rate/Deceleration Sensor" refers to the circuit that includes the yaw rate sensor.

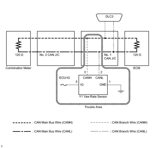
WIRING DIAGRAM





INSPECTION PROCEDURE

NOTICE:
- Turn the ignition switch off before measuring the resistance of the CAN main wires and CAN branch wires.
- After the ignition switch is turned off, check that the key reminder warning system and light reminder warning system are not operating.
- Before measuring the resistance, leave the vehicle as is for at least 1 minute and do not operate the ignition switch, any other switches or the doors. If doors need to be opened in order to check connectors, open the doors and leave them open.

HINT: Operating the ignition switch, any other switches, or any doors triggers related ECU and sensor communication on the CAN. This communication will cause the resistance value to change.

PROCEDURE

1. CHECK CAN BUS LINE FOR DISCONNECTION (YAW RATE SENSOR BRANCH WIRE)
(a) Turn the ignition switch off.
(b) Disconnect the yaw rate sensor connector (Y1).





(c) Measure the resistance according to the value(s) in the table below.
Standard resistance:





NG -- REPAIR OR REPLACE YAW RATE SENSOR BRANCH WIRE OR CONNECTOR (CAN-H, CAN-L)
OK -- Continue to next step.
2. CHECK WIRE HARNESS (IG, GND)





(a) Measure the resistance according to the value(s) in the table below.
Standard resistance:





(b) Measure the voltage according to the value(s) in the table below.
Standard voltage:





OK -- REPAIR OR REPLACE HARNESS OR CONNECTOR
OK -- REPLACE YAW RATE SENSOR