Curiosii for ever!: Car repair manuals for everyone.

Steering Angle Sensor Communication Stop Mode








CAN COMMUNICATION SYSTEM: Steering Angle Sensor Communication Stop Mode

Steering Angle Sensor Communication Stop Mode

DESCRIPTION





HINT: "Steering Angle Sensor" refers to the circuit that includes the steering angle sensor.

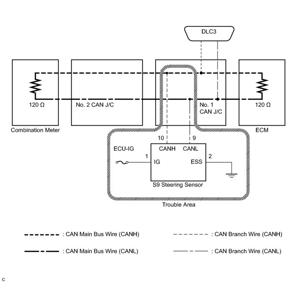
WIRING DIAGRAM





INSPECTION PROCEDURE

NOTICE:
- Turn the ignition switch off before measuring the resistance of the CAN main wires and CAN branch wires.
- After the ignition switch is turned off, check that the key reminder warning system and light reminder warning system are not operating.
- Before measuring the resistance, leave the vehicle as is for at least 1 minute and do not operate the ignition switch, any other switches or the doors. If doors need to be opened in order to check connectors, open the doors and leave them open.

HINT: Operating the ignition switch, any other switches, or any doors triggers related ECU and sensor communication on the CAN. This communication will cause the resistance value to change.

PROCEDURE

1. CHECK CAN BUS LINE FOR DISCONNECTION (STEERING SENSOR BRANCH WIRE)
(a) Turn the ignition switch to the LOCK position.





(b) Disconnect the steering sensor connector (S9).
(c) Measure the resistance according to the value(s) in the table below.
Standard resistance:





NG -- REPAIR OR REPLACE STEERING SENSOR BRANCH WIRE OR CONNECTOR (CAN-H, CAN-L)
OK -- Continue to next step.
2. CHECK WIRE HARNESS (IG, ESS)





(a) Measure the resistance according to the value(s) in the table below.
Standard resistance:





(b) Measure the voltage according to the value(s) in the table below.
Standard voltage:





NG -- REPAIR OR REPLACE WIRE HARNESS OR CONNECTOR
OK -- REPLACE STEERING SENSOR