Curiosii for ever!: Car repair manuals for everyone.

Open in One Side of CAN Sub Bus Line








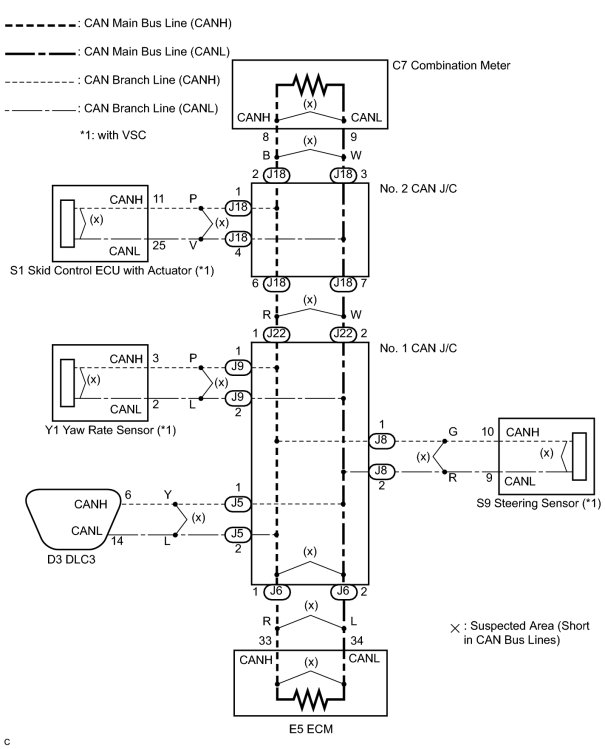
CAN COMMUNICATION SYSTEM: Open in One Side of CAN Sub Bus Line

Open in One Side of CAN Sub Bus Line

DESCRIPTION

If 2 or more ECUs and/or sensors do not appear on Techstream "CAN Bus Check" screen via the CAN VIM, one side of the CAN sub-bus lines may be open. (one side of the CAN-H [sub-bus line] / CAN-L [sub-bus line] of the ECU and/or sensor is open.)





*: with VSC

WIRING DIAGRAM





INSPECTION PROCEDURE

NOTICE:
- Turn the ignition switch off before measuring the resistance of the CAN main wires and CAN branch wires.
- After the ignition switch is turned off, check that the key reminder warning system and light reminder warning system are not operating.
- Before measuring the resistance, leave the vehicle as is for at least 1 minute and do not operate the ignition switch, any other switches or the doors. If doors need to be opened in order to check connectors, open the doors and leave them open.

HINT:
- Operating the ignition switch, any other switches, or any doors triggers related ECU and sensor communication on the CAN. This communication will cause the resistance value to change.
- Perform the following inspections for the ECUs (sensors) that are not displayed on Techstream first. If a malfunction is still not able to be identified, perform the following inspections for all other ECUs (sensors) connected to the CAN communication system.
- The basic inspection procedures that can be used for all related ECUs in common are shown below.
"ECU A" represents the following: ECM, steering sensor, yaw rate sensor, skid control ECU, combination meter ECU.

PROCEDURE

1. CHECK FOR AN OPEN IN ONE SIDE OF THE CAN SUB BUS LINE





(a) Disconnect the connector with terminals CANH and CANL from ECU A.
(b) Select "CAN Bus Check" on Techstream.
Result:





B -- CONNECT THE ECU A CONNECTOR TO THE ECU (SENSOR) AND INSPECT OTHER ECUS (SENSORS) TO MEET "RESULT A"
A -- Continue to next step.
2. CHECK FOR AN OPEN IN ONE SIDE OF THE CAN SUB BUS LINE





(a) Measure the resistance according to the value(s) in the table below.
Standard resistance:





NG -- REPAIR OR REPLACE ECU A SUB BUS LINE OR CONNECTOR
OK -- REPLACE ECU A