Curiosii for ever!: Car repair manuals for everyone.

Check CAN Bus Line (CAN-H) For Short to +B








CAN COMMUNICATION SYSTEM: Check CAN Bus Line (CAN-H) for Short to +B

Check CAN Bus Line (CAN-H) for Short to +B

DESCRIPTION

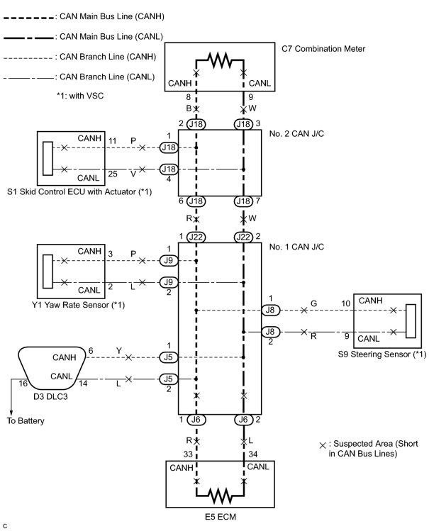
A short to +B is suspected in the CAN bus wire when the resistance between terminals 6 (CANH) and 16 (BAT) of the DLC3 is below 6 kOhms.





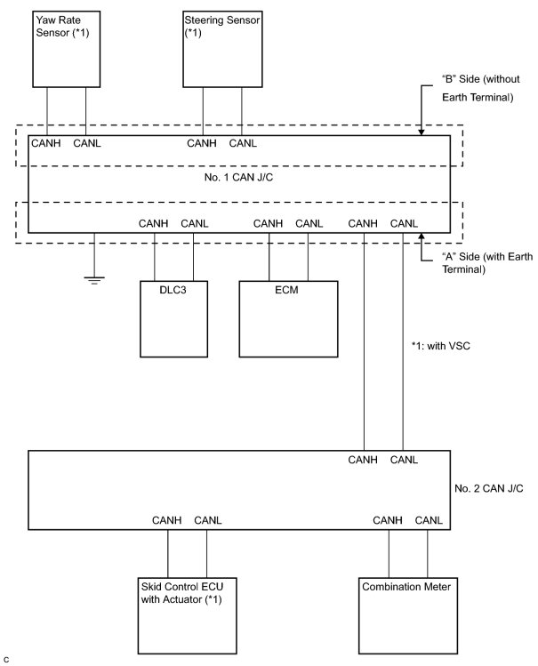
*: with VSC

WIRING DIAGRAM





INSPECTION PROCEDURE

NOTICE:
- Turn the ignition switch off before measuring the resistance of the CAN main wires and CAN branch wires.
- After the ignition switch is turned off, check that the key reminder warning system and light reminder warning system are not operating.
- Before measuring the resistance, leave the vehicle as is for at least 1 minute and do not operate the ignition switch, any other switches or the doors. If doors need to be opened in order to check connectors, open the doors and leave them open.

HINT: Operating the ignition switch, any other switches, or any doors triggers related ECU and sensor communication on the CAN. This communication will cause the resistance value to change.

PROCEDURE

1. CHECK FOR SHORT TO B+ IN CAN BUS WIRE (DLC3 BRANCH WIRE, CANH)





(a) Turn the ignition switch off.
(b) Disconnect the DLC3 branch wire gray connector (J5) from the No. 1 CAN J/C "A" side (with earth terminal).

NOTICE:
- Before disconnecting the connector, make a note of where it is connected.
- Reconnect the connector to its original position.





(c) Measure the resistance according to the value(s) in the table below.
Standard resistance:





(d) Reconnect the DLC3 branch wire connector (J5) to the No. 1 CAN J/C "A" side (with earth terminal).
NG -- REPAIR OR REPLACE DLC3 BRANCH WIRE OR CONNECTOR
OK -- Continue to next step.
2. CHECK FOR SHORT TO B+ IN CAN BUS WIRE (CAN J/C SIDE)





(a) Disconnect the CAN main bus wire white connector (J22) from the No. 1 CAN J/C "A" side (with earth terminal).





(b) Measure the resistance between terminals 6 (CANH) and 16 (BAT) of the DLC3 each time a connector is disconnected.
Standard resistance:





OK -- CHECK FOR SHORT TO B+ IN CAN BUS WIRE
NG -- Continue to next step.
3. CHECK FOR SHORT TO B+ IN CAN BUS WIRE





(a) Disconnect the connectors from the No. 1 CAN J/C one at a time.

HINT: Disconnect the ECU and sensor connectors other than the DLC3 branch wires and CAN main bus wires between the No. 1 CAN J/C and No. 2 CAN J/C.

(b) Measure the resistance between terminals 6 (CANH) and 16 (BAT) of the DLC3 each time a connector is disconnected.













*: with VSC









*: with VSC

NOTE: Do not reconnect the disconnected connectors until this inspection is complete because there may be a short to +B in 2 or more CAN bus wires.

Result:





(c) When there is a short to +B in one or more of the bus wires connected to an ECU (or sensor):
(1) Reconnect all of the connectors to the No. 1 CAN J/C, except for the one that was disconnected last (the bus wire that is shorted to +B). Check that the resistance shown on the tester is normal (6 kOhms or more) to confirm that there is a short to +B in one bus wire only.

HINT:
- The connectors connected to the No. 1 CAN J/C can be distinguished according to the color of the communication bus wires and the shape of the connectors.
- Reconnecting the connectors to non-specified positions on the No. 1 CAN J/C does not affect system operation. However, it is preferred to reconnect the connectors to their specified positions to avoid negative effects on the wiring such as tension on the wiring harnesses, and to make future maintenance easier.

NG -- REPLACE CAN J/C
OK -- Continue to next step.
4. RECONNECT CONNECTOR
(a) Reconnect the connector of the bus wire that is shorted to +B to the No. 1 CAN J/C (the connector that caused the bus wire resistance to change to 6 kOhms or more when it was disconnected).
NEXT -- Continue to next step.
5. CHECK FOR SHORT TO B+ IN CAN BUS WIRE





(a) Disconnect the connector that includes terminal CANH from the ECU (or sensor) to which the bus wire shorted to +B is connected. (Pinout Values and Diagnostic Parameters)

(b) Measure the resistance according to the value(s) in the table below.
Standard resistance:





HINT: If the resistance changes to 6 kOhms or higher when the connector is disconnected from the ECU (or sensor), there may be a short in the ECU (or sensor).

NG -- REPAIR OR REPLACE CORRESPONDING ECU OR SENSOR BUS WIRE OR CONNECTOR
OK -- REPLACE CORRESPONDING ECU OR SENSOR
6. CHECK FOR SHORT TO B+ IN CAN BUS WIRE
(a) Reconnect the CAN main bus wire connector (J22) to the No. 1 CAN J/C "A" side (with earth terminal).
(b) Disconnect the No. 2 CAN J/C connector (J18).









(c) Measure the resistance according to the value(s) in the table below.
Standard resistance:





OK -- CHECK FOR SHORT TO B+ IN CAN BUS WIRE (COMBINATION METER MAIN BUS WIRE, CANH)
NG -- Continue to next step.
7. CHECK FOR SHORT TO B+ IN CAN BUS WIRE (NO. 1 CAN J/C - NO. 2 CAN J/C)





(a) Disconnect the CAN main bus wire white connector (J22) from the No. 1 CAN J/C "A" side (with earth terminal).





(b) Measure the resistance according to the value(s) in the table below.
Standard resistance:





HINT: Measure the resistance with the No. 2 CAN J/C connector (J18) disconnected.

NG -- REPAIR OR REPLACE CAN BUS MAIN WIRE (NO. 1 CAN J/C - NO. 2 CAN J/C)
OK -- Continue to next step.
8. RECONNECT CONNECTOR
(a) Reconnect the No. 2 CAN J/C connector (J18).
NEXT -- Continue to next step.
9. CHECK FOR SHORT TO B+ IN CAN BUS WIRE (COMBINATION METER MAIN BUS WIRE, CANH)
(a) Disconnect the No. 2 CAN J/C connector (J18).









(b) Measure the resistance according to the value(s) in the table below.
Standard resistance:





OK -- CHECK FOR SHORT TO B+ IN CAN BUS WIRE (SKID CONTROL ECU, CANH)
NG -- Continue to next step.
10. CHECK FOR SHORT TO B+ IN CAN BUS WIRE (COMBINATION METER)
(a) Disconnect the combination meter connector (C7).









(b) Measure the resistance according to the value(s) in the table below.
Standard resistance:





HINT: Measure the resistance with the No. 2 CAN J/C connector (J18) disconnected.

NG -- REPAIR OR REPLACE CAN BUS MAIN WIRE OR CONNECTOR (COMBINATION METER - NO. 2 CAN J/C)
OK -- REPLACE COMBINATION METER
11. CHECK FOR SHORT TO B+ IN CAN BUS WIRE (SKID CONTROL ECU, CANH)
(a) Disconnect the skid control ECU connector (S1).









(b) Measure the resistance according to the value(s) in the table below.
Standard resistance:





OK -- REPLACE BRAKE ACTUATOR ASSEMBLY
NG -- REPAIR OR REPLACE SKID CONTROL ECU BRANCH WIRE OR CONNECTOR