Curiosii for ever!: Car repair manuals for everyone.

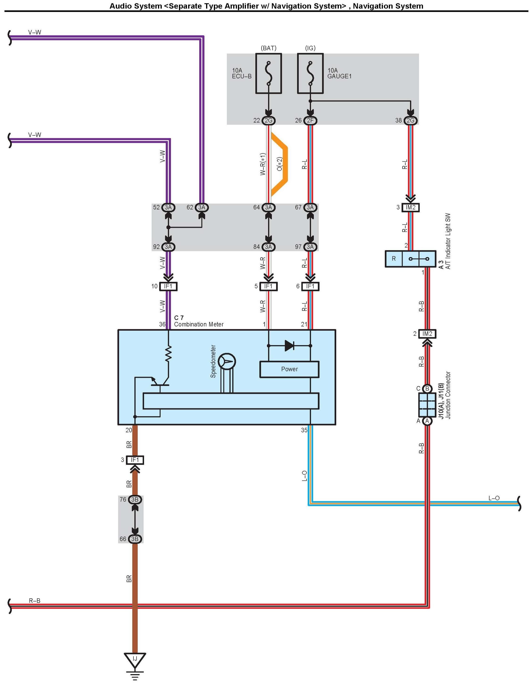
Audio System (Separate Type Amplifier w/ Navigation System), Navigation System

Audio System (Separate Type Amplifier System), Navigation System Part 1:




Audio System (Separate Type Amplifier System), Navigation System Part 2:




Audio System (Separate Type Amplifier System), Navigation System Part 3:




Audio System (Separate Type Amplifier System), Navigation System Part 4:




Audio System (Separate Type Amplifier System), Navigation System Part 5:




Audio System (Separate Type Amplifier System), Navigation System Part 6:




Connector Pin Outs Part 1:




Connector Pin Outs Part 2:




Connector Pin Outs Part 3:




Connector Pin Outs Part 4:






Locations: The locations of components, connectors, ground points, and splices referred to within these diagrams can be found at Vehicle Locations. Locations