Curiosii for ever!: Car repair manuals for everyone.

Navigation Receiver Assembly Power Source Circuit








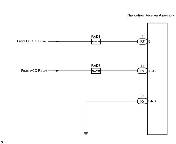
NAVIGATION SYSTEM: Navigation Receiver Assembly Power Source Circuit

Navigation Receiver Assembly Power Source Circuit

DESCRIPTION

This is the power source circuit to operate the navigation receiver assembly.

WIRING DIAGRAM





INSPECTION PROCEDURE

PROCEDURE

1. INSPECT NAVIGATION RECEIVER ASSEMBLY





(a) Disconnect the navigation receiver assembly connector R7.
(b) Measure the resistance according to the value(s) in the table below.
Standard resistance:





(c) Measure the voltage according to the value(s) in the table below.
Standard voltage:





NG -- REPAIR OR REPLACE HARNESS OR CONNECTOR
OK -- PROCEED TO NEXT CIRCUIT INSPECTION SHOWN IN PROBLEM SYMPTOMS TABLE