Curiosii for ever!: Car repair manuals for everyone.

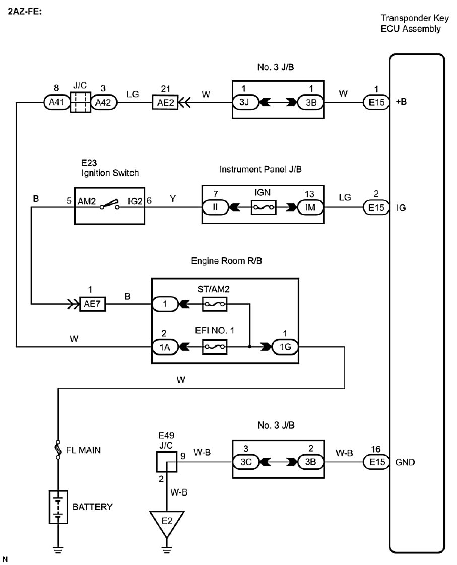
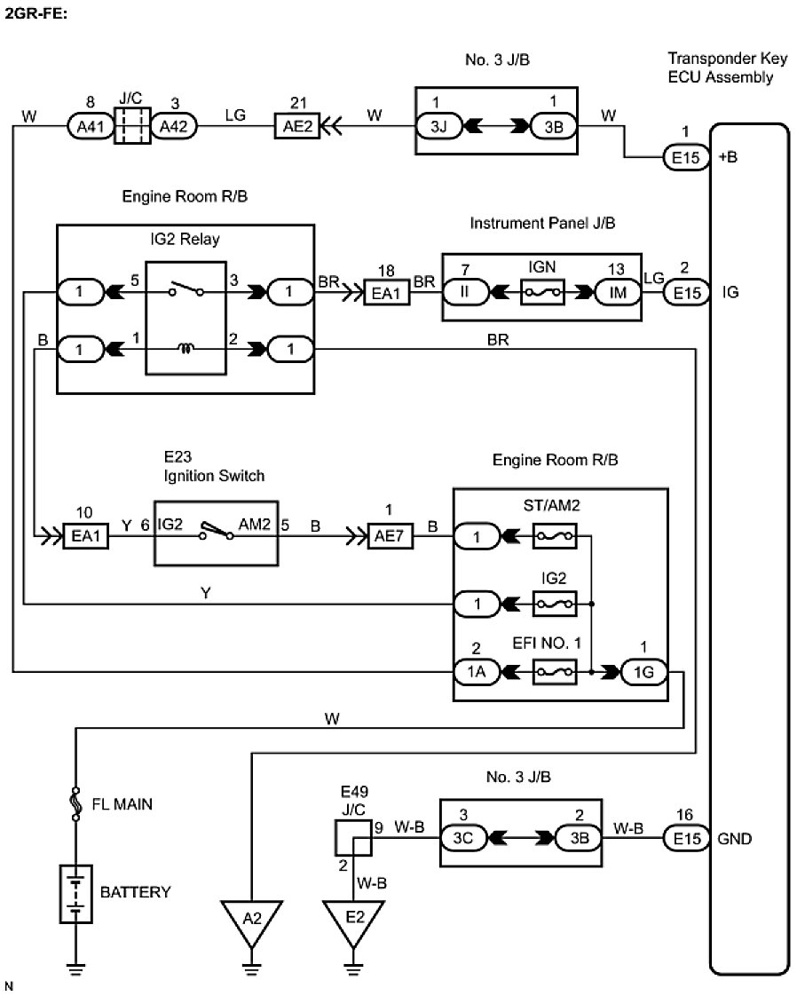
ECU Power Source Circuit








ENGINE IMMOBILISER SYSTEM (w/o Smart Key System): ECU Power Source Circuit

ECU Power Source Circuit

DESCRIPTION

This circuit provides power to operate the transponder key ECU assembly.

WIRING DIAGRAM









INSPECTION PROCEDURE

NOTE: If the transponder key ECU assembly is replaced, register the key and ECU communication ID (Engine Immobiliser System (W/O Smart Key System)).

PROCEDURE

1. CHECK HARNESS AND CONNECTOR (TRANSPONDER KEY ECU - BATTERY)





(a) Disconnect the E15 ECU connector.
(b) Measure the voltage according to the value(s) in the table below.
Standard voltage:





NG -- REPAIR OR REPLACE HARNESS OR CONNECTOR, OR REPLACE FUSE
OK -- Continue to next step.
2. CHECK HARNESS AND CONNECTOR (TRANSPONDER KEY ECU - BODY GROUND)





(a) Measure the resistance according to the value(s) in the table below.
Standard resistance:





NG -- REPAIR OR REPLACE HARNESS OR CONNECTOR
OK -- PROCEED TO NEXT CIRCUIT INSPECTION SHOWN IN PROBLEM SYMPTOMS TABLE