Curiosii for ever!: Car repair manuals for everyone.

ECM Communication Stop Mode








CAN COMMUNICATION SYSTEM: ECM Communication Stop Mode

ECM Communication Stop Mode

DESCRIPTION





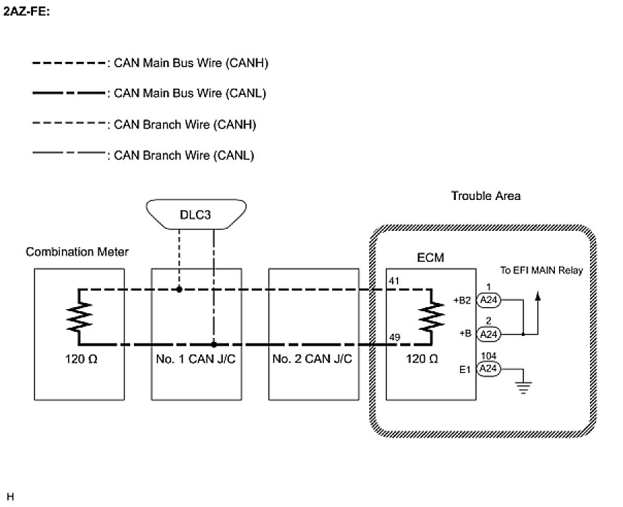
WIRING DIAGRAM









INSPECTION PROCEDURE

NOTICE:
- Turn the ignition switch off before measuring the resistance of the CAN main wire and CAN branch wires.
- After the ignition switch is turned off, check that the key reminder warning system and light reminder warning system are not operating.
- Before measuring the resistance, leave the vehicle as is for at least 1 minute and do not operate the ignition switch, any other switches or the doors. If doors need to be opened in order to check connectors, open the doors and leave them open.

HINT: Operating the ignition switch, any other switches or any triggers related ECU and sensor communication on the CAN, which would cause resistance reading variations.

PROCEDURE

1. CHECK OPEN IN CAN BUS WIRE (ECU MAIN BUS WIRE)





(a) Reconnect the CAN main bus wire connector (A40) to the No. 2 CAN J/C (front side of the vehicle).
(b) Disconnect the ECM connector.
(c) Measure the resistance according to the value(s) in the table below.
Standard resistance:
2AZ-FE
2GR-FE









NG -- REPAIR OR REPLACE CAN MAIN WIRE OR CONNECTOR
OK -- Continue to next step.
2. CHECK ECM POWER SOURCE CIRCUIT
(a) Check the ECM power source circuit (ECM Power Source Circuit)
Result:





C -- REPAIR OR REPLACE ECM POWER SOURCE CIRCUIT
B -- REPLACE ECM (2GR-FE)
A -- REPLACE ECM (2AZ-FE)