Curiosii for ever!
: Car repair manuals for everyone.
Home
>>
Toyota
>>
2008
>>
Camry L4-2.4L (2AZ-FE)
>>
Repair and Diagnosis
>>
Powertrain Management
>>
Computers and Control Systems
>>
Information Bus
>>
Locations
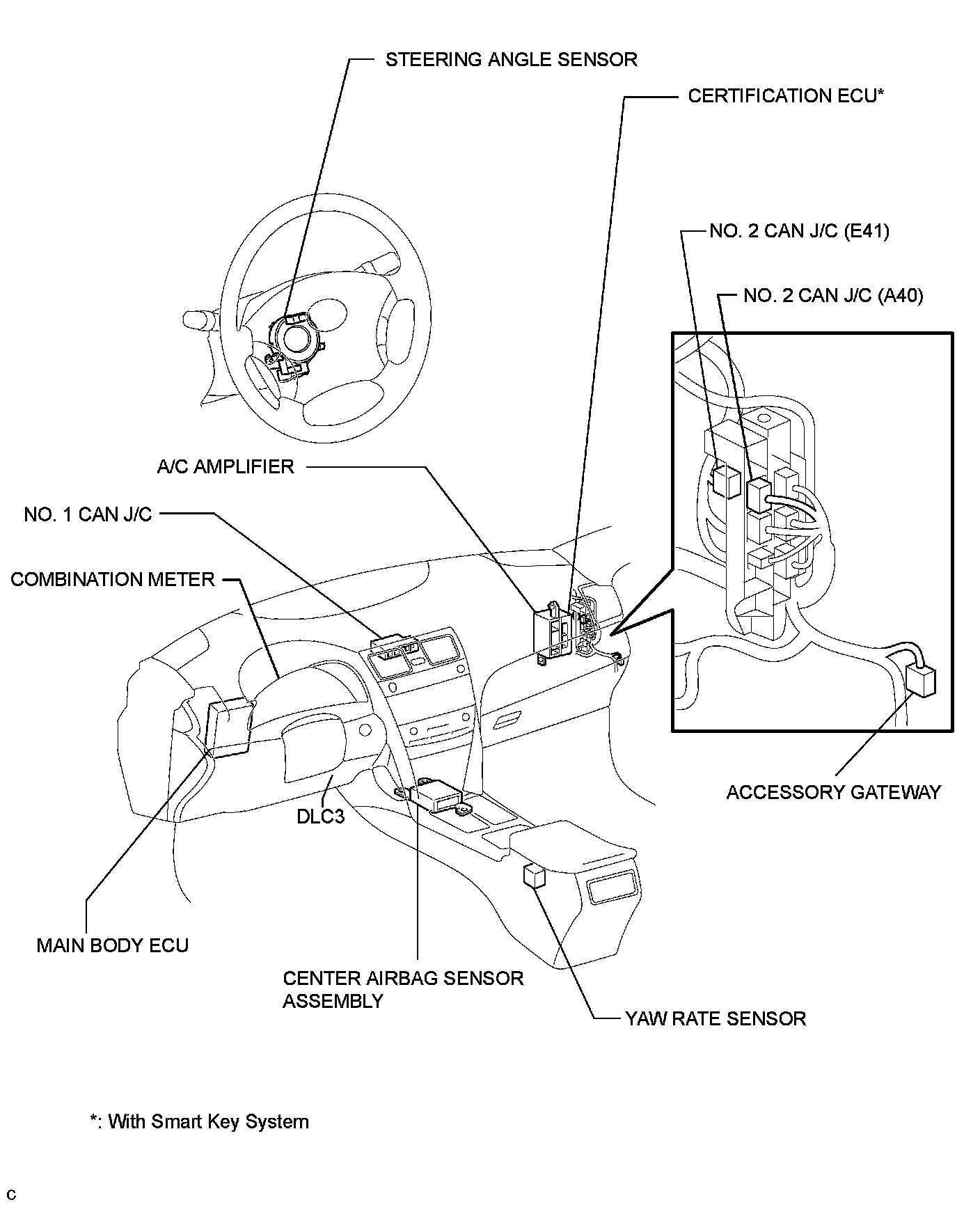
Information Bus: Locations
CAN COMMUNICATION SYSTEM:
PARTS LOCATION