Curiosii for ever!: Car repair manuals for everyone.

Microphone Circuit Between Microphone and Navigation Receiver Assembly








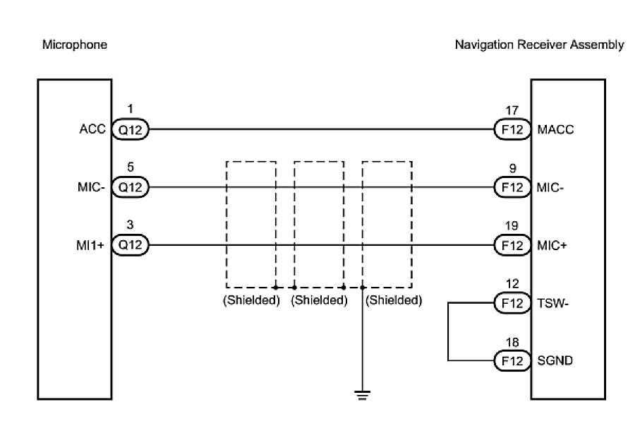
NAVIGATION SYSTEM: Microphone Circuit between Microphone and Navigation Receiver Assembly

Microphone Circuit between Microphone and Navigation Receiver Assembly

DESCRIPTION

This circuit sends a microphone signal from the microphone to the navigation receiver assembly.
It also supplies power from the navigation receiver assembly to the microphone.

WIRING DIAGRAM





INSPECTION PROCEDURE

PROCEDURE

1. INSPECT NAVIGATION RECEIVER ASSEMBLY





(a) Measure the voltage according to the value(s) in the table below.
Standard voltage:





NG -- REPLACE NAVIGATION RECEIVER ASSEMBLY
OK -- Continue to next step.
2. CHECK HARNESS AND CONNECTOR





(a) Disconnect the navigation receiver assembly connector F12.
(b) Measure the resistance according to the value(s) in the table below.
Standard resistance:





NG -- REPAIR OR REPLACE HARNESS OR CONNECTOR
OK -- Continue to next step.
3. CHECK HARNESS AND CONNECTOR (MICROPHONE - NAVIGATION RECEIVER ASSEMBLY)





(a) Disconnect the microphone connector Q12 and navigation receiver assembly connector F12.
(b) Measure the resistance according to the value(s) in the table below.
Standard resistance:





NG -- REPAIR OR REPLACE HARNESS OR CONNECTOR
OK -- PROCEED TO NEXT CIRCUIT INSPECTION SHOWN IN PROBLEM SYMPTOMS TABLE