Curiosii for ever!: Car repair manuals for everyone.

Power Window Master Switch Power Source Circuit









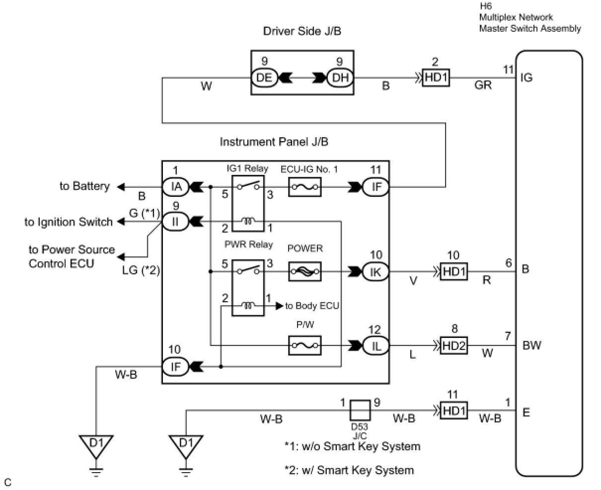
WINDSHIELD / WINDOWGLASS: POWER WINDOW CONTROL SYSTEM: Power Window Master Switch Power Source Circuit

Power Window Master Switch Power Source Circuit

DESCRIPTION

This circuit supplies power to operate the multiplex network master switch.

WIRING DIAGRAM





INSPECTION PROCEDURE

PROCEDURE

1. CHECK WIRE HARNESS (MULTIPLEX NETWORK MASTER SWITCH - BATTERY AND BODY GROUND)





(a) Disconnect the H6 connector.
(b) Measure the resistance and voltage according to the value(s) in the table below.
Resistance:






Voltage:






NG -- REPAIR OR REPLACE HARNESS OR CONNECTOR
OK -- PROCEED TO NEXT INSPECTION PROCEDURE SHOWN IN PROBLEM SYMPTOMS TABLE