Curiosii for ever!: Car repair manuals for everyone.

Air Intake Control Circuit









2GR-FE ENGINE CONTROL SYSTEM: SFI SYSTEM: Air Intake Control Circuit

Air Intake Control Circuit

DESCRIPTION

The air cleaner is equipped with two inlets, one of which is opened or closed by the Air Intake Control Valve (AICV). This system reduces intake noise and increases engine power at low-to-high engine speeds range.
When the engine is operating in the low-to-mid speed range, this control operates the AICV to close one of the air cleaner inlets. When the engine speed is more than 3,600 rpm and the opening angle of the throttle valve is more than 60°, the ECM activates the VSV and opens the AICV.





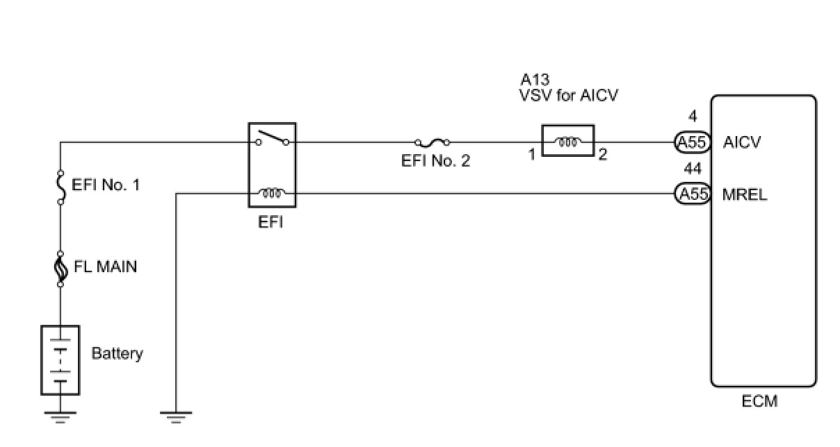
WIRING DIAGRAM





INSPECTION PROCEDURE

PROCEDURE

1. PERFORM ACTIVE TEST BY TECHSTREAM (VSV FOR AICV)





(a) Turn the ignition switch on (IG) and turn the tester on.
(b) Select the following menu items: Powertrain / Engine / Active Test / Activate the VSV for Intake Control and operate the VSV for AICV.
(c) Check the operation of the VSV when the VSV is operated by Techstream.
Standard:






OK -- CHECK HARNESS AND CONNECTOR (VSV FOR AICV - ECM, VSV FOR AICV - EFI RELAY)
NG -- Continue to next step.
2. CHECK VSV (FOR AICV)
(a) Inspect the intake air control valve assembly Testing and Inspection.
NG -- REPLACE INTAKE AIR CONTROL VALVE ASSEMBLY
OK -- Continue to next step.
3. INSPECT TERMINAL VOLTAGE (VSV FOR AICV CONNECTOR)





(a) Disconnect the VSV for AICV connector.
(b) Turn the ignition switch on (IG).
(c) Measure the voltage according to the value(s) on the table below.
Standard voltage:






NG -- REPAIR OR REPLACE HARNESS OR CONNECTOR (EFI NO. 2 FUSE - VSV FOR AICV)
OK -- Continue to next step.
4. CHECK HARNESS AND CONNECTOR (VSV FOR AICV - ECM, VSV FOR AICV - EFI RELAY)





(a) Check the wire harness between the VSV for AICV connector and the ECM connector.
(1) Disconnect the VSV for AICV connector.
(2) Disconnect the ECM connector.
(3) Measure the resistance between the terminals of the wire harness side connectors and body ground.
Standard resistance (Check for open):






Standard resistance (Check for short):






(4) Reconnect the ECM connector.
NG -- REPAIR OR REPLACE HARNESS OR CONNECTOR
OK -- Continue to next step.
5. INSPECT VACUUM TANK
(a) Inspect the vacuum tank Inspection.
NG -- REPAIR OR REPLACE AIR CLEANER CAP
OK -- REPLACE ECM