Curiosii for ever!: Car repair manuals for everyone.

Skid Control ECU Communication Stop Mode









CAN COMMUNICATION: CAN COMMUNICATION SYSTEM: Skid Control ECU Communication Stop Mode

Skid Control ECU Communication Stop Mode

DESCRIPTION





HINT:
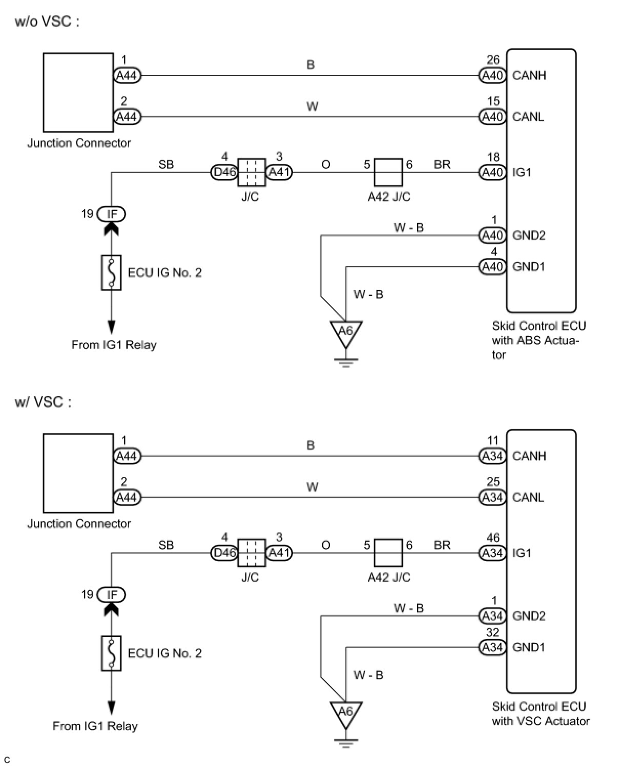
- *1: w/o VSC
- *2: w/ VSC

WIRING DIAGRAM





INSPECTION PROCEDURE

PROCEDURE

1. CHECK VEHICLE
(a) Check the vehicle type.
Result:






B -- CHECK CAN BUS WIRE (SKID CONTROL ECU MAIN BUS LINE DISCONNECTION)
A -- Continue to next step.
2. CHECK CAN BUS WIRE (SKID CONTROL ECU MAIN BUS LINE DISCONNECTION)





(a) Turn the ignition switch off.
(b) Disconnect the skid control ECU connector (A40).
(c) Measure the resistance according to the value(s) in the table below.
Resistance:






NG -- REPAIR OR REPLACE WIRE HARNESS OR CONNECTOR (CAN-H, CAN-L)
OK -- Continue to next step.
3. CHECK WIRE HARNESS (IG1, GND1)





(a) Measure the resistance and voltage according to the value(s) in the table below.
Resistance and voltage:






NG -- REPAIR OR REPLACE WIRE HARNESS OR CONNECTOR
OK -- REPLACE SKID CONTROL ECU WITH ACTUATOR
4. CHECK CAN BUS WIRE (SKID CONTROL ECU MAIN BUS LINE DISCONNECTION)





(a) Turn the ignition switch off.
(b) Disconnect the skid control ECU connector (A34).
(c) Measure the resistance according to the value(s) in the table below.
Resistance:






NG -- REPAIR OR REPLACE WIRE HARNESS OR CONNECTOR (CAN-H, CAN-L)
OK -- Continue to next step.
5. CHECK WIRE HARNESS (IG1, GND1, GND2)





(a) Measure the resistance and voltage according to the value(s) in the table below.
Resistance and voltage:






NG -- REPAIR OR REPLACE WIRE HARNESS OR CONNECTOR
OK -- REPLACE SKID CONTROL ECU WITH ACTUATOR