Curiosii for ever!: Car repair manuals for everyone.

Distance Control ECU Communication Stop Mode









CAN COMMUNICATION: CAN COMMUNICATION SYSTEM: Distance Control ECU Communication Stop Mode

Distance Control ECU Communication Stop Mode

DESCRIPTION





NOTICE: This is not applicable to a vehicle without a dynamic laser cruise control system.

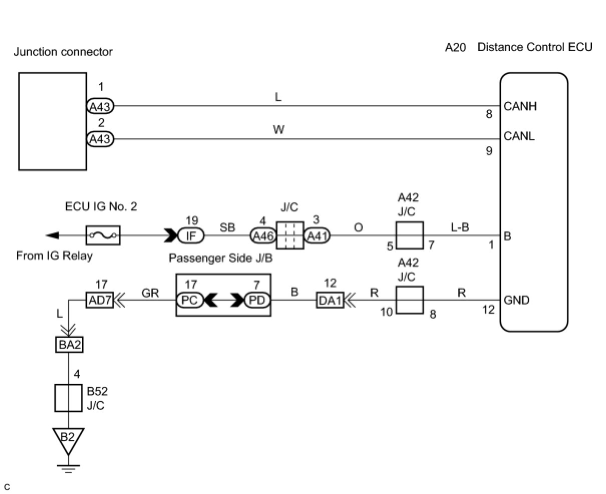
WIRING DIAGRAM





INSPECTION PROCEDURE

PROCEDURE

1. CHECK CAN BUS WIRE (DISTANCE CONTROL ECU SUB BUS LINE DISCONNECTION)





(a) Turn the ignition switch off.
(b) Disconnect the distance control ECU connector (A20).
(c) Measure the resistance according to the value(s) in the table below.
Resistance:






NG -- REPAIR OR REPLACE DISTANCE CONTROL ECU BRANCH WIRE OR CONNECTOR (CAN-H, CAN-L)
OK -- Continue to next step.
2. CHECK WIRE HARNESS (B, GND)





(a) Measure the resistance and voltage according to the value(s) in the table below.
Resistance and voltage:






NG -- REPAIR OR REPLACE HARNESS OR CONNECTOR
OK -- REPAIR OR REPLACE DISTANCE CONTROL ECU