Curiosii for ever!: Car repair manuals for everyone.

Remote Control Mirror (w/ Driving Position Memory)

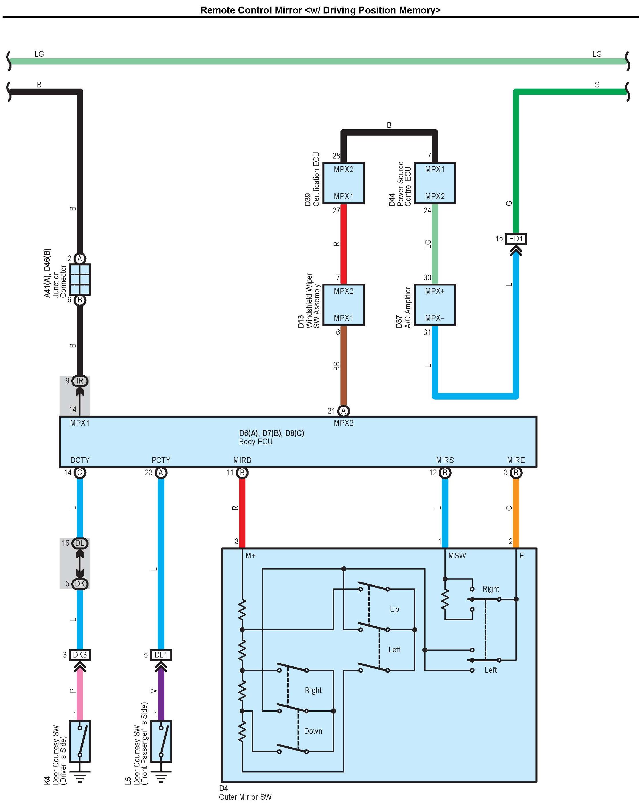
Remote Control Mirror <w/ Driving Position Memory> Part 1:




Remote Control Mirror <w/ Driving Position Memory> Part 2:




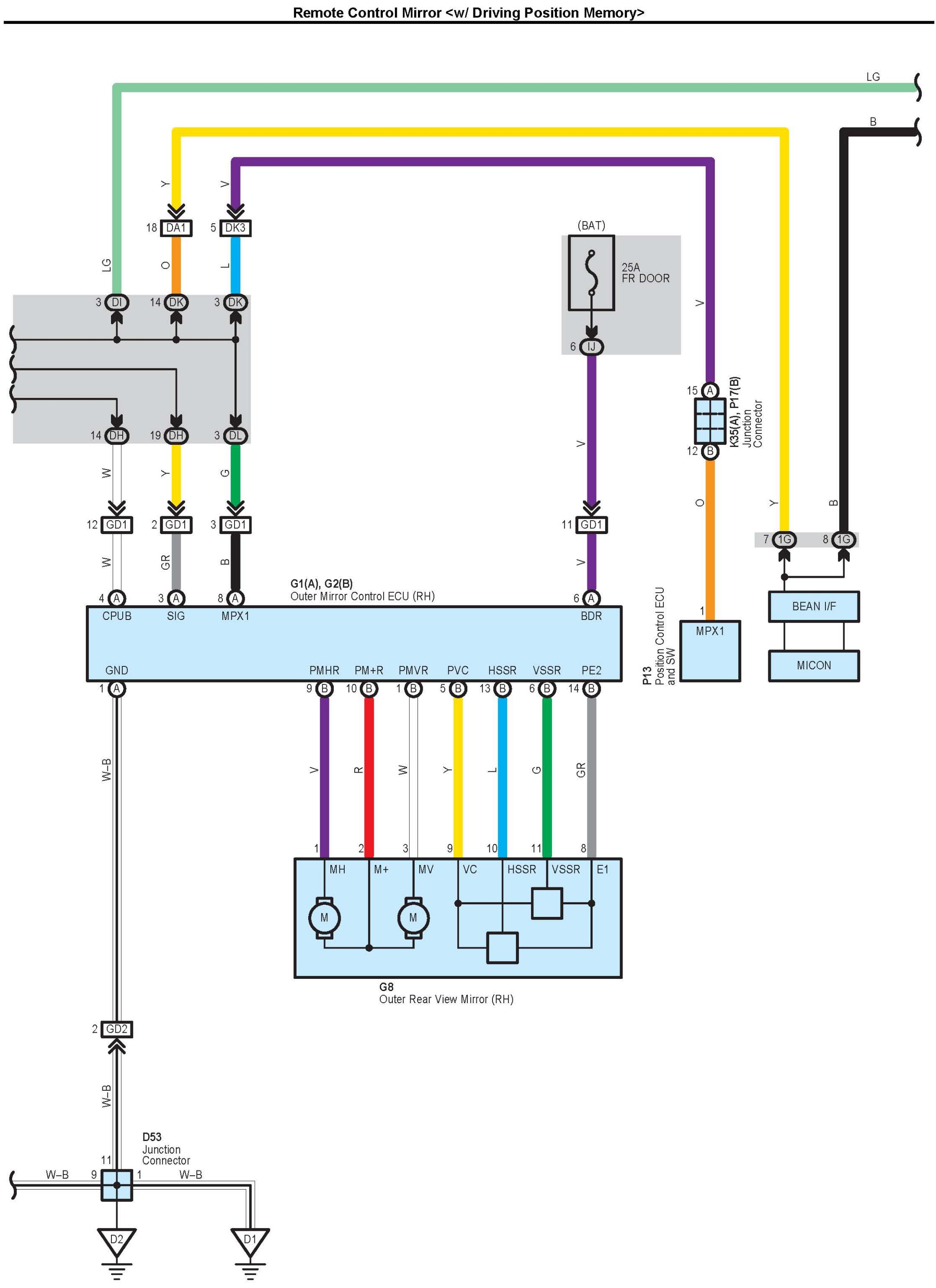
Remote Control Mirror <w/ Driving Position Memory> Part 3:




Remote Control Mirror <w/ Driving Position Memory> Part 4:




Connector Pin Outs Part 1:




Connector Pin Outs Part 2:




Connector Pin Outs Part 3:




Connector Pin Outs Part 4:




Connector Pin Outs Part 5:




Connector Pin Outs Part 6:






Locations: The locations of components, connectors, ground points, and splices referred to within these diagrams can be found at Vehicle Locations. Locations