Curiosii for ever!: Car repair manuals for everyone.

Headlamp Alignment Control Module

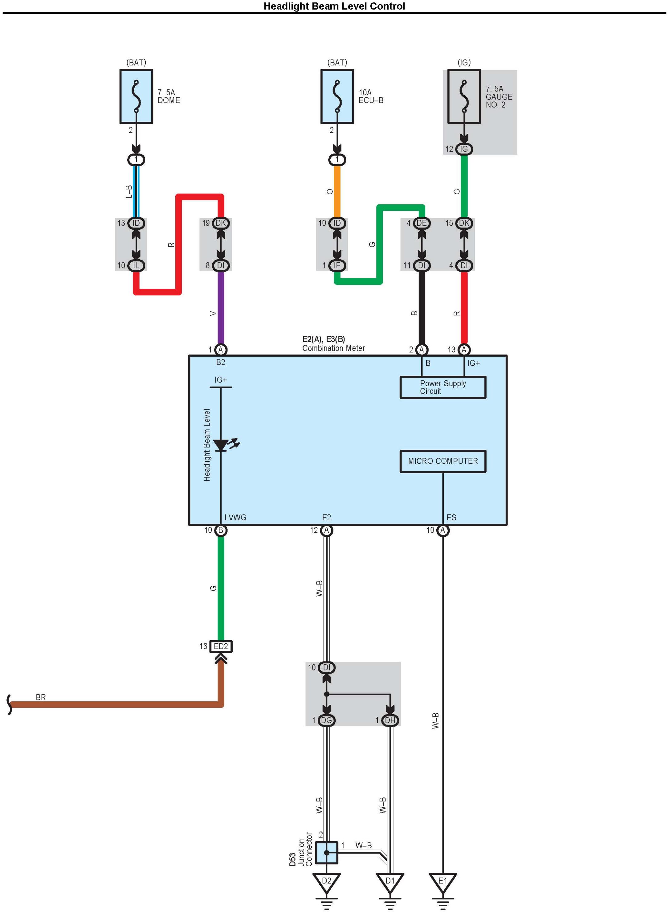
Headlight Beam Level Control Part 1:




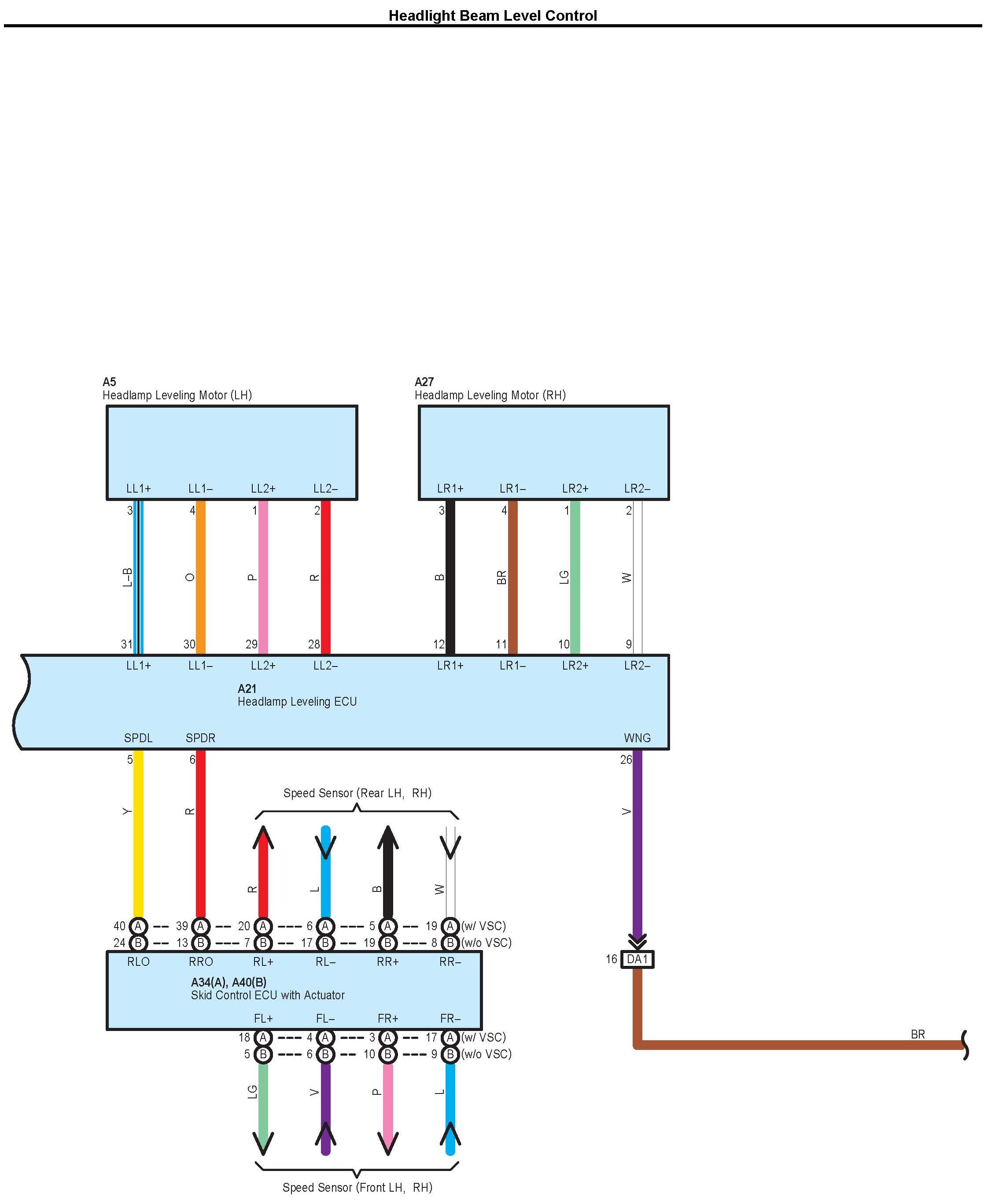
Headlight Beam Level Control Part 2:




Headlight Beam Level Control Part 3:




Connector Pin Outs Part 1:




Connector Pin Outs Part 2:




Connector Pin Outs Part 3:






Locations: The locations of components, connectors, ground points, and splices referred to within these diagrams can be found at Vehicle Locations. Locations