Curiosii for ever!: Car repair manuals for everyone.

Engine Immobilizer, Push-Button Start, Steering Lock, Smart Key System

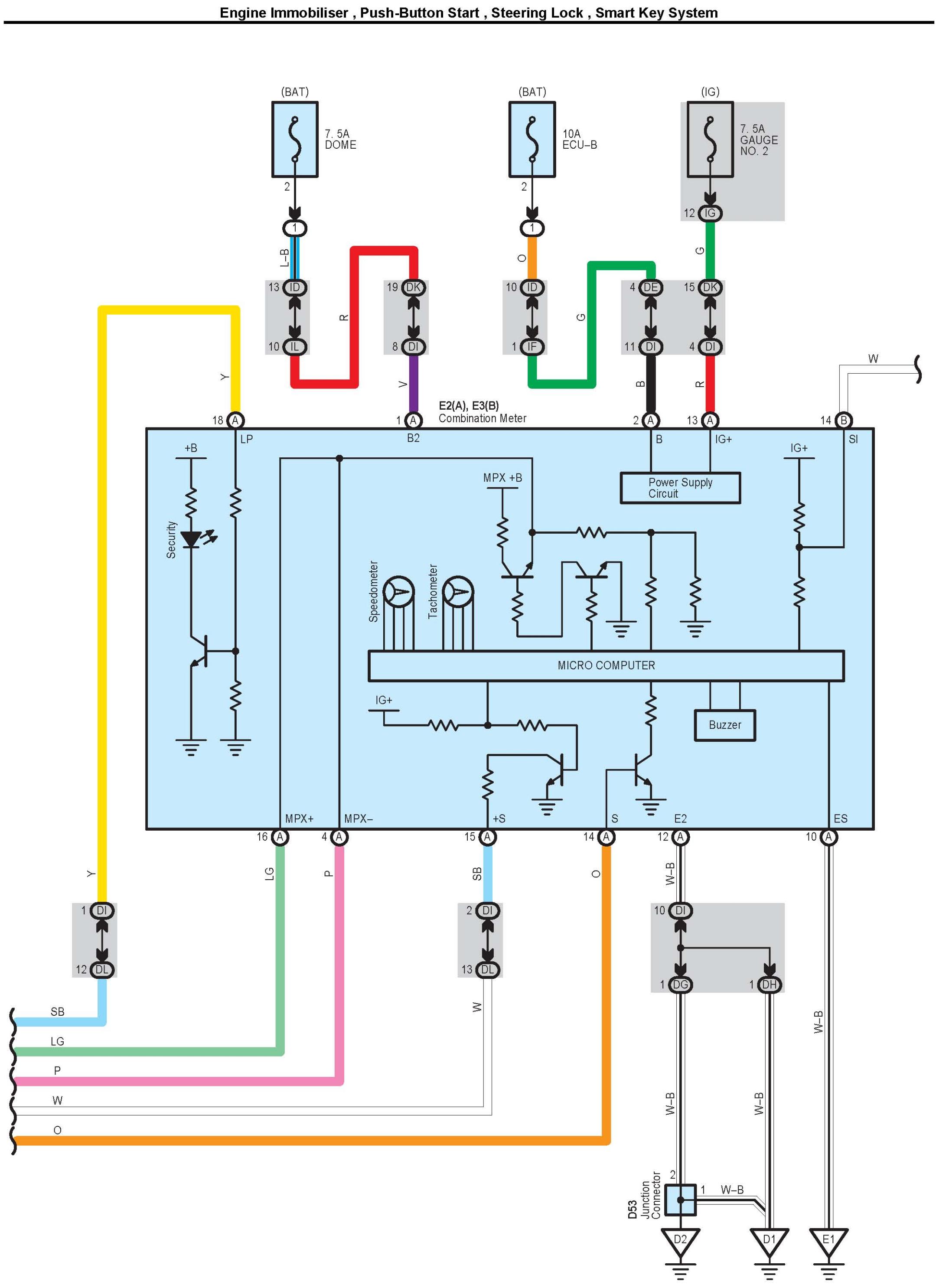
Engine Immobiliser, Push-Button Start, Steering Lock, Smart Key System Part 1:




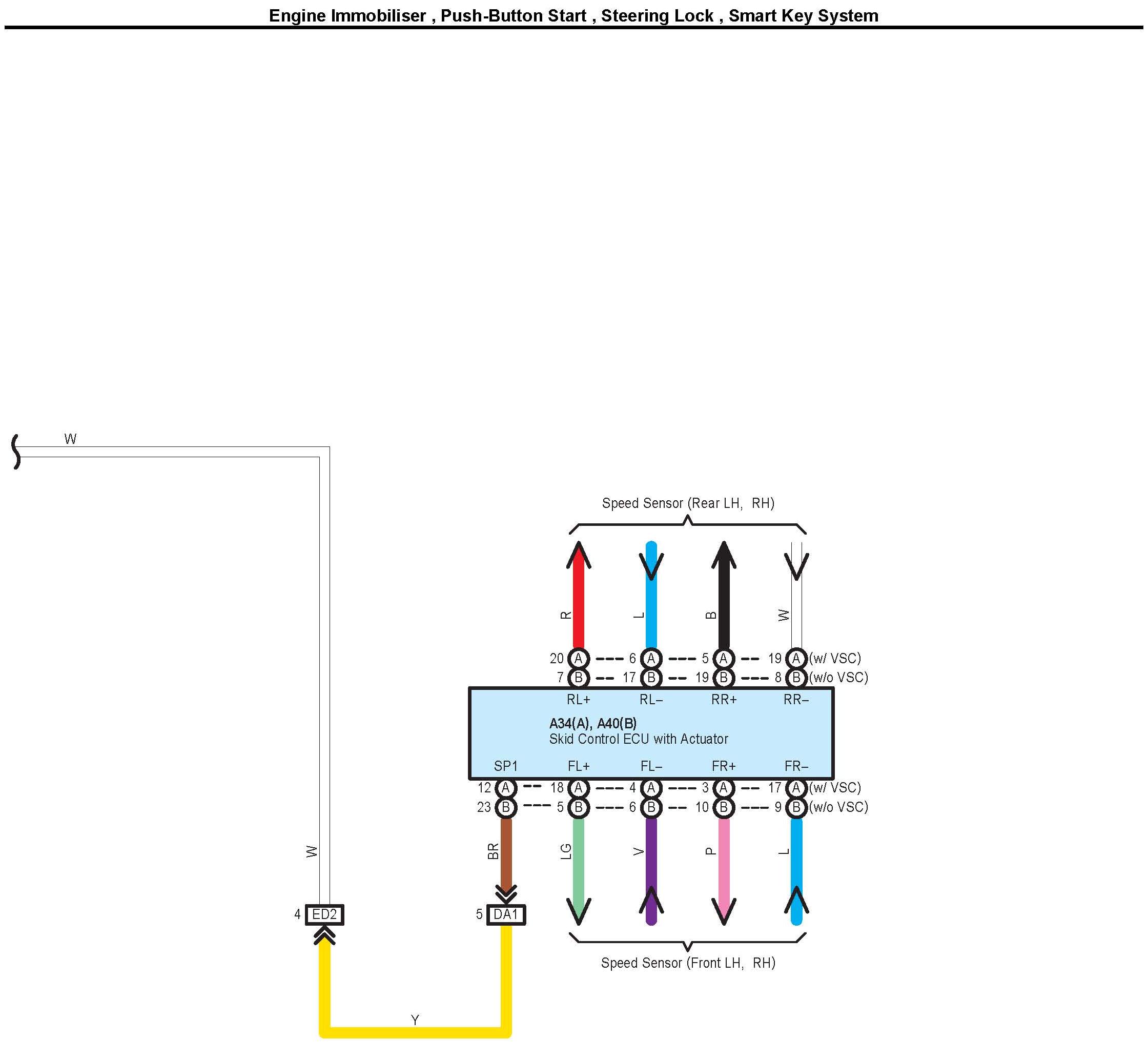
Engine Immobiliser, Push-Button Start, Steering Lock, Smart Key System Part 2:




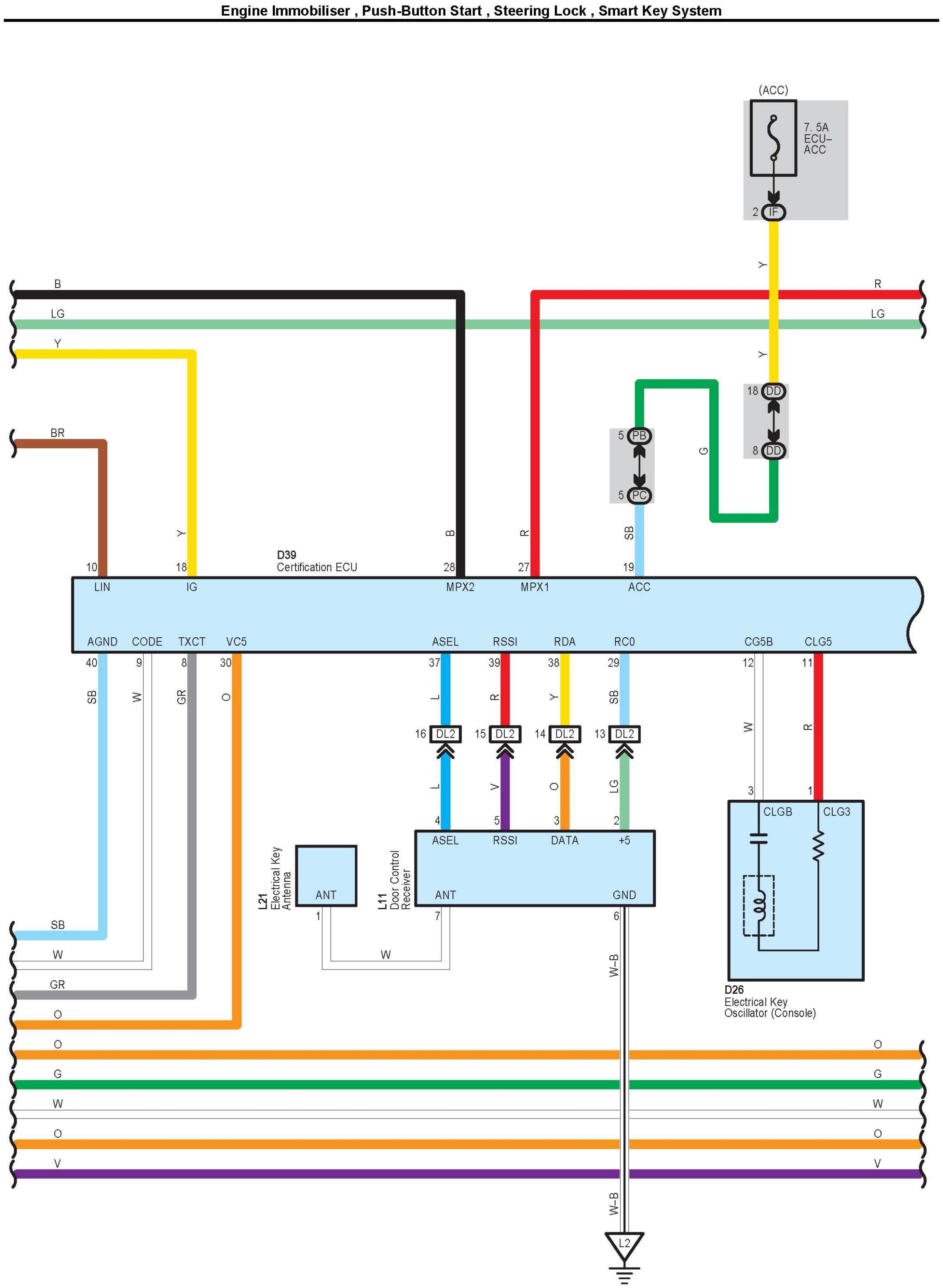
Engine Immobiliser, Push-Button Start, Steering Lock, Smart Key System Part 3:




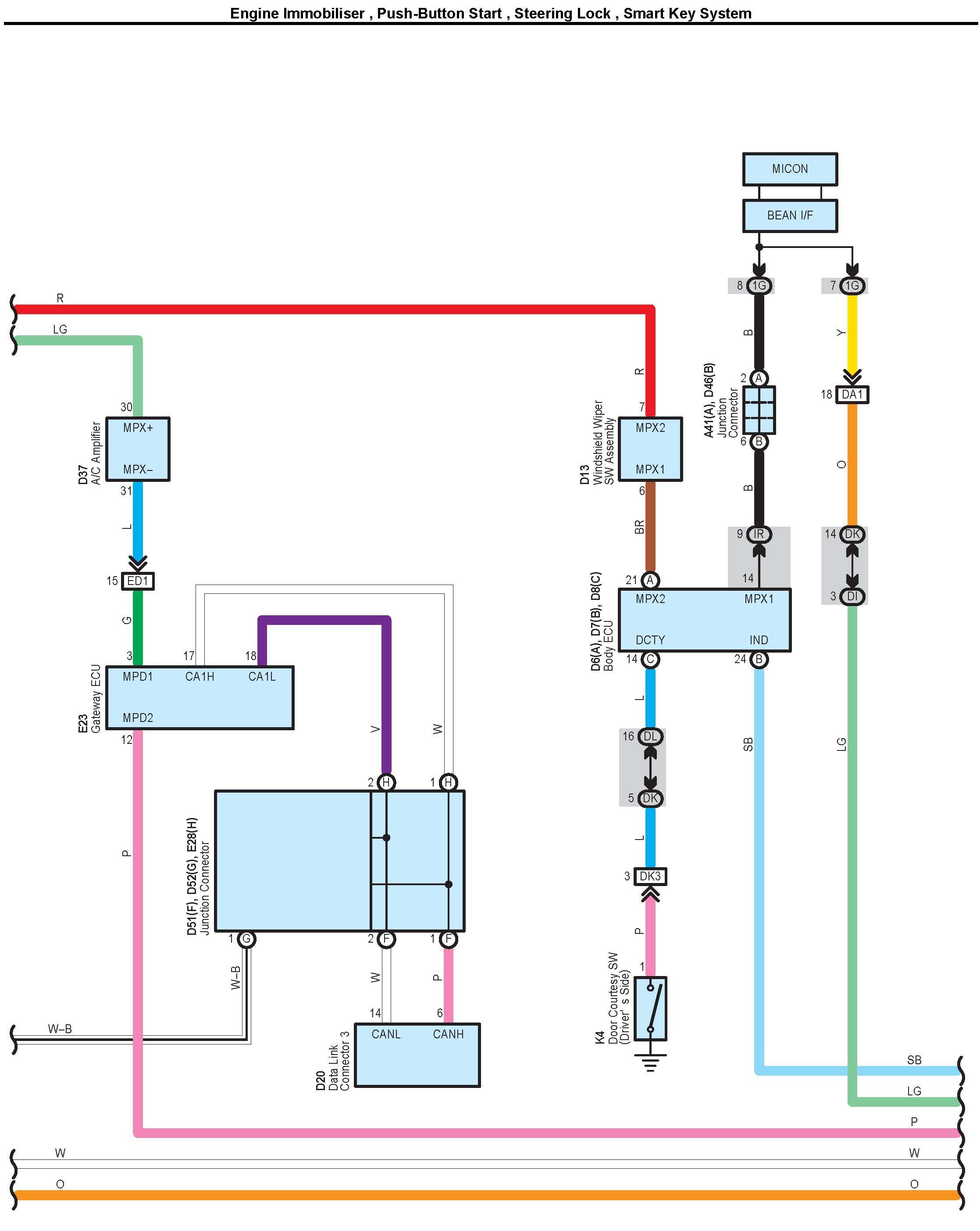
Engine Immobiliser, Push-Button Start, Steering Lock, Smart Key System Part 4:




Engine Immobiliser, Push-Button Start, Steering Lock, Smart Key System Part 5:




Engine Immobiliser, Push-Button Start, Steering Lock, Smart Key System Part 6:




Engine Immobiliser, Push-Button Start, Steering Lock, Smart Key System Part 7:




Engine Immobiliser, Push-Button Start, Steering Lock, Smart Key System Part 8:




Engine Immobiliser, Push-Button Start, Steering Lock, Smart Key System Part 8:




Engine Immobiliser, Push-Button Start, Steering Lock, Smart Key System Part 10:




Connector Pin Outs Part 1:




Connector Pin Outs Part 2:




Connector Pin Outs Part 3:




Connector Pin Outs Part 4:




Connector Pin Outs Part 5:




Connector Pin Outs Part 6:






Locations: The locations of components, connectors, ground points, and splices referred to within these diagrams can be found at Vehicle Locations. Locations