Curiosii for ever!: Car repair manuals for everyone.

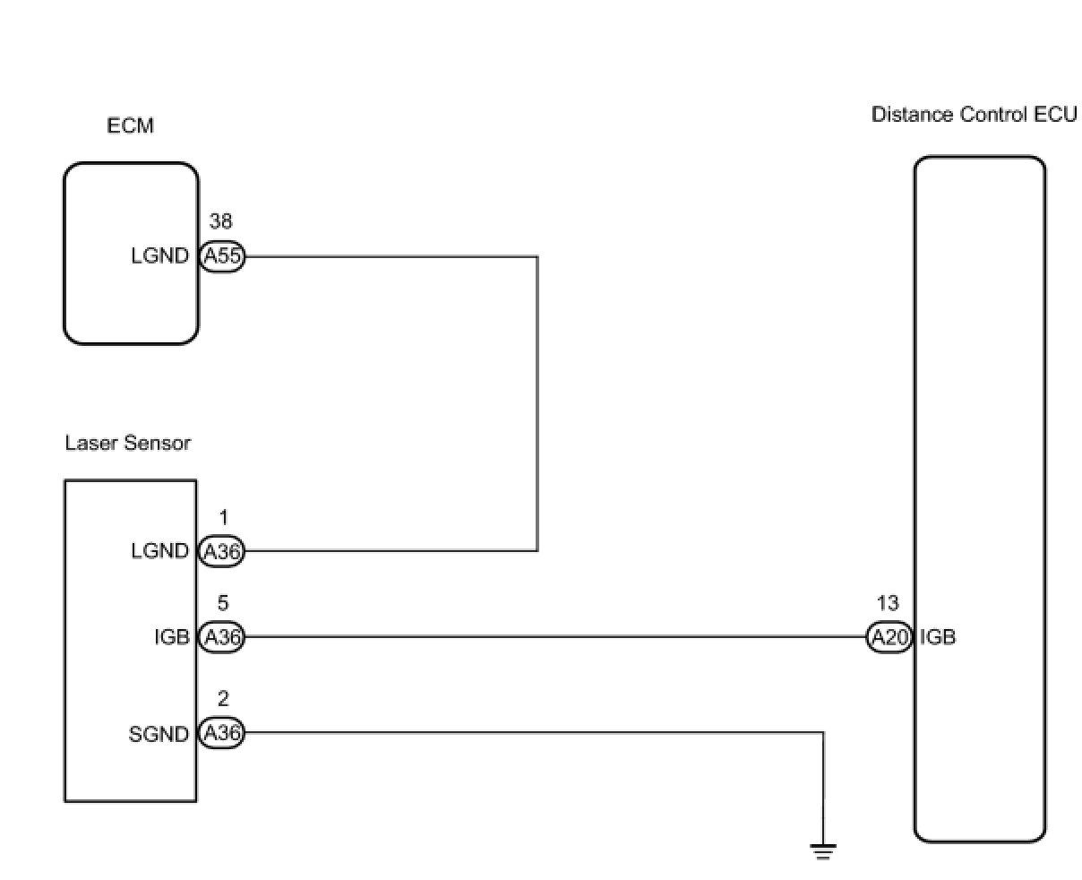
Laser Sensor Power Source Circuit









CRUISE CONTROL: DYNAMIC LASER CRUISE CONTROL SYSTEM: Laser Sensor Power Source Circuit

Laser Sensor Power Source Circuit

DESCRIPTION

This circuit provides power to operate the laser sensor. The laser sensor emits laser beams towards an object in front and measures the distance and direction of the object by receiving the beam reflections. Based on the reflections, the sensor calculates the difference in speed between your own vehicle and the object in front. This data is transmitted to the distance control ECU.
HINT: The laser sensor monitors the laser emission and reception by itself. This DTC is detected when it cannot monitor.

When rain drops or snowflakes strike the laser sensor face, the distance between the vehicle in front and your own vehicle cannot be measured correctly.
The dynamic laser cruise control system may not be able to detect the vehicle in front and may not properly maintain the correct vehicle-to-vehicle distance.

- The vehicle in front is a tall trailer.

- The back of the vehicle in front is extremely dirty.

- Emissions from the vehicle in from other lanes are heavy.

- The vehicle in front has no reflector.

- The laser sensor is receiving a strong flash of light (sunlight, etc.).

WIRING DIAGRAM





INSPECTION PROCEDURE

PROCEDURE

1. CHECK DISTANCE CONTROL ECU (IGB VOLTAGE)





(a) Disconnect the A36 sensor connector.
(b) Measure the voltage of the wire harness side connector.
Standard voltage:






NG -- CHECK HARNESS AND CONNECTOR (LASER SENSOR - DISTANCE CONTROL ECU)
OK -- Continue to next step.
2. CHECK HARNESS AND CONNECTOR (LASER SENSOR - ECM AND BODY GROUND)





(a) Disconnect the ECM A55 connector.
(b) Measure the resistance according to the value(s) in the table below.
Standard resistance:






NG -- REPAIR OR REPLACE HARNESS OR CONNECTOR
OK -- PROCEED TO NEXT CIRCUIT INSPECTION SHOWN IN PROBLEM SYMPTOMS TABLE
4. CHECK HARNESS AND CONNECTOR (LASER SENSOR - DISTANCE CONTROL ECU)





(a) Disconnect the distance control ECU connector.
(b) Measure the resistance according to the value(s) in the table below.
Standard resistance:






NG -- REPAIR OR REPLACE HARNESS OR CONNECTOR
OK -- PROCEED TO NEXT CIRCUIT INSPECTION SHOWN IN PROBLEM SYMPTOMS TABLE