Curiosii for ever!: Car repair manuals for everyone.

Display Signal Circuit Between Navigation ECU and Multi-Display









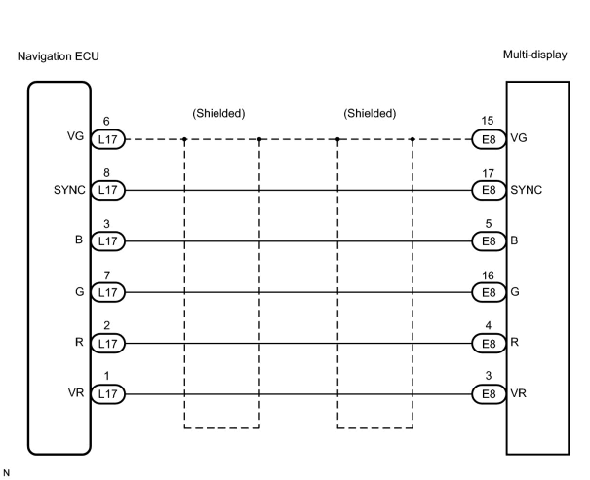
NAVIGATION: NAVIGATION SYSTEM: Display Signal Circuit between Navigation ECU and Multi-display

Display Signal Circuit between Navigation ECU and Multi-display

DESCRIPTION

This is the display signal circuit from the navigation ECU to the multi-display.

WIRING DIAGRAM





INSPECTION PROCEDURE

PROCEDURE

1. CHECK HARNESS AND CONNECTOR (NAVIGATION ECU - MULTI-DISPLAY)





(a) Disconnect the navigation ECU connector L17 and multi-display connector E8.
(b) Measure the resistance according to the value(s) in the table below.
Standard resistance:






NG -- REPAIR OR REPLACE HARNESS OR CONNECTOR
OK -- Continue to next step.
2. INSPECT NAVIGATION ECU (OUTPUT SIGNAL)





(a) Reconnect the navigation ECU connector M17.
(b) Measure the waveform according to the table below.
Standard:





HINT:
- If SYNC signals are not being input to the multi-display due to an open circuit or other causes, the green initial screen may seem pinkish-green.
- The waveform pattern may differ from those shown in the illustrations below due to differences in oscilloscope settings. A normal navigation ECU operating condition can be determined if any waveform is output.





(1) Oscilloscope wave










(2) Oscilloscope wave






NG -- REPLACE NAVIGATION ECU
OK -- PROCEED TO NEXT CIRCUIT INSPECTION SHOWN IN PROBLEM SYMPTOMS TABLE