Curiosii for ever!: Car repair manuals for everyone.

Transmission Control Systems: Description and Operation

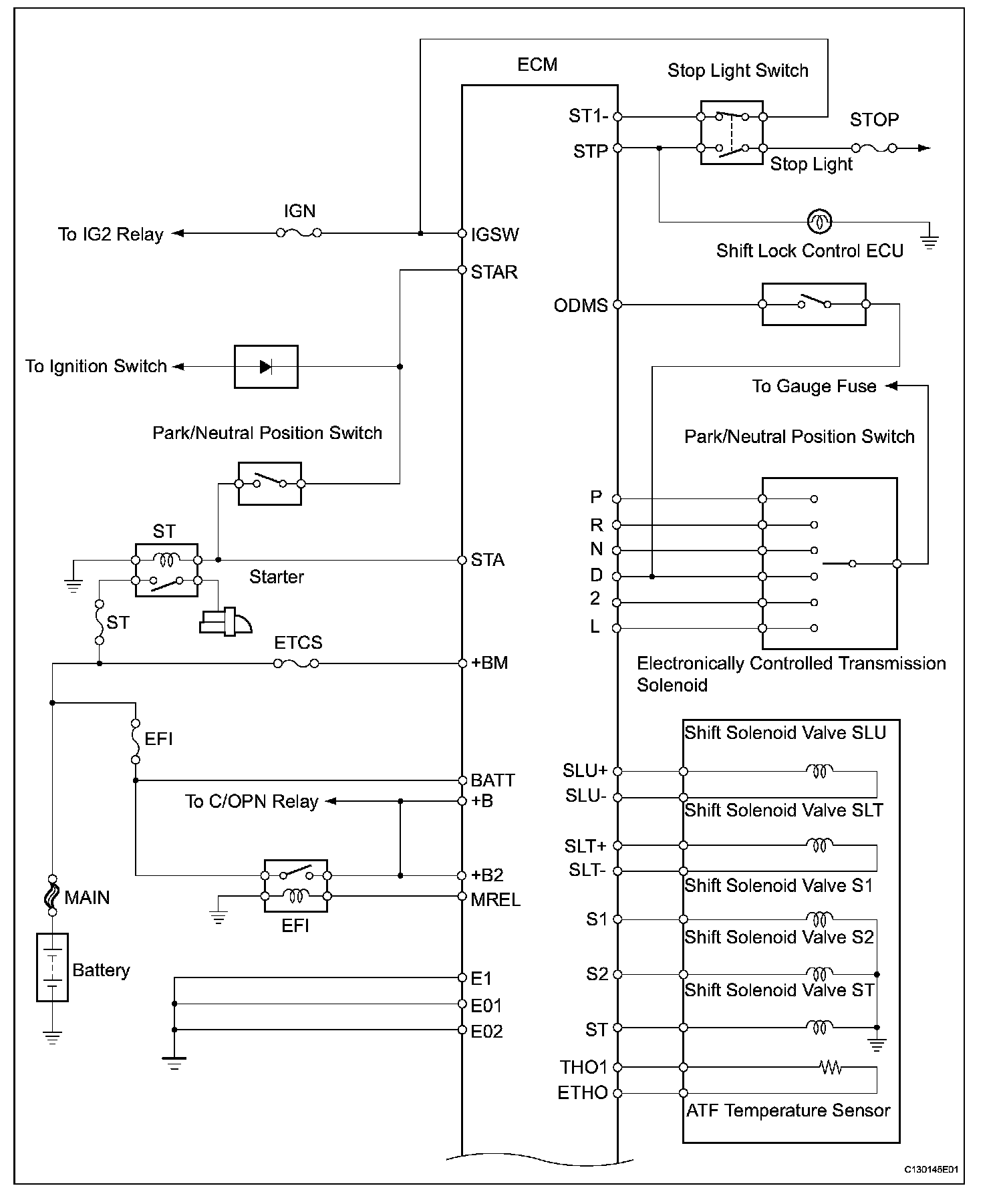
SYSTEM DIAGRAM
The configuration of the electronic control system in the U340E automatic transaxle is as shown in the following chart.








SYSTEM DESCRIPTION
1. SYSTEM DESCRIPTION
(a) The ECT (Electronic Controlled automatic Transmission/Transaxle) is an automatic transmission/transaxle that electronically controls shift timing using the ECM. The ECM detects electrical signals that indicate engine and driving conditions, and controls the shift point, based on driver habits and road conditions. As a result, fuel efficiency and power transmission/transaxle performance are improved.
Shift shock has been reduced by controlling the engine and transmission simultaneously. In addition, the ECT has features such as the following:
^ Diagnostic function
^ Fail-safe function when a malfunction occurs