Curiosii for ever!: Car repair manuals for everyone.

EVAP System

EVAP System

RELATED DTCS







If any EVAP system DTCs are set, the malfunctioning area can be determined using the table.

NOTE: If the reference pressure difference between the first and second checks is greater than the specification, all the DTCs relating to the reference pressure (P043E, P043F, P2401, P2402 and P2419) are stored.







DESCRIPTION

NOTE: In this vehicle's EVAP system, turning ON the vent valve does not seal off the EVAP system. To check for leaks in the EVAP system, disconnect the air inlet vent hose and apply pressure from the atmospheric side of the canister.

While the engine is running, if a predetermined condition (closed-loop etc.) is met, the purge VSV is opened by the ECM and stored fuel vapors in the canister are purged into the intake manifold. The ECM changes the duty cycle ratio of the purge VSV to control purge flow volume.

The purge flow volume is also determined by the intake manifold pressure. Atmospheric pressure is allowed into the canister through the vent valve to ensure that the purge flow is maintained when the negative pressure (vacuum) is applied to the canister.

The Following two monitors run to confirm the appropriate EVAP system operation.

1. Key-off monitor

This monitor checks for EVAP (Evaporative Emission) system leaks and canister pump module malfunctions. The monitor starts 5 hours*. after the ignition switch is turned to OFF. At least 5 hours are required for the fuel to cool down to stabilize the EVAP pressure, thus making the EVAP system monitor more accurate. The leak detection pump creates negative pressure (vacuum) in the EVAP system and the pressure is measured. Finally, the ECM monitors for leaks from the EVAP system, and malfunctions in both the canister pump module and purge VSV, based on the EVAP pressure.

HINT: *:If the engine coolant temperature is not below 35 °C (95 °F) 5 hours after the ignition switch is turned off, the monitor check starts 2 hours later. If it is still not below 35 °C (95 °F) 7 hours after the ignition switch is turned off, the monitor check starts 2.5 hours later.



















2. Purge flow monitor

The purge flow monitor consists of the two monitors. The 1st monitor is conducted every time and the 2nd monitor is activated if necessary.

- The 1st monitor
While the engine is running and the purge VSV (Vacuum Switching Valve) is ON (open), the ECM monitors the purge flow by measuring the EVAP pressure change. If negative pressure is not created, the ECM begins the 2nd monitor.

- The 2nd monitor
The vent valve is turned OFF (open) and the EVAP pressure is measured. If the variation in the pressure is less than 0.5 kPa-g (3.75 mm Hg-g), the ECM interprets this as the purge VSV being stuck closed, and illuminates the MIL and sets DTC P0441 (2 trip detection logic).

Atmospheric pressure check:
In order to ensure reliable malfunction detection, the variation between the atmospheric pressures, before and after conduction of the purge flow monitor, is measured by the ECM.

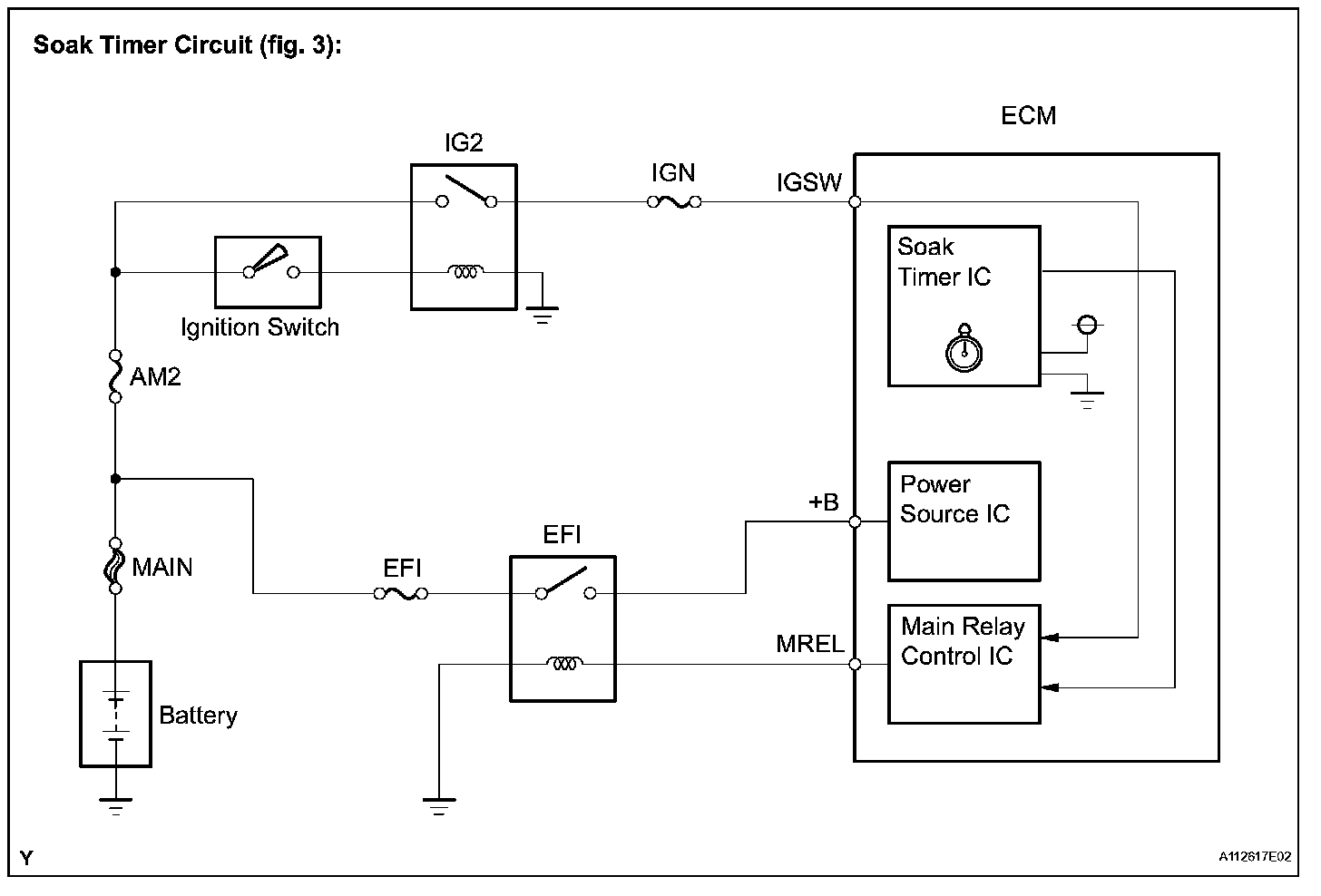
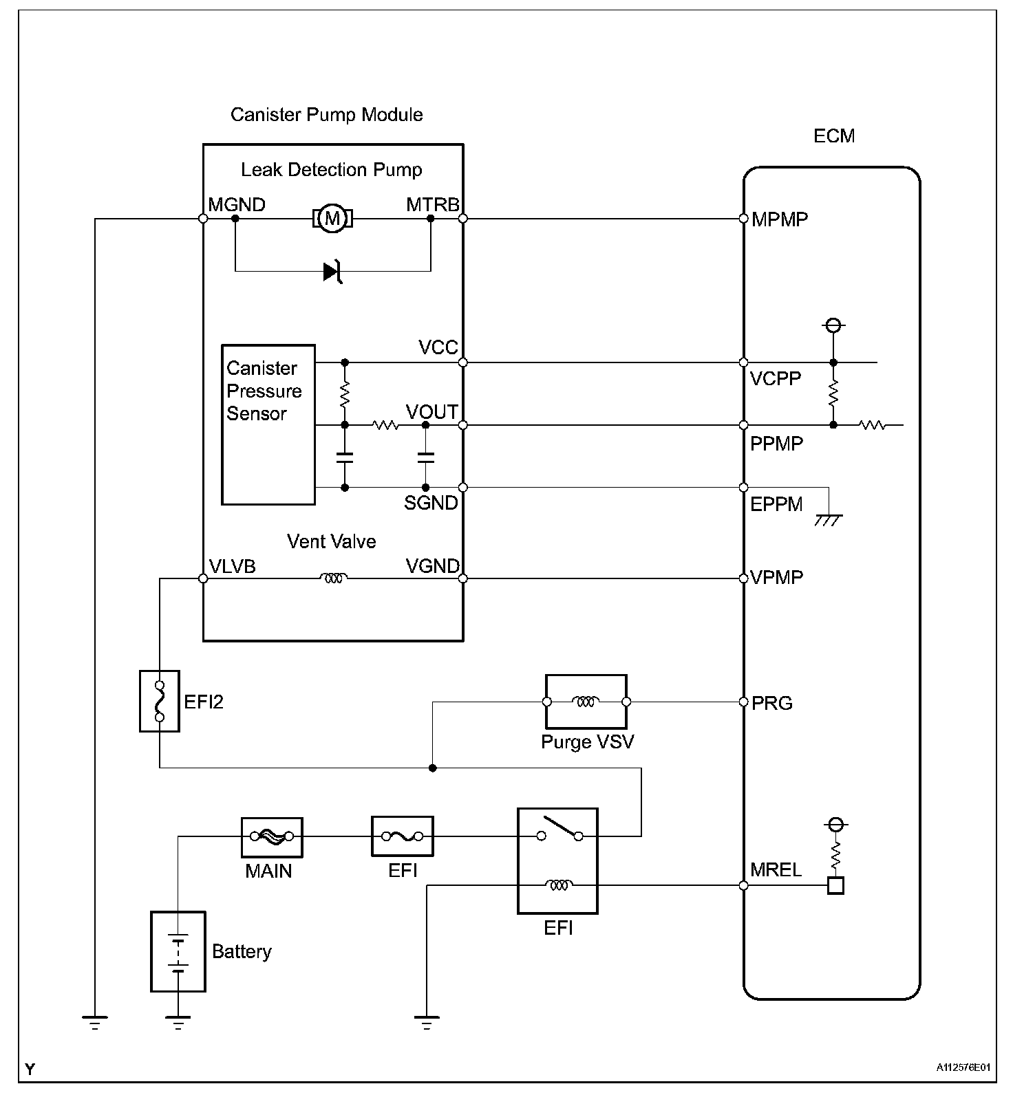
Wiring Diagram:






Step 1:




Step 1(Continued)-2:




Step 2(Continued)-3:




Step 3(Continued)-4:




Step 4(Continued)-5:




Step 6:




Step 6(Continued)-7:




Step 7(Continued)-8:




Step 9:




Step 10:




Step 11:




Step 12-13:




Step 13(Continued)-15:




Step 15(Continued)-17:




Step 17(Continued)-18:




Step 19-20:




Step 20(Continued)-21:




Step 22:




Step 23:




Step 24-25:




Step 26-28:




Step 28(Continued)-29:




Step 29(Continued)-35:




Step 36:




INSPECTION PROCEDURE

NOTE: An intelligent tester is required to conduct the following diagnostic troubleshooting procedure.

HINT:
- Using intelligent tester monitor results enables the EVAP (Evaporative Emission) system to be confirmed.
- Read freeze frame data using an intelligent tester. Freeze frame data record the engine condition when malfunctions are detected. When troubleshooting, freeze frame data can help determine if the vehicle was moving or stationary, if the engine was warmed up or not, if the air-fuel ratio was lean or rich, and other data, from the time the malfunction occurred.

CONFIRMATION DRIVING PATTERN

HINT: After a repair, check Monitor Status by performing the Key-Off Monitor Confirmation and Purge Flow Monitor Confirmation described below.

1. KEY-OFF MONITOR CONFIRMATION

a. Preconditions
The monitor will not run unless:
- The vehicle has been driven for 10 minutes or more (in a city area or on a free way)
- The fuel tank is less than 90 % full " The altitude is less than 8,000 ft (2,400 m)
- The Engine Coolant Temperature (ECT) is between 4.4 °C and 35 °C (40 °F and 95 °F)
- The Intake Air Temperature (IAT) is between 4.4 °C and 35 °C (40 °F and 95 °F)
- The vehicle remains stationary (the vehicle speed is 0 mph [0 km/h])

b. Monitor Conditions

1. Allow the engine to idle for at least 5 minutes.
2. Turn the ignition switch to OFF and wait for 6 hours (8 or 10.5 hours).

HINT: Do not start the engine until checking MONITOR STATUS. If the engine is started, the steps described must be repeated.

c. Monitor Status

1. Connect an intelligent tester to the DLC3.
2. Turn the ignition switch to ON and turn the tester ON.
3. Select the following menu items: DIAGNOSIS / ENHANCED OBD II / MONITOR STATUS.
4. Check the Monitor Status displayed on the tester.

HINT: If INCMP is displayed, the monitor is not complete. Make sure that the preconditions have been met, and perform the Monitor Conditions again.

2. PURGE FLOW MONITOR CONFIRMATION (P0441)

HINT: Perform this monitor confirmation after the Key-Off Monitor Confirmation shows COMPL (complete).

a. Preconditions The monitor will not run unless:
- The vehicle has been driven for 10 minutes or more (in a city area or on a free way)
- The ECT is between 4.4 °C and 35 °C (40 °F and 95 °F)
- The IAT is between 4.4 °C and 35 °C (40 °F and 95 °F)

b. Monitor Conditions

1. Release the pressure from the fuel tank by removing and reinstalling the fuel cap.
2. Warm the engine up until the ECT reaches more than 75 °C (167 °F).
3. Increase the engine speed to 3,000 rpm once.
4. Allow the engine to idle and turn A/C ON for 1 minute.

c. Monitor Status

1. Turn the ignition switch to OFF (where ON or the engine is running).
2. Connect an intelligent tester to the DLC3.
3. Turn the ignition switch to ON and turn the tester ON.
4. Select the following menu items: DIAGNOSIS / ENHANCED OBD II / MONITOR STATUS.
5. Check the Monitor Status displayed on the tester.

HINT: If INCMP is displayed, the monitor is not complete. Make sure that the preconditions have been met, and perform the Monitor Conditions again.

MONITOR RESULT

Refer to CHECKING MONITOR STATUS. Checking Monitor Status










The test value and test limit information are described in the following table. This information is included under MONITOR RESULT in the emissions-related DTC sections:
- MID (Monitor Identification Data) is assigned to each emissions-related component.
- TID (Test Identification Data) is assigned to each test value.
- Scaling is used to calculate the test value indicated on generic OBD II scan tools.