Curiosii for ever!: Car repair manuals for everyone.

ECM Communication Stop Mode

ECM Communication Stop Mode




DESCRIPTION

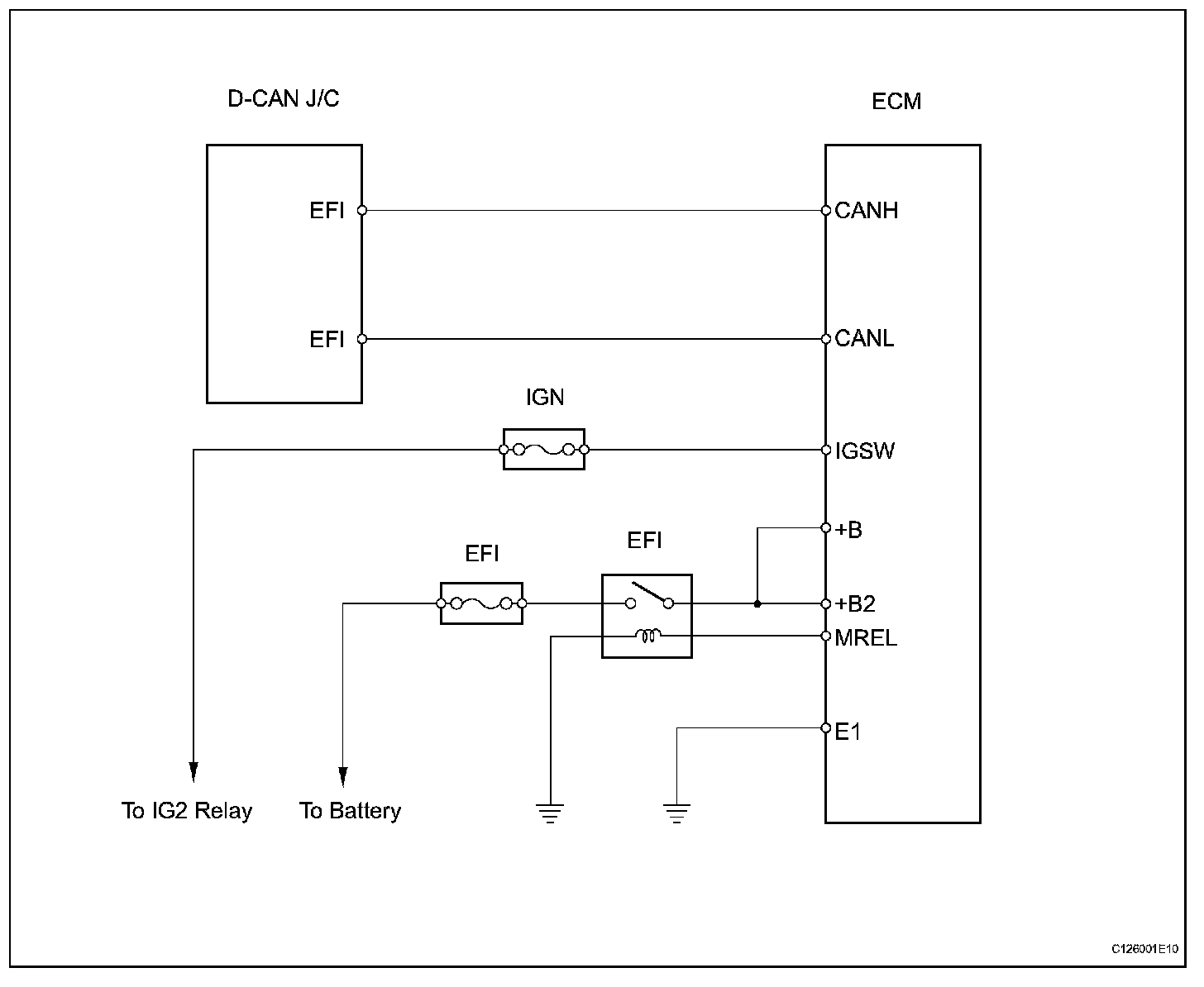
Wiring Diagram:






Step 1:




INSPECTION PROCEDURE


NOTE:
- Turn the ignition switch OFF before measuring the resistances of the CAN main wire and the CAN branch wire.
- After the ignition switch is turned off, check that the key reminder warning system and light reminder warning system are not in operation.
- Before measuring the resistance, leave the vehicle as is for at least 1 minute and do not operate the ignition switch, any other switches or the doors. If doors need to be opened in order to check connectors, open the doors and leave them open.

HINT: Operating the ignition switch, any switches or any doors triggers related ECU and sensor communication with the CAN, which causes resistance variation.